电脑桌面
添加小米粒文库到电脑桌面
安装后可以在桌面快捷访问

绿色节能减排施工方案

绿色节能减排施工方案_第1页
1/8
绿色节能减排施工方案_第2页
2/8
绿色节能减排施工方案_第3页
3/8
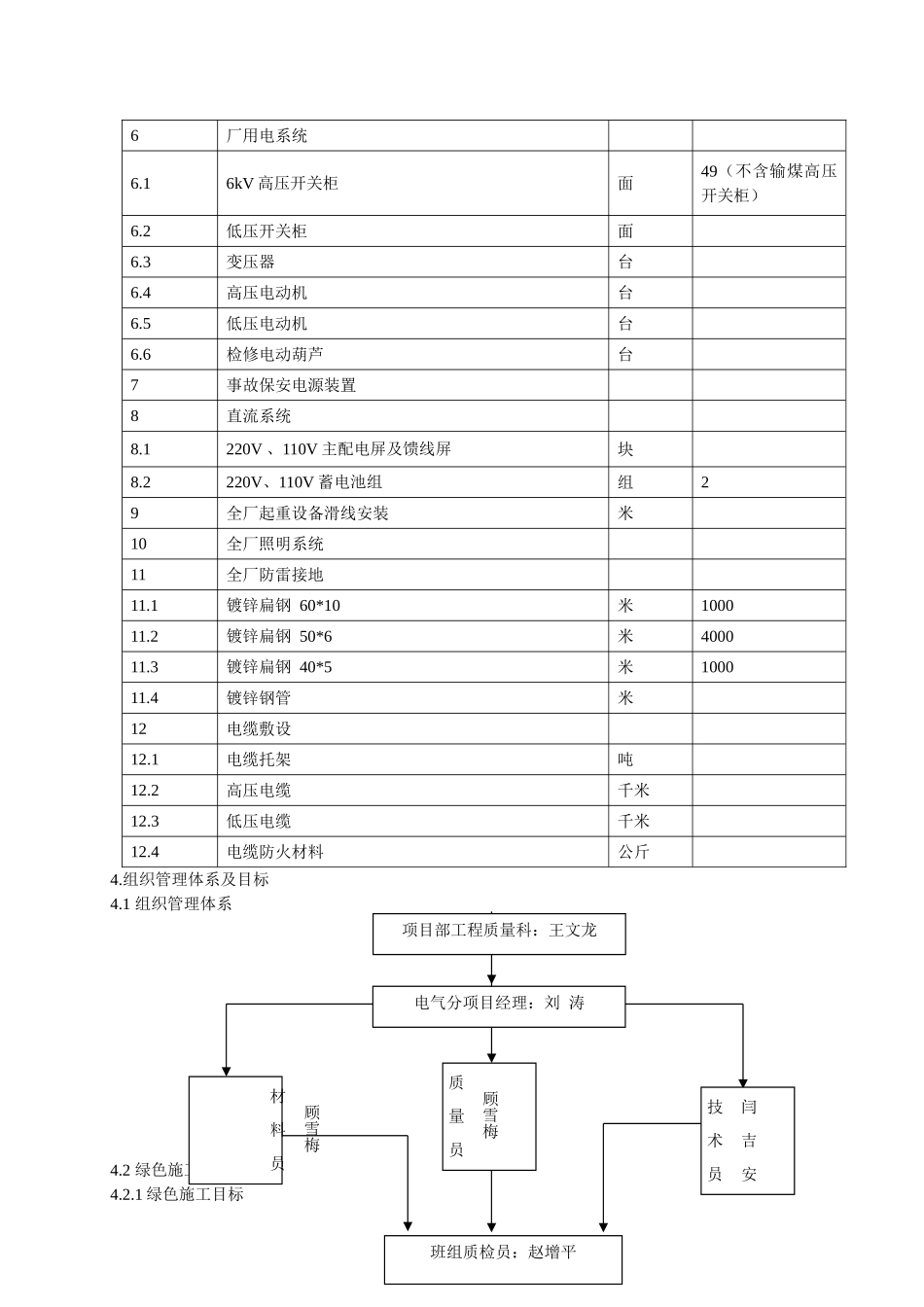
2#机组电气绿色施工、节能减排施工方案工程概况山西国峰 2×300MW 低热值煤综合利用电厂工程,采纳发电机—变压器组单元接线接至厂内 220KV 配电装置双回母线上;220KV 配电装置电气设备采纳全封闭式组合电器(GIS)。主变压器(380MVA/220KV)高压侧经 GIS 套管接入厂内 220KV 配电装置,低压侧采纳离相封闭母线接入发电机套管,中性点经隔离开关和放电间隙接地。发电机励磁系统采纳静态励磁系统。本期工程两台机组设置一台与工作厂高变同容量的启动/备用变。启动/备用变电源从新建的 220KV 配电装置引接,6KV 侧通过共箱封闭母线引至每台机组两段 6KV 工作段起备变进线间隔作为备用电源。高压厂用电系统设置 6KV 工作 A、B 段,采纳单母线接线;(另设空压机输煤 6KV A、B 段,每段分别由两台机组对应母线段提供一路电源;为空压机输煤 6KV 电机提供电源)。相互为备用及成对出现的高压厂用电动机及低压厂用变压器分别由 6KV 工作 A、B 段上引接。低压厂用电接线采纳 380/220V 中性点直接接地系统,主厂房采纳 PC-MCC 供电方式。容量 75KW 及以上的低压电动机和 22KVA 及以上的静止负荷由 PC 供电;容量为 75KW 以下的低压电动机和 22KVA 以下的静止负荷由 MCC 供电。每台机组设置一台容量为 630KW 的快速启动的柴油发电机组作为机组的事故保安电源,保安段正常运行时分别由主厂房 380V 锅炉段及汽机段供电,事故时由柴油发电机供电。每台机组各设置一套静止型沟通UPS 不停电电源装置,容量 80KVA。编制依据:2.1《绿色施工导则》建质[2025]223 号2.2《电力建设安全健康与环境管理工作规定》([2025]168 号)2.3《绿色施工管理规程》(DB11513—2025)2.4《火电厂环境监测技术法律规范》(DL414—2025)2.5《电力建设安全工作规程(火力发电厂部分)》(DL5006.1—2025)2.6《中华人民共和国固体废物污染环境防治法》([2025]31 号)2.7 《中华人民共和国环境保护法》([1989]22 号)2.8 《中华人民共和国环境噪声污染防治法》([1997]77 号)2.9《中华人民共和国节约能源法》([2025]77 号)2.10 山西国峰 2×300MW 低热值煤综合利用电厂相关文件3. 工程范围及主要工作量3.1 工程范围 :2#机组发电机电气与引出线、2#机组主变压器系统(2#机组主变压器、厂变)、2#机组就地设备、2#机组其他控制系统、2#机组直流系统、2#机组高压配电装置(含输煤 6KV 段)、2#机组低压配电装置、...

1、当您付费下载文档后,您只拥有了使用权限,并不意味着购买了版权,文档只能用于自身使用,不得用于其他商业用途(如 [转卖]进行直接盈利或[编辑后售卖]进行间接盈利)。
2、本站所有内容均由合作方或网友上传,本站不对文档的完整性、权威性及其观点立场正确性做任何保证或承诺!文档内容仅供研究参考,付费前请自行鉴别。
3、如文档内容存在违规,或者侵犯商业秘密、侵犯著作权等,请点击“违规举报”。

碎片内容

绿色节能减排施工方案

您可能关注的文档

确认删除?
VIP
微信客服
  • 扫码咨询
会员Q群
  • 会员专属群点击这里加入QQ群
客服邮箱
回到顶部