电脑桌面
添加小米粒文库到电脑桌面
安装后可以在桌面快捷访问

钢构件除锈工程检验批质量验收记录

钢构件除锈工程检验批质量验收记录_第1页
1/2
钢构件除锈工程检验批质量验收记录_第2页
2/2
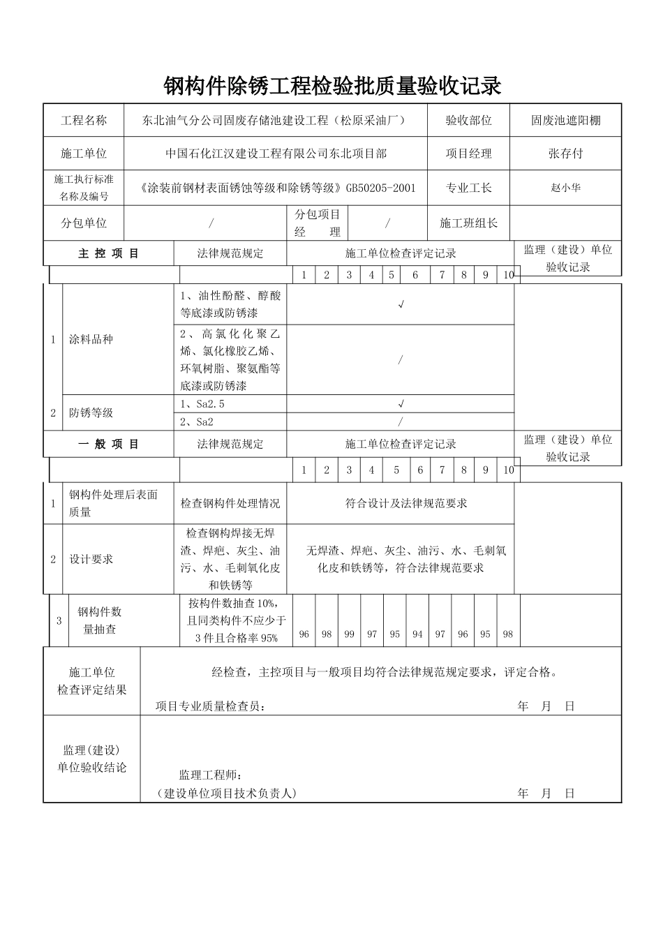
钢构件除锈工程检验批质量验收记录工程名称东北油气分公司固废存储池建设工程(松原采油厂)验收部位固废池遮阳棚施工单位中国石化江汉建设工程有限公司东北项目部项目经理张存付施工执行标准名称及编号《涂装前钢材表面锈蚀等级和除锈等级》GB50205-2001专业工长赵小华分包单位 /分包项目经 理/ 施工班组长主 控 项 目法律规范规定施工单位检查评定记录监理(建设)单位验收记录123456789101涂料品种1、油性酚醛、醇酸等底漆或防锈漆 √ 2 、 高 氯 化 化 聚 乙烯、氯化橡胶乙烯、环氧树脂、聚氨酯等底漆或防锈漆/2防锈等级1、Sa2.5√2、Sa2/一 般 项 目法律规范规定施工单位检查评定记录监理(建设)单位验收记录123456789101钢构件处理后表面质量检查钢构件处理情况 符合设计及法律规范要求 2设计要求检查钢构焊接无焊渣、焊疤、灰尘、油污、水、毛刺氧化皮和铁锈等 无焊渣、焊疤、灰尘、油污、水、毛刺氧化皮和铁锈等,符合法律规范要求3钢构件数量抽查按构件数抽查 10%,且同类构件不应少于3 件且合格率 95%96989997959497969598施工单位检查评定结果 经检查,主控项目与一般项目均符合法律规范规定要求,评定合格。项目专业质量检查员: 年 月 日监理(建设)单位验收结论监理工程师: (建设单位项目技术负责人) 年 月 日

1、当您付费下载文档后,您只拥有了使用权限,并不意味着购买了版权,文档只能用于自身使用,不得用于其他商业用途(如 [转卖]进行直接盈利或[编辑后售卖]进行间接盈利)。
2、本站所有内容均由合作方或网友上传,本站不对文档的完整性、权威性及其观点立场正确性做任何保证或承诺!文档内容仅供研究参考,付费前请自行鉴别。
3、如文档内容存在违规,或者侵犯商业秘密、侵犯著作权等,请点击“违规举报”。

碎片内容

钢构件除锈工程检验批质量验收记录

您可能关注的文档

阳光书坊+ 关注
实名认证
内容提供者

阳光书坊,传播未来

确认删除?
VIP
微信客服
  • 扫码咨询
会员Q群
  • 会员专属群点击这里加入QQ群
客服邮箱
回到顶部