电脑桌面
添加小米粒文库到电脑桌面
安装后可以在桌面快捷访问

铁路基床层试验段施工方案

铁路基床层试验段施工方案_第1页
1/8
铁路基床层试验段施工方案_第2页
2/8
铁路基床层试验段施工方案_第3页
3/8
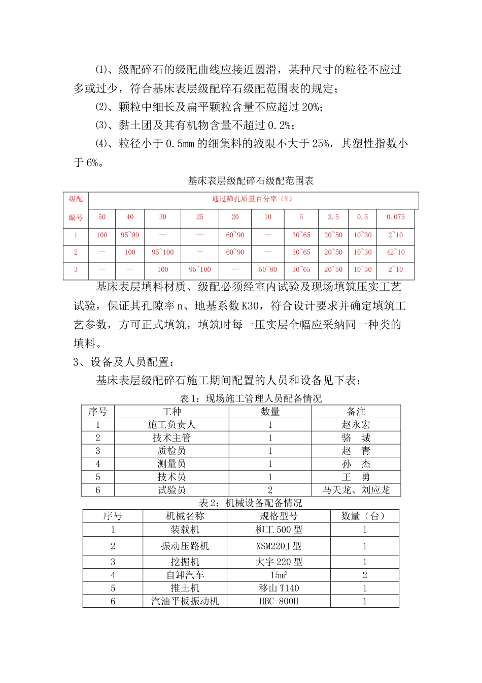
路基基床表层试验段施工方案(路拌)一、开展路基试验段施工的目的1、路基试验段施工段工程概况 路基基床表层试验施工段落为:牡绥铁路工程III标段,路基段(里程改 DK387+520~改 DK387+550)。该段路基基床底层已填筑完毕,准备进行基床表层的填筑。2、进行所属试验段的目的 (1)、通过路基基床表层试验段施工,总结出路基基床表层填筑施工合理的施工方法和机械设备的配置方式。 (2)、通过试验,确定填料的施工配合比、填筑松铺厚度、不同天气情况下碾压设备的碾压遍数。 (3)、通过试验,确定填料是否符合法律规范要求。 (4)、通过本试验段施工,收集相关数据,指导全面路基工程施工并达到技术质量标准。二、施工准备1、基床表层填筑前应检查基床底层几何尺寸、核对压实标准,不符合标准的基床底层应进行修整,达到基床底层验收标准后进行基床表层填筑。2、填料准备及要求 施工前应做好级配碎石各种原材料的备料工作,级配碎石各种级配原材经检测合格后,测得每车材料重量,运至施工现场拌合场地,将不同粒径的碎石、石屑等集料应分别堆放。基床表层级配碎石采纳碎石的粒径、级配及材料性能应符合铁道部现行客专验标要求。级配碎石选用品质优良的原材料是确保级配碎石质量的基础。要确保筛选并按比例混合组成的级配碎石混合料的粒径、级配及品质指标符合规定的要求。 基床表层填料采纳级配碎石,其规格应符合下列要求:⑴、级配碎石的级配曲线应接近圆滑,某种尺寸的粒径不应过多或过少,符合基床表层级配碎石级配范围表的规定;⑵、颗粒中细长及扁平颗粒含量不应超过 20%;⑶、黏土团及其有机物含量不超过 0.2%;⑷、粒径小于 0.5mm 的细集料的液限不大于 25%,其塑性指数小于 6%。基床表层级配碎石级配范围表级配编号通过筛孔质量百分率(%)50403025201052.50.50.075110095~99——60~90—30~6520~5010~302~102—10095~100—60~90—30~6520~5010~3042~103——10095~100—50~8030~6520~5010~302~10基床表层填料材质、级配必须经室内试验及现场填筑压实工艺试验,保证其孔隙率 n、地基系数 K30,符合设计要求并确定填筑工艺参数,方可正式填筑,填筑时每一压实层全幅应采纳同一种类的填料。3、设备及人员配置:基床表层级配碎石施工期间配置的人员和设备见下表:表 1:现场施工管理人员配备情况序号工种数量备注1施工负责人1赵永宏2技术主管1骆 城3质检员1赵 青4测量员1孙 杰5技术员1王 勇6试验员2马天龙、刘应龙表 ...

1、当您付费下载文档后,您只拥有了使用权限,并不意味着购买了版权,文档只能用于自身使用,不得用于其他商业用途(如 [转卖]进行直接盈利或[编辑后售卖]进行间接盈利)。
2、本站所有内容均由合作方或网友上传,本站不对文档的完整性、权威性及其观点立场正确性做任何保证或承诺!文档内容仅供研究参考,付费前请自行鉴别。
3、如文档内容存在违规,或者侵犯商业秘密、侵犯著作权等,请点击“违规举报”。

碎片内容

铁路基床层试验段施工方案

您可能关注的文档

确认删除?
VIP
微信客服
  • 扫码咨询
会员Q群
  • 会员专属群点击这里加入QQ群
客服邮箱
回到顶部