电脑桌面
添加小米粒文库到电脑桌面
安装后可以在桌面快捷访问

隔离式LED驱动电源系列方案

隔离式LED驱动电源系列方案_第1页
1/5
隔离式LED驱动电源系列方案_第2页
2/5
隔离式LED驱动电源系列方案_第3页
3/5
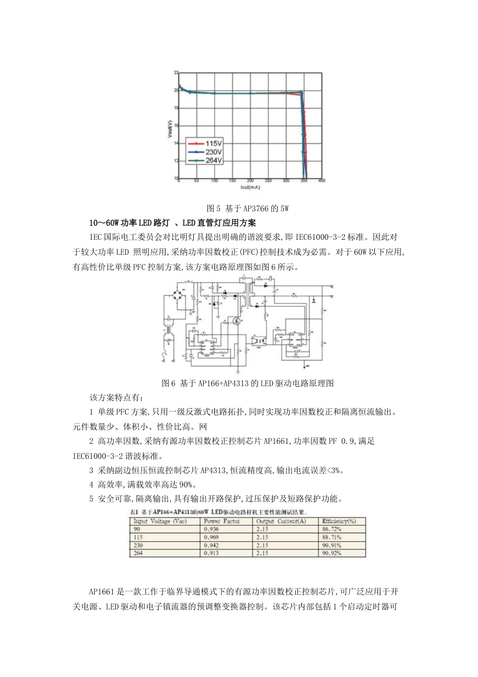
隔离式 LED 驱动电源系列方案在全球能源短缺、环保要求不断提高的背景下,世界各国均大力进展绿色节能照明 。led 照明作为一种革命性的节能照明技术,正在飞速进展。然而,LED 驱动电源 的要求也在不断提高。高效率、高功率因数、安全隔离、符合 EMI 标准、高电流控制精度、高可靠性、体积小、成本低等正成为 LED 驱动 电源的关键评价指标。LED 驱动电源的具体要求LED 是低压发光器件,具有长寿命、高光效、安全环保、方便使用等优点。对于市电沟通输入电源驱动,隔离输出是基于安全法律规范的要求。LED 驱动电源的效率越高,则越能发挥 LED 高光效,节能的优势。同时高开关工作频率,高效率使得整个 LED 驱动电源容易安装在设计紧凑的 LED 灯具 中。高恒流精度保证了大批量使用 LED 照明时的亮度和光色一致性。10W 以下功率 LED 灯 杯应用方案目前 10W 以下功率 LED 应用广泛,众多一体式产品面世,即 LED 驱动电源与 LED 灯整合在一个灯具 中,方便了用户直接使用。典型的灯具规格有 GU10、E27、PAR30 等。针对这一应用,我们设计了如下方案(见图 1)。图 1 基于 AP3766 的 LED 驱动电路原理图 该方案特点如下:1 基于最新的 LED 专用驱动芯片 AP3766,采纳原边控制方式,无须光耦和副边电流控制电路,实现隔离恒流输出,电路结构简单。通过电阻 R5 检测原边电流,控制原边电流峰值恒定,同时控制开关占空比,保持输出二极管 D1 的导通时间和整个开关周期时间比例恒定,实现了输出电流的恒定。 2 AP3766 采纳专有的“亚微安启动电流”技术,仅需 0.6μA 的启动电流,因此降低了启动电阻 R1 和 R2 上的功耗,提高了系统效率。典型 5W 应用效率大于 80%,空载功耗小于30mW。 3 AP3766 采纳恒流收紧技术实现垂直的恒流特性,恒流精度高。 4 电路元件数量少,AP3766 采纳 SOT-23-5 封装,体积小,整个电路可以安装在常用规格灯杯中。5 安全可靠,隔离输出,具有输出开路保护、过压保护及短路保护功能。 6 功率开关管采纳三极管,省去了高压场效应管,系统成本低。 图 2 为该方案的 5W 应用电路样机实物照片。图 3 是基于 AP3766 的 5W LED 驱动装置实物照片。图 4 为基于 AP3766 的 5W LED 驱动电路满载效率随沟通输入电压变化曲线。图 5为基于 AP3766 的 5W LED 驱动电路满载输出 IV 特性曲线。 图 2 基于 AP3766 的 5W LED 驱动电路样机实物照片 图 3 基于 AP...

1、当您付费下载文档后,您只拥有了使用权限,并不意味着购买了版权,文档只能用于自身使用,不得用于其他商业用途(如 [转卖]进行直接盈利或[编辑后售卖]进行间接盈利)。
2、本站所有内容均由合作方或网友上传,本站不对文档的完整性、权威性及其观点立场正确性做任何保证或承诺!文档内容仅供研究参考,付费前请自行鉴别。
3、如文档内容存在违规,或者侵犯商业秘密、侵犯著作权等,请点击“违规举报”。

碎片内容

隔离式LED驱动电源系列方案

您可能关注的文档

确认删除?
VIP
微信客服
  • 扫码咨询
会员Q群
  • 会员专属群点击这里加入QQ群
客服邮箱
回到顶部