电脑桌面
添加小米粒文库到电脑桌面
安装后可以在桌面快捷访问

15万吨年煤矿开采方案设计说明书—-毕业论文设计

15万吨年煤矿开采方案设计说明书—-毕业论文设计_第1页
1/134
15万吨年煤矿开采方案设计说明书—-毕业论文设计_第2页
2/134
15万吨年煤矿开采方案设计说明书—-毕业论文设计_第3页
3/134
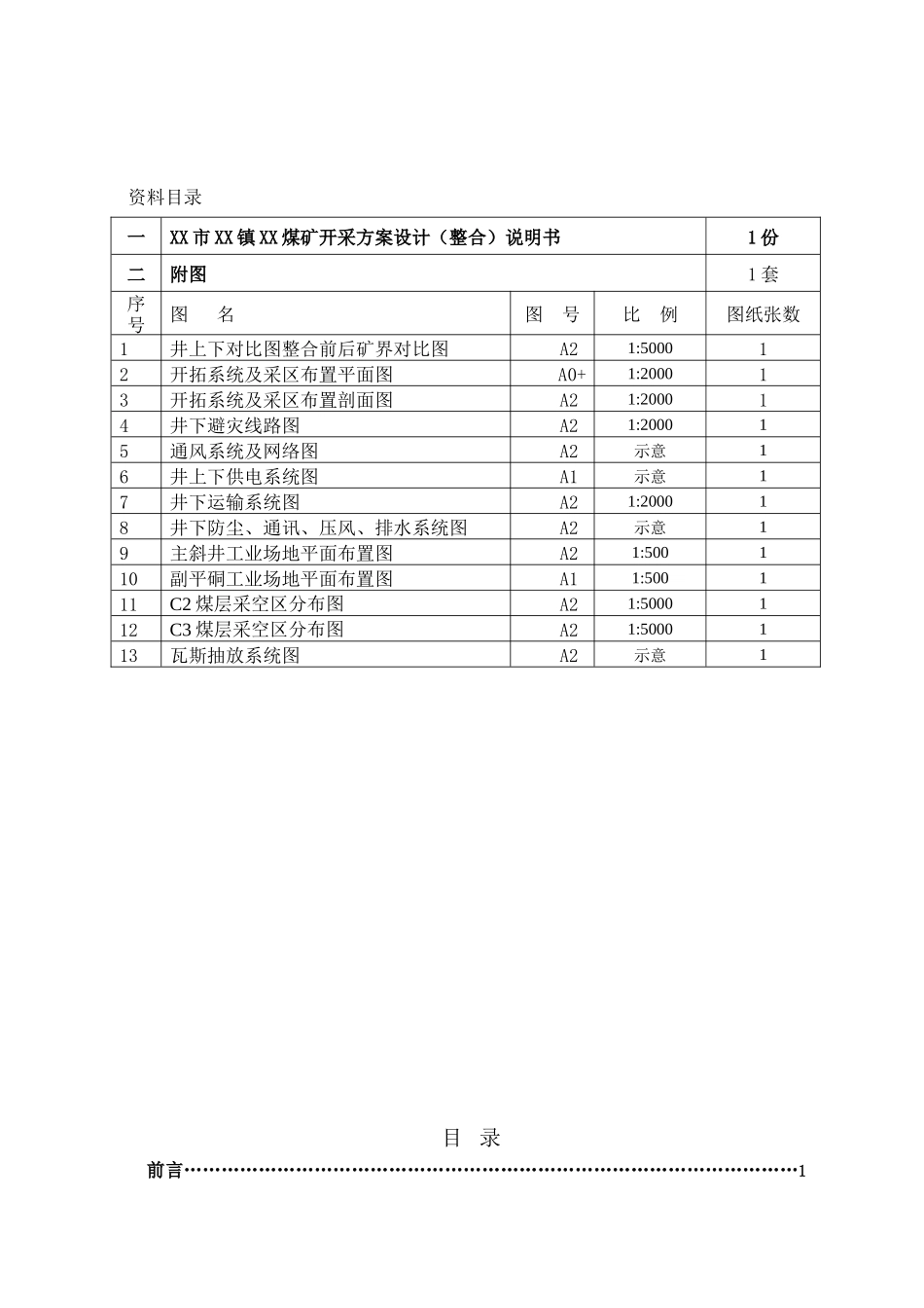
XX 市 XX 镇 XX 煤矿(整合)开采方案设计说明书(15 万 t/a)贵州 XXXX 工程开发有限责任公司资料目录一XX 市 XX 镇 XX 煤矿开采方案设计(整合)说明书1 份二附图 1 套序号图 名图 号比 例图纸张数1井上下对比图整合前后矿界对比图A21:500012开拓系统及采区布置平面图A0+1:200013开拓系统及采区布置剖面图A21:200014井下避灾线路图A21:200015通风系统及网络图A2示意16井上下供电系统图A1示意17井下运输系统图A21:200018井下防尘、通讯、压风、排水系统图A2示意19主斜井工业场地平面布置图A21:500110副平硐工业场地平面布置图A11:500111C2 煤层采空区分布图A21:5000112C3 煤层采空区分布图A21:5000113瓦斯抽放系统图A2示意1目 录前言………………………………………………………………………………………1 1.总论....................................................................................................................................................11.1.项目背景.............................................................................................................................11.2.项目概况.............................................................................................................................41.3.存在的主要问题及建议...................................................................................................112.矿井建设条件...................................................................................................................................132.1.概况...................................................................................................................................132.2.外部建设条件...................................................................................................................142.3.资源条件...........................................................................................................................152.4.建设条件综合评价...........................................................................................................223.市场预测..................................................................

1、当您付费下载文档后,您只拥有了使用权限,并不意味着购买了版权,文档只能用于自身使用,不得用于其他商业用途(如 [转卖]进行直接盈利或[编辑后售卖]进行间接盈利)。
2、本站所有内容均由合作方或网友上传,本站不对文档的完整性、权威性及其观点立场正确性做任何保证或承诺!文档内容仅供研究参考,付费前请自行鉴别。
3、如文档内容存在违规,或者侵犯商业秘密、侵犯著作权等,请点击“违规举报”。

碎片内容

15万吨年煤矿开采方案设计说明书—-毕业论文设计

确认删除?
VIP
微信客服
  • 扫码咨询
会员Q群
  • 会员专属群点击这里加入QQ群
客服邮箱
回到顶部