电脑桌面
添加小米粒文库到电脑桌面
安装后可以在桌面快捷访问

上下水箱液位串级控制系统

上下水箱液位串级控制系统_第1页
1/4
上下水箱液位串级控制系统_第2页
2/4
上下水箱液位串级控制系统_第3页
3/4
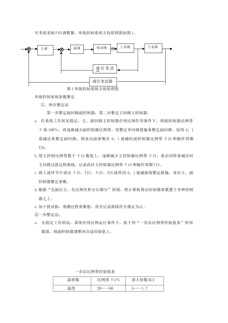
试验六 上下水箱液位串级控制一、试验目1、理解复杂过程控制系统构成。 2、掌握复杂过程控制一—串级控制措施。3、控制规定:超调量 σ<20%,调整时间 Ts≤3T,余差<5%。二、 试验设备及参照资料1、PCS-B 过程控制试验装置(使用其中:电动调整阀、DDC 控制单元、上下水箱及液位变送器、水泵 1 系统等)。2、电动调整阀操作阐明书、液位变送器调试(一般出厂之前已调试好)措施。三、试验系统流程图: 四、试验原理 本试验采纳计算机控制,将下水箱液位控制在设定高度。串级回路是由内反馈构成双环控制系统,属于复杂控制范围。在计算机中设置了两个虚拟调整器作为主副调整器。将下水箱液位信号输出作为主调整器输入,主调整器输出作为副调整器输入,在串级控制系统中,两个调整器任务不一样,因此要选择调整器不一样调整规律进行控制,副调整器重要任务是迅速动作,迅速抵制进入副回路扰动,至于副回路调整不规定一定是无静差。主调整器任务是精保证持下水箱液位在设定值,因此,主调整器采纳 PI 调整器也增压泵计算机频器HTHT上水箱下水箱电动阀1V1V4V51V10储水箱可考虑采纳 PID 调整器。串级控制系统方块原理图如图 1。 图图 1 串级控制系统方块原理图串级控制系统参数整定 ①. 两步整定法 第一步整定副回路副控制器;第二步整定主回路主控制器。a. 在系统工作状况稳定,主、副回路主控制器在纯比例作用条件下,将副控制器比例带δ 取 100%,再逐渐减少副控制器比例带,用整定单回路措施来整定副回路。如用 4:1衰减法来整定副回路,则求出副参数在 4:1 衰减时副控制器比例带 δ2S 和操作周期T2S。b.使主控制比例带置于 δ1S 数值上,逐渐减少主控制器比例带 δ1S,求出同样衰减比时主回路过渡过程曲线,记录此时主控制器比例带 δ1S 和操作周期 T1S。c.将上述环节中求出 δ1S、T1S、δ2S、T2S 按所用 4:1 衰减曲线整定措施,求出主、副控制器整定参数。d.根据“先副后主,先比例次积分后微分”原则,将计算机得出控制器参数置于多种控制器之上。e.加干扰试验,观测过程参数值,直至记录曲线符合规定为止。②一步整定法:a. 先稳定工作状况,系统在纯比例运行条件下,按下列“一步法比例带经验值表”所列数值,将副控制器调整到合适经验值上。 一步法比例带经验值表副参数比例带 δ2%放大倍数 KC2温度 20——60 5——1.7副调电动阀上水箱下水箱主调液位变送器液 位 变 送器压力 30——7...

1、当您付费下载文档后,您只拥有了使用权限,并不意味着购买了版权,文档只能用于自身使用,不得用于其他商业用途(如 [转卖]进行直接盈利或[编辑后售卖]进行间接盈利)。
2、本站所有内容均由合作方或网友上传,本站不对文档的完整性、权威性及其观点立场正确性做任何保证或承诺!文档内容仅供研究参考,付费前请自行鉴别。
3、如文档内容存在违规,或者侵犯商业秘密、侵犯著作权等,请点击“违规举报”。

碎片内容

上下水箱液位串级控制系统

您可能关注的文档

不二商店+ 关注
实名认证
内容提供者

我是你的不二选择

确认删除?
VIP
微信客服
  • 扫码咨询
会员Q群
  • 会员专属群点击这里加入QQ群
客服邮箱
回到顶部