电脑桌面
添加小米粒文库到电脑桌面
安装后可以在桌面快捷访问

上海海事大学可编程控制器考试试题示例

上海海事大学可编程控制器考试试题示例_第1页
1/15
上海海事大学可编程控制器考试试题示例_第2页
2/15
上海海事大学可编程控制器考试试题示例_第3页
3/15
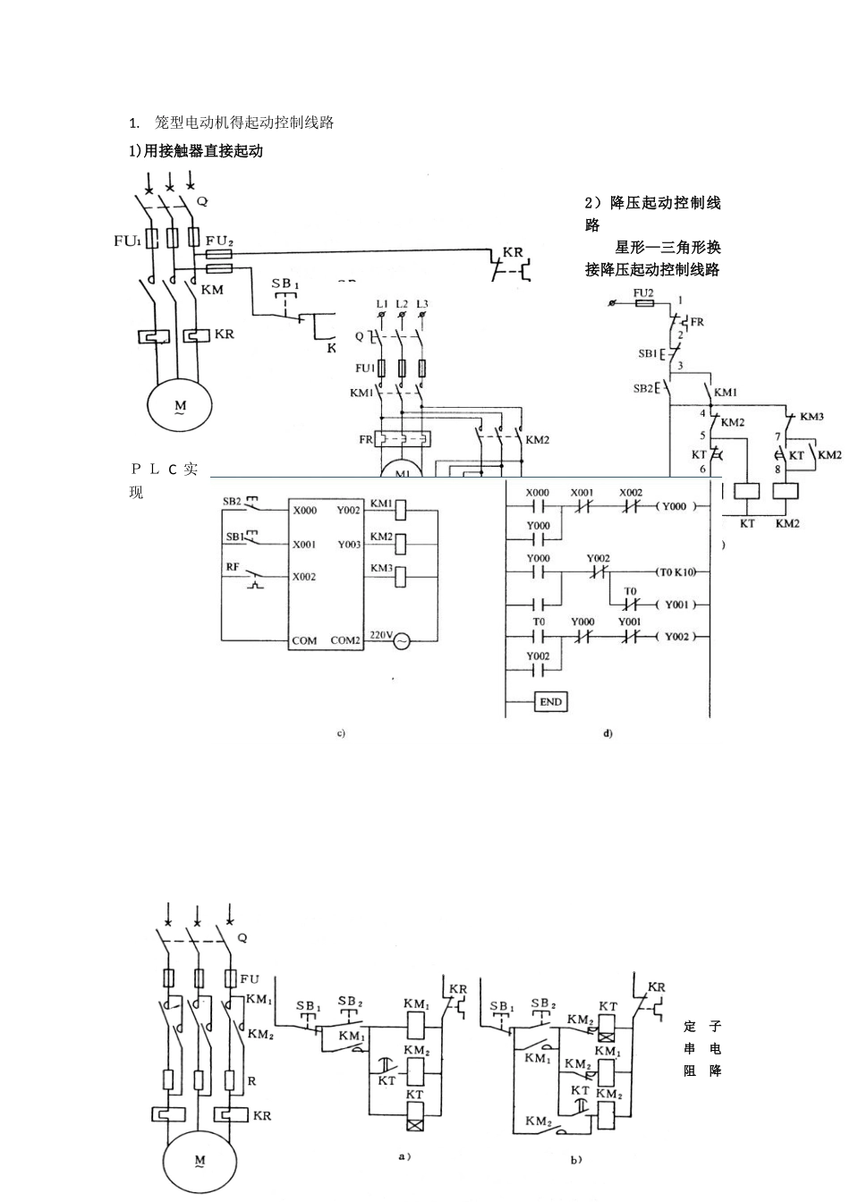
1.笼型电动机得起动控制线路1)用接触器直接起动2)降压起动控制线路星形—三角形换接降压起动控制线路P L C 实现 定子串电阻降压起动控制线路时间原则控制:以时间作为控制得变化参量,主要采纳时间继电器进行控制得方法称为时间原则控制。例如,定子绕组串电阻降压起动控制电路。如图 3-15 所示,主电路由接触器 KM1、K M2 主触点构成串电阻接线与短接电阻接线,并由时间继电器 KT 实现从起动到正常工作状态得切换。按下起动按钮 SB2,接触器KM1线圈得电,电动机串电阻降压起动。同时,时间继电器K T 线圈得电,经过一定时间,其延时闭合动合触点闭合,KM 2线圈得电,KM1、KT 线圈断电。K M 2 主触点闭合,电阻短接,电动机全压运行。时间原则控制多用于难以直接检测变化参量得自动控制中,而且时间继电器得通用性好,控制灵活方便,因而能代替某些原则控制。3)电动机正反转线路如图3-11 所示,SB 为停止按钮,SB 1为正向起动按钮,SB2 为反向起动按钮。在正向接触器 KM 1线圈得电路中,串入反向接触器 KM2 得常闭触点,实现正反向接触器间得联锁(互锁)。假如希望不用按下停止按钮 SB,直接按下反向按钮 SB2 即可实现电动机反向工作,S B1、SB 2可以采纳复合按钮(如图3-1 2)或转换开关。电动机正反转 PLC 控制:4)正反转自动循环线路行程控制原理:限位开关 S Q 1 放在左端需要反向得位置,SQ2 放在右端需要反向得位置,机械挡铁装在运动部件上。正向运动时,按正转按钮 SB2,KM1 通电自锁,电动机正向旋转,带动工作台左移。压下 SQ1,其常闭触点断开,切断K M1 得线圈电路。同时,S Q 1 得常开触点闭合,接通KM2 得线圈电路,电动机反转,带动工作台右移,压下SQ 2,工作台实现左右移动得自动控制。限位开关S Q 3、SQ4 分别起到左右超限位保护作用,当工作台移动到左右得极限位置时动作。注意:运动部件经过一次自动往复循环,电动机要进行两次反接制动过程,易出现较大得反接制动电流与机械冲击。因此,这种电路只适用于电动机容量较小,循环周期较长,电动机转轴具有足够刚性得拖动系统中。在选择接触器容量时,应比一般情况下选择得容量大一些。5)多电机顺序启动以车床主轴为例,主电路如图 3-1 3 a 所示,主轴拖动电动机 M 1,润滑油泵电动机 M2。控制电路如图 3-13b所示,K M2 得常开触点串入 KM1 得线圈电路中,实现先 KM2 通电、后 KM1通电得顺序动作。起动时,同时按下...

1、当您付费下载文档后,您只拥有了使用权限,并不意味着购买了版权,文档只能用于自身使用,不得用于其他商业用途(如 [转卖]进行直接盈利或[编辑后售卖]进行间接盈利)。
2、本站所有内容均由合作方或网友上传,本站不对文档的完整性、权威性及其观点立场正确性做任何保证或承诺!文档内容仅供研究参考,付费前请自行鉴别。
3、如文档内容存在违规,或者侵犯商业秘密、侵犯著作权等,请点击“违规举报”。

碎片内容

上海海事大学可编程控制器考试试题示例

确认删除?
VIP
微信客服
  • 扫码咨询
会员Q群
  • 会员专属群点击这里加入QQ群
客服邮箱
回到顶部