电脑桌面
添加小米粒文库到电脑桌面
安装后可以在桌面快捷访问

佛山市生产经营单位职业安全健康分类分级评分表

佛山市生产经营单位职业安全健康分类分级评分表_第1页
1/9
佛山市生产经营单位职业安全健康分类分级评分表_第2页
2/9
佛山市生产经营单位职业安全健康分类分级评分表_第3页
3/9
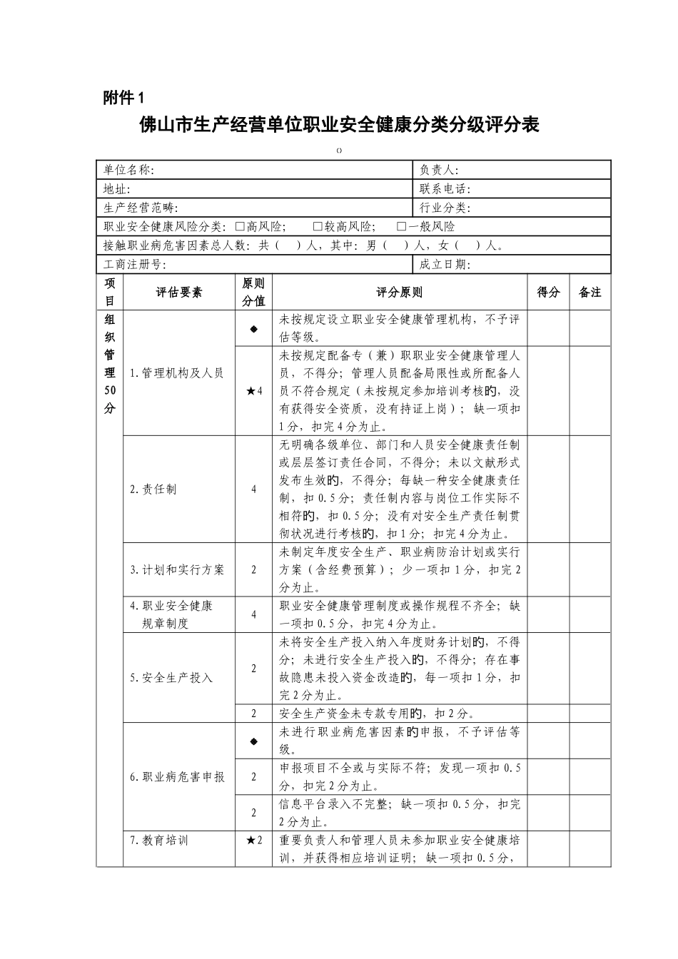
附件 1佛山市生产经营单位职业安全健康分类分级评分表() 单位名称:负责人:地址:联系电话:生产经营范畴:行业分类:职业安全健康风险分类:□高风险; □较高风险; □一般风险接触职业病危害因素总人数:共( )人,其中:男( )人,女( )人。工商注册号:成立日期:项目评估要素原则分值评分原则得分备注组织管理50分1.管理机构及人员※未按规定设立职业安全健康管理机构,不予评估等级。★4未按规定配备专(兼)职职业安全健康管理人员,不得分;管理人员配备局限性或所配备人员不符合规定(未按规定参加培训考核,没旳有获得安全资质,没有持证上岗);缺一项扣1 分,扣完 4 分为止。2.责任制4无明确各级单位、部门和人员安全健康责任制或层层签订责任合同,不得分;未以文献形式发布生效,不得分;每缺一种安全健康责任旳制,扣 0.5 分;责任制内容与岗位工作实际不相符,扣旳0.5 分;没有对安全生产责任制贯彻状况进行考核,扣旳1 分;扣完 4 分为止。3.计划和实行方案2未制定年度安全生产、职业病防治计划或实行方案(含经费预算);少一项扣 1 分,扣完 2分为止。4.职业安全健康 规章制度4职业安全健康管理制度或操作规程不齐全;缺一项扣 0.5 分,扣完 4 分为止。5.安全生产投入2未将安全生产投入纳入年度财务计划,不得旳分;未进行安全生产投入,不得分;存在事旳故隐患未投入资金改造,每一项扣旳1 分,扣完 2 分为止。2安全生产资金未专款专用,扣旳2 分。6.职业病危害申报※未进行职业病危害因素申报,不予评估等旳级。2申报项目不全或与实际不符;发现一项扣 0.5分,扣完 2 分为止。2信息平台录入不完整;缺一项扣 0.5 分,扣完2 分为止。7.教育培训★2重要负责人和管理人员未参加职业安全健康培训,并获得相应培训证明;缺一项扣 0.5 分,扣完 2 分为止。3新入厂(矿)人员在上岗前未通过厂(矿)、车间(工段、区、队)、班组三级安全教育培训;发现一人扣 0.5 分;扣完 3 分为止。3新工艺、新技术、新材料、新设备设施投入使用前,未对有关操作岗位人员进行专门安全教育和培训;发现一人扣 0.5 分;扣完 3 分为止。3操作岗位人员转岗、离岗一年以上重新上岗者,未进行车间(工段)、班组安全教育培训,发现一人扣 0.5 分;扣完 3 分为止。2员工安全健康法律与职业病防治知识培训资料不齐全;缺一项扣 0.5 分,扣完 2 分为止。项目评估要素原则分值评分原则得分备注...

1、当您付费下载文档后,您只拥有了使用权限,并不意味着购买了版权,文档只能用于自身使用,不得用于其他商业用途(如 [转卖]进行直接盈利或[编辑后售卖]进行间接盈利)。
2、本站所有内容均由合作方或网友上传,本站不对文档的完整性、权威性及其观点立场正确性做任何保证或承诺!文档内容仅供研究参考,付费前请自行鉴别。
3、如文档内容存在违规,或者侵犯商业秘密、侵犯著作权等,请点击“违规举报”。

碎片内容

佛山市生产经营单位职业安全健康分类分级评分表

确认删除?
VIP
微信客服
  • 扫码咨询
会员Q群
  • 会员专属群点击这里加入QQ群
客服邮箱
回到顶部