电脑桌面
添加小米粒文库到电脑桌面
安装后可以在桌面快捷访问

哈工大-液压大作业-压力机液压系统设计

哈工大-液压大作业-压力机液压系统设计_第1页
1/12
哈工大-液压大作业-压力机液压系统设计_第2页
2/12
哈工大-液压大作业-压力机液压系统设计_第3页
3/12
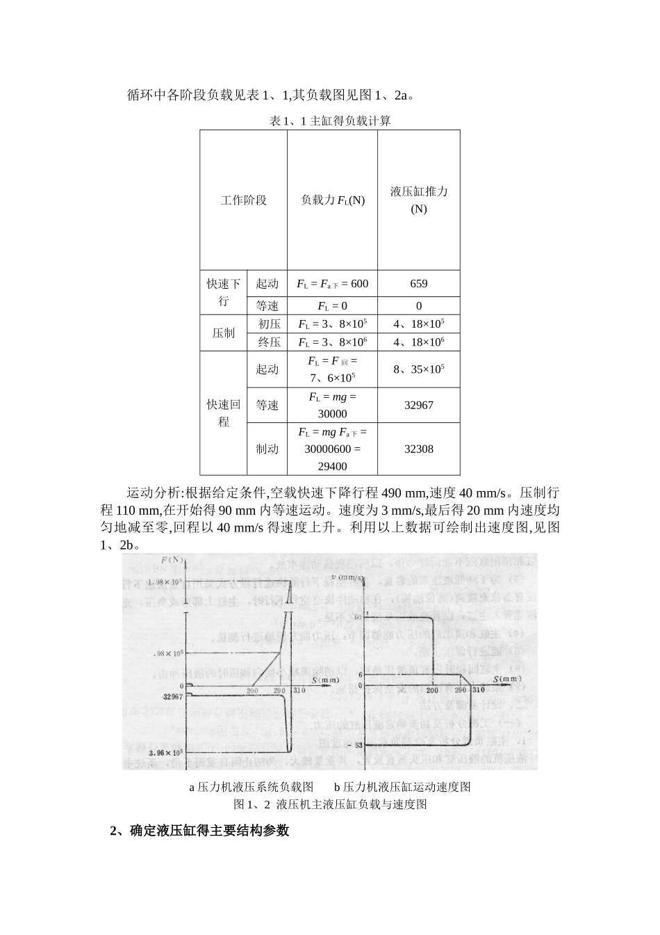
哈尔滨工业大学液压传动大作业设计说明书 设计题目 压力机 液压 系统设计 机电工程学院 1308XXX 班 设 计 者 XXX 201 X 年 XX 月 XX 日 流体控制及自动化系 哈 尔 滨 工 业 大 学液压传动大作业任务书学生姓名 XXXX 班 号 1308XXX 学 号 11308XXXXX 设计题目 压力机液压系统 1、 液压系统用途(包括工作环境与工作条件)及主要参数:单缸压力机液压系统,工作循环:低压下行→高压下行→保压→低压回程→上限停止。自动化程度为半自动,液压缸垂直安装。最大压制力:380×104N;最大回程力:76×104N;低压下行速度:40mm/s;高压下行速度:3mm/s;低压回程速度:40mm/s;工作行程:600mm。2、 执行元件类型:液压缸3、 液压系统名称:压力机液压系统。设 计 内 容 1、 拟订液压系统原理图;2、 选择系统所选用得液压元件及辅件;3、 设计液压缸;4、 验算液压系统性能;5、 编写上述 1、2、3 与 4 得计算说明书。指导老师 签 字 教研室主任 签 字 年 月 日签发一、工况分析1、主液压缸(1)负载压制力:压制时工作负载可区分为两个阶段。第一阶段负载力缓慢地线性增加,达到最大压制力得 10%左右,其上升规律也近似于线性,其行程为 90 mm(压制总行程为 110 mm)第二阶段负载力迅速线性增加到最大压制力 3、8×106 N,其行程为 20 mm。回程力(压头离开工件时得力):一般冲压液压机得压制力与回程力之比为 5~10,本压力机取为 5,故回程力为 Fh = 7、6×105 N。因移动件质量未知,参考其她液压机取移动件(包括活塞、活动横梁及上模)质量=3000 kg。(2)行程及速度快速空程下行:行程 Sl = 490 mm,速度 v1=40 mm/s;工作下压:行程 S2 = 110 mm,速度 v2=3 mm/s。快速回程:行程 S3 = 600 mm,速度 v3=40 mm/s。2、顶出液压缸(1)负载:顶出力(顶出开始阶段)Fd=3、6×105 N,回程力 Fdh = 2×105 N。(2)行程及速度;行程 L4 = 120 mm,顶出行程速度 v4=40 mm/s,回程速度 v5=120 mm/s。液压缸采纳 V 型密封圈,其机械效率 ηcm=0、91。压头起动、制动时间:0、2 s。设计要求。本机属于中小型柱式液压机,有较广泛得通用性,除了能进行本例所述得压制工作外,还能进行冲孔、弯曲、较正、压装及冲压成型等工作。对该机有如下性能要求:(1)为了适应批量生产得需要应具有较高得生产率,故要求本机有较高得空程与回程速度。(2)除上液压缸外还有顶出缸。顶出缸除用以顶出工件外,还在其她...

1、当您付费下载文档后,您只拥有了使用权限,并不意味着购买了版权,文档只能用于自身使用,不得用于其他商业用途(如 [转卖]进行直接盈利或[编辑后售卖]进行间接盈利)。
2、本站所有内容均由合作方或网友上传,本站不对文档的完整性、权威性及其观点立场正确性做任何保证或承诺!文档内容仅供研究参考,付费前请自行鉴别。
3、如文档内容存在违规,或者侵犯商业秘密、侵犯著作权等,请点击“违规举报”。

碎片内容

哈工大-液压大作业-压力机液压系统设计

您可能关注的文档

确认删除?
VIP
微信客服
  • 扫码咨询
会员Q群
  • 会员专属群点击这里加入QQ群
客服邮箱
回到顶部