电脑桌面
添加小米粒文库到电脑桌面
安装后可以在桌面快捷访问

商综合楼工程脚手架设计施工方案说明书

商综合楼工程脚手架设计施工方案说明书_第1页
1/29
商综合楼工程脚手架设计施工方案说明书_第2页
2/29
商综合楼工程脚手架设计施工方案说明书_第3页
3/29
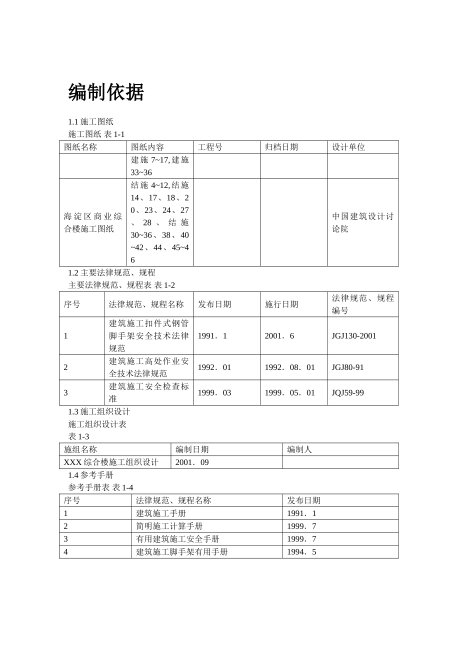
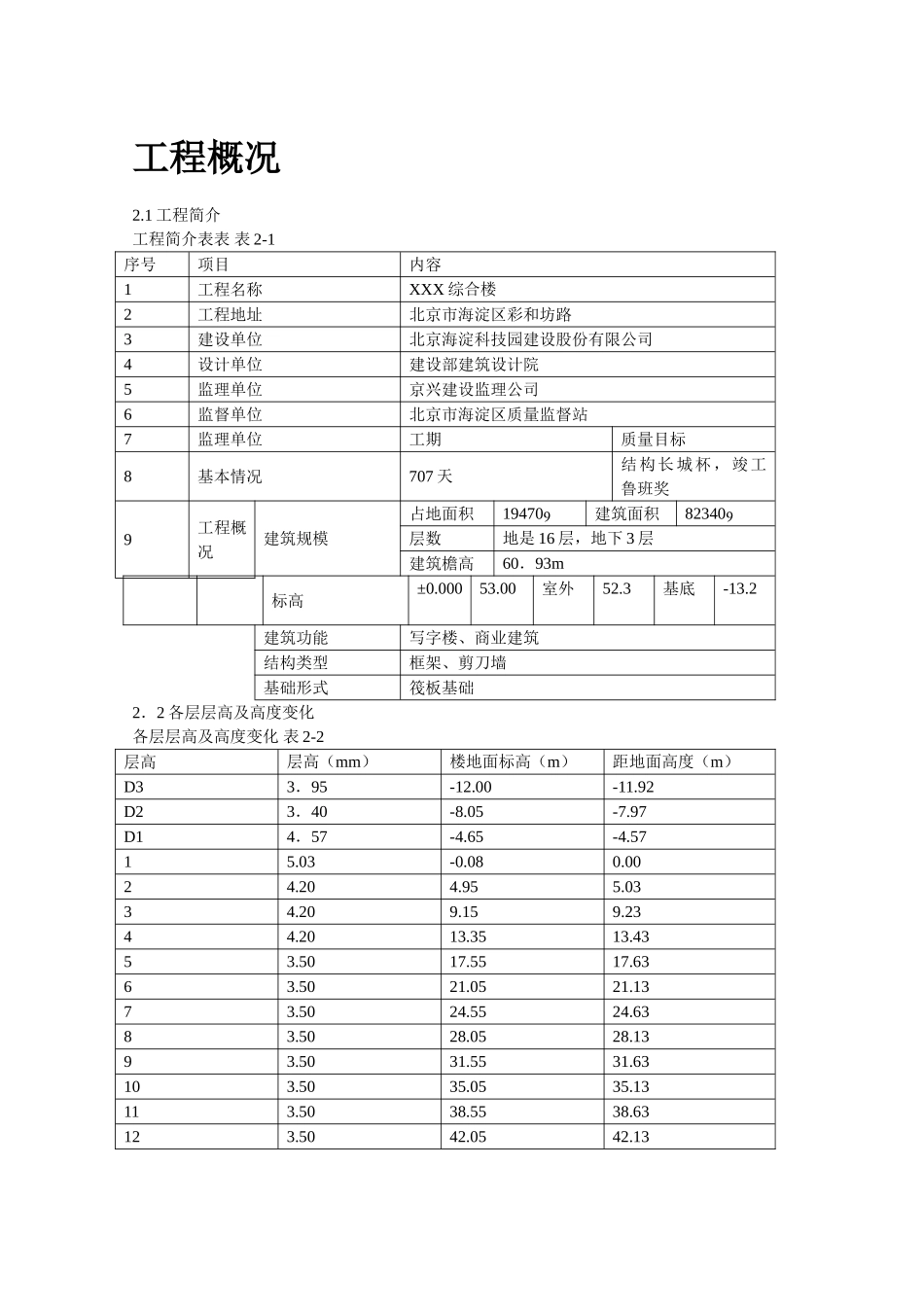
目录第一章 编制依据................................................................2第二章 工程概况................................................................4第三章 施工部署................................................................7第四章 构造要求及技术措施.....................................................10第五章 安全防护措施...........................................................20第六章 脚手架的搭设及拆除施工工艺.............................................22第七章 劳动力及材料、机具配备.................................................26第八章 质量保证体系...........................................................28第九章 安全施工技术措施.......................................................33第十章 文明施工要求...........................................................36第十一章 稳定承载计算.........................................................38第十二章 附图.................................................................56编制依据1.1 施工图纸施工图纸 表 1-1图纸名称图纸内容工程号归档日期设计单位建施 7~17,建施33~36海 淀 区 商 业 综合楼施工图纸结施 4~12,结施14、17、18、20、23、24、27、 28 、 结 施30~36、38、40~42、44、45~46中国建筑设计讨论院1.2 主要法律规范、规程主要法律规范、规程表 表 1-2序号法律规范、规程名称发布日期施行日期法律规范、规程编号1建筑施工扣件式钢管脚手架安全技术法律规范1991.12001.6JGJ130-20012建筑施工高处作业安全技术法律规范1992.011992.08.01JGJ80-913建筑施工安全检查标准1999.031999.05.01JQJ59-991.3 施工组织设计 施工组织设计表 表 1-3施组名称编制日期编制人XXX 综合楼施工组织设计2001.091.4 参考手册参考手册表 表 1-4序号法律规范、规程名称发布日期1建筑施工手册1991.12简明施工计算手册1999.73有用建筑施工安全手册1999.74建筑施工脚手架有用手册1994.5工程概况2.1 工程简介工程简介表表 表 2-1序号项目内容1工程名称XXX 综合楼2工程地址北京市海淀区彩和坊路3建设单位北京海淀科技园建设股份有限公司4设计单位建设部建筑设计院5监理单位京兴建设监理公司6监督单位北京市海淀区质量监督站7监理单位工期质量目标...

1、当您付费下载文档后,您只拥有了使用权限,并不意味着购买了版权,文档只能用于自身使用,不得用于其他商业用途(如 [转卖]进行直接盈利或[编辑后售卖]进行间接盈利)。
2、本站所有内容均由合作方或网友上传,本站不对文档的完整性、权威性及其观点立场正确性做任何保证或承诺!文档内容仅供研究参考,付费前请自行鉴别。
3、如文档内容存在违规,或者侵犯商业秘密、侵犯著作权等,请点击“违规举报”。

碎片内容

商综合楼工程脚手架设计施工方案说明书

文森传品+ 关注
实名认证
内容提供者

一家传播文化教育的小店,资料丰富,随意挑选。

确认删除?
VIP
微信客服
  • 扫码咨询
会员Q群
  • 会员专属群点击这里加入QQ群
客服邮箱
回到顶部