电脑桌面
添加小米粒文库到电脑桌面
安装后可以在桌面快捷访问

园林绿化工程隐蔽工程验收记录表

园林绿化工程隐蔽工程验收记录表_第1页
1/12
园林绿化工程隐蔽工程验收记录表_第2页
2/12
园林绿化工程隐蔽工程验收记录表_第3页
3/12
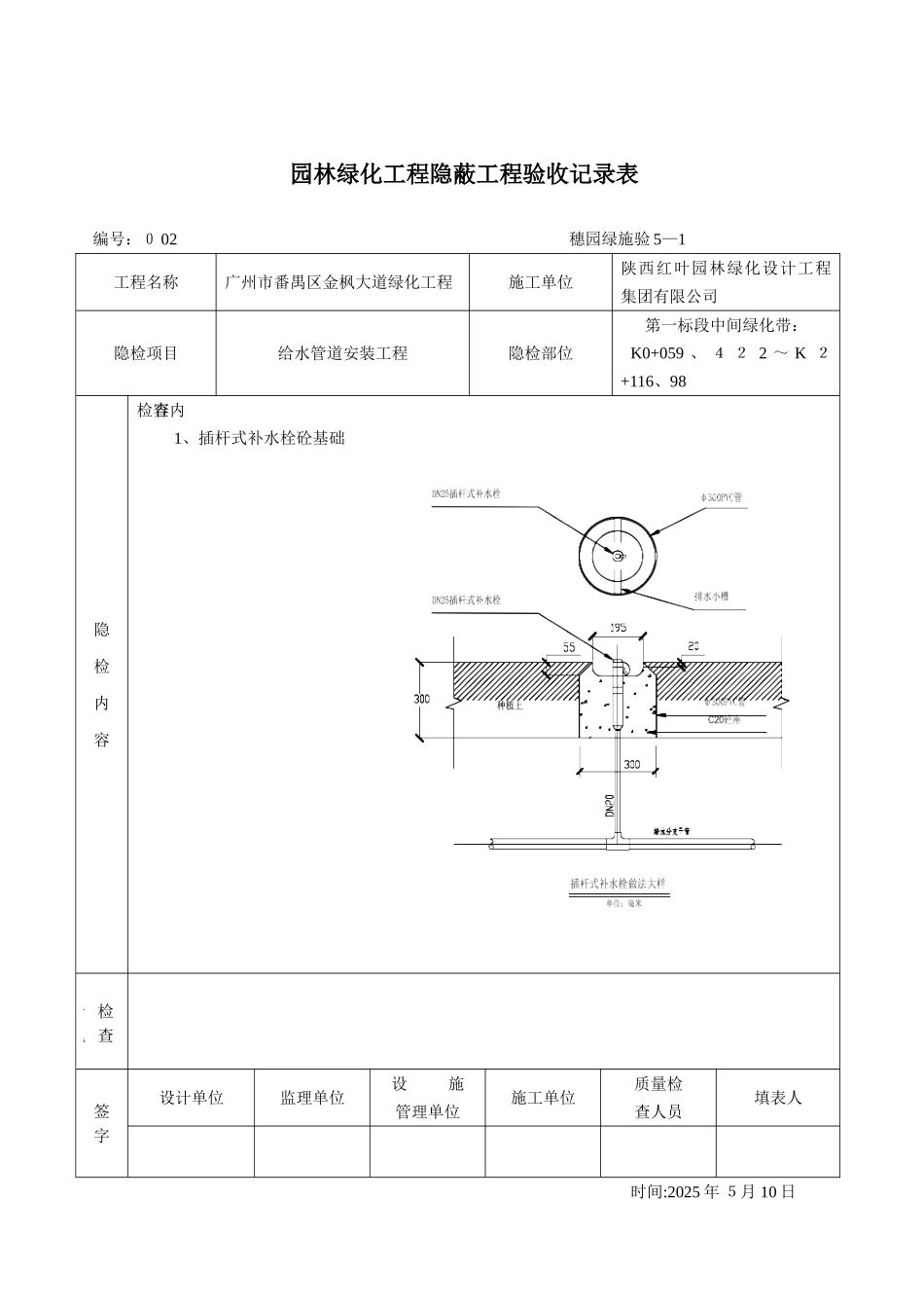
园林绿化工程隐蔽工程验收记录表编号:00 1 穗园绿施验 5-1工程名称广州市番禺区金枫大道绿化工程施工单位陕西红叶园林绿化设计工程集团有限公司隐检项目给水管道安装工程隐检部位第一标段中间绿化带: K0+059 、 422 ~ K2 + 116、98隐 检 内 容检查内容1、给水管沟开挖深度与宽度;2、给水管沟放线定位得准确性;3、管沟基础与土质得硬软情况;4、给水管道安装;5、球阀安装等; 检 查 情 况签 字设计单位监理单位设 施管理单位施工单位质量检查人员填表人时间:2025 年 5 月 10 日本表一式 3 份,业主、监理、施工单位各执一份园林绿化工程隐蔽工程验收记录表编号:0 02 穗园绿施验 5—1工程名称广州市番禺区金枫大道绿化工程施工单位陕西红叶园林绿化设计工程集团有限公司隐检项目给水管道安装工程隐检部位第一标段中间绿化带: K0+059 、 4 2 2 ~ K 2+116、98隐 检 内 容检查内容1、插杆式补水栓砼基础 检 查 情 况签 字设计单位监理单位设 施管理单位施工单位质量检查人员填表人时间:2025 年 5月 10 日本表一式 3 份,业主、监理、施工单位各执一份园林绿化工程隐蔽工程验收记录表编号:00 3 穗园绿施验 5—1工程名称广州市番禺区金枫大道绿化工程施工单位陕西红叶园林绿化设计工程集团有限公司隐检项目给水管道安装工程隐检部位第三标段中间绿化带: K2+6 3 7、0 2~K3+565、0 2隐 检 内 容检查内容1、给水管沟开挖深度与宽度;2、给水管沟放线定位得准确性;3、管沟基础与土质得硬软情况;4、给水管道安装;5、球阀安装等; 检 查 情 况签 字设计单位监理单位设 施管理单位施工单位质量检查人员填表人时间:2025 年 5 月 25 日本表一式3份,业主、监理、施工单位各执一份园林绿化工程隐蔽工程验收记录表编号:00 4 穗园绿施验 5—1工程名称广州市番禺区金枫大道绿化工程施工单位陕西红叶园林绿化设计工程集团有限公司隐检项目给水管道安装工程隐检部位第三标段中间绿化带: K2+ 637 、 02 ~ K3+565、02隐 检 内 容检查内容1、插杆式补水栓砼基础 检 查 情 况签 字设计单位监理单位设 施管理单位施工单位质量检查人员填表人时间:200 6 年 5 月 25 日本表一式3份,业主、监理、施工单位各执一份园林绿化工程隐蔽工程验收记录表编号:005 穗园绿施记—3工程名称广州市番禹区金枫大道绿化工程施工单位陕西红叶园林设计工...

1、当您付费下载文档后,您只拥有了使用权限,并不意味着购买了版权,文档只能用于自身使用,不得用于其他商业用途(如 [转卖]进行直接盈利或[编辑后售卖]进行间接盈利)。
2、本站所有内容均由合作方或网友上传,本站不对文档的完整性、权威性及其观点立场正确性做任何保证或承诺!文档内容仅供研究参考,付费前请自行鉴别。
3、如文档内容存在违规,或者侵犯商业秘密、侵犯著作权等,请点击“违规举报”。

碎片内容

园林绿化工程隐蔽工程验收记录表

您可能关注的文档

确认删除?
VIP
微信客服
  • 扫码咨询
会员Q群
  • 会员专属群点击这里加入QQ群
客服邮箱
回到顶部