电脑桌面
添加小米粒文库到电脑桌面
安装后可以在桌面快捷访问

基于单片机的智能浇灌系统课设报告

基于单片机的智能浇灌系统课设报告_第1页
1/34
基于单片机的智能浇灌系统课设报告_第2页
2/34
基于单片机的智能浇灌系统课设报告_第3页
3/34
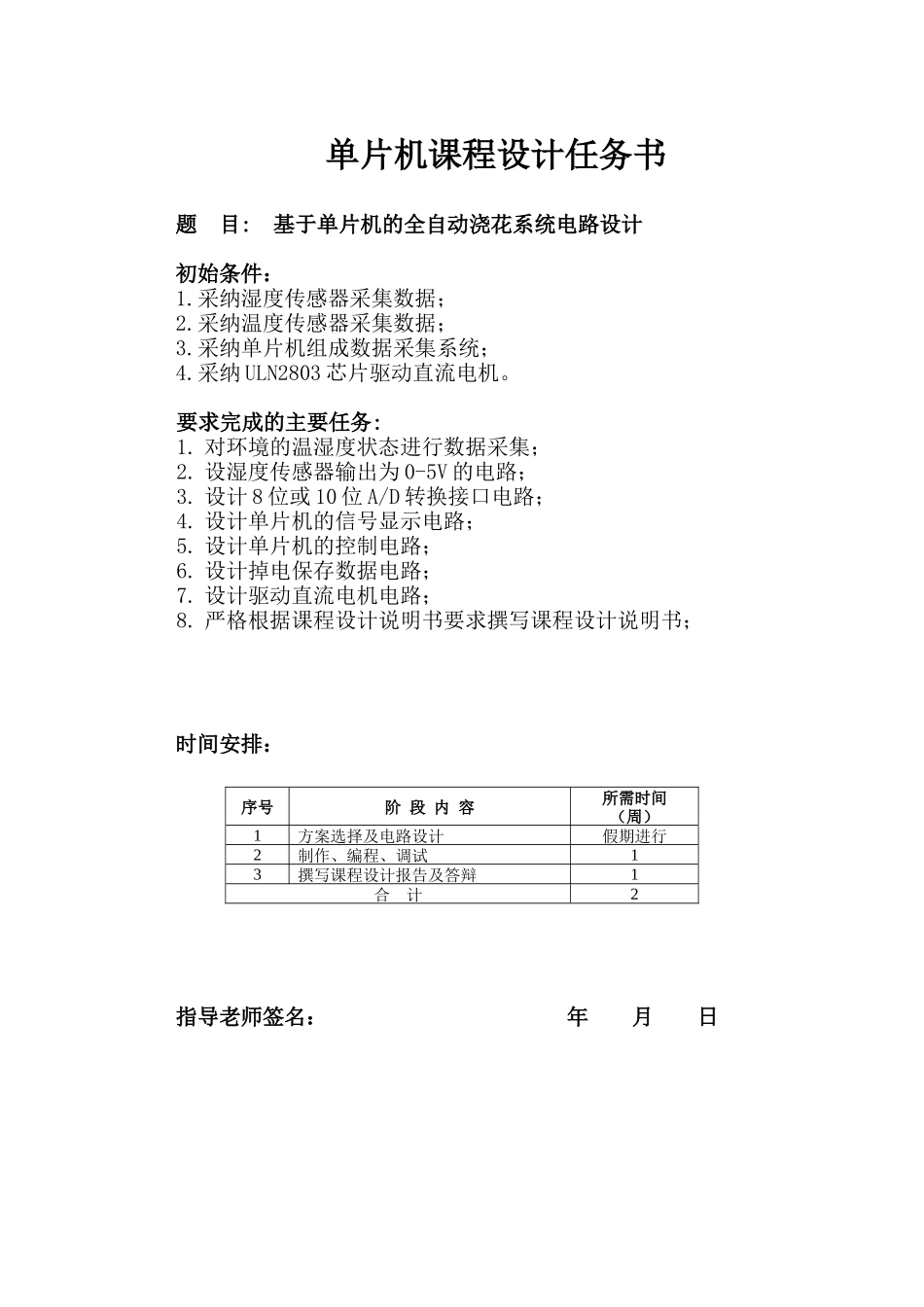
理工学院课程设计报告书 课 程 名 称 单片机原理及应用课程设计 课程设计总评成绩 学生姓名、学 号 学 生 专 业 班级 指 导 教 师 姓名 课程设计起止日期 单片机课程设计任务书题 目: 基于单片机的全自动浇花系统电路设计 初始条件:1.采纳湿度传感器采集数据;2.采纳温度传感器采集数据;3.采纳单片机组成数据采集系统; 4.采纳 ULN2803 芯片驱动直流电机。 要求完成的主要任务: 1. 对环境的温湿度状态进行数据采集;2. 设湿度传感器输出为 0-5V 的电路;3. 设计 8 位或 10 位 A/D 转换接口电路;4. 设计单片机的信号显示电路;5. 设计单片机的控制电路;6. 设计掉电保存数据电路;7. 设计驱动直流电机电路;8. 严格根据课程设计说明书要求撰写课程设计说明书;时间安排: 序号阶 段 内 容所需时间(周)1方案选择及电路设计假期进行2制作、编程、调试13撰写课程设计报告及答辩1合 计2指导老师签名: 年 月 日 基于单片机的全自动浇花系统设计摘要: 现代生活中,随着人们生活水平的提高,人们对花卉、树木等绿色植物的喜爱和种植越来越多,然而以前对花木的浇灌、施肥等工作都需要人工来实现,由于现代生活节奏加快,人们往往忙于工作而忘记及时为花卉补充水分和养料,导致花木枯死。水是植物生存、生长的最基本需要,因此,设计一种能够在无人管理的情况下为花木自动浇水的系统,能够有效解决花木因缺水而枯死的难题。 本系统是采纳 AT89C52 单片机为核心的全自动浇花系统。系统主要实现的功能是对花木的土壤中的湿度进行实时检测,当土壤湿度低于用户设定值时及时给花木浇水,当土壤湿度高于系统设定值时停止给花木浇水。关键词:C51 单片机 A/D 转换 IIC 通信协议 LCD1602 显示1 系统设计 本次设计包括 AT89C52 单片机及基本外围电路模块、温湿度检测电路模块、A/D 转换电路模块、显示电路模块、EEPROM 掉电数据保存电路模块、按键控制电路模块、电机驱动电路模块、电源电路模块等部分组成,具体设计方案如图 1-1 所示。图 1-1.系统框图2 硬件电路设计2.1 单片机本系统采纳 AT89C52 单片机。 图 2-1 单片机引脚图AT89C52 是一种带 4K 字节 FLASH 存储器(FPEROM—Flash Programmable and Erasable Read Only Memory)的低电压、高性能 CMOS 8 位微处理器,俗称单片机,如图 2-1 所示。AT89C2052 是一种带 4K 字节闪存可编程可擦除只读存...

1、当您付费下载文档后,您只拥有了使用权限,并不意味着购买了版权,文档只能用于自身使用,不得用于其他商业用途(如 [转卖]进行直接盈利或[编辑后售卖]进行间接盈利)。
2、本站所有内容均由合作方或网友上传,本站不对文档的完整性、权威性及其观点立场正确性做任何保证或承诺!文档内容仅供研究参考,付费前请自行鉴别。
3、如文档内容存在违规,或者侵犯商业秘密、侵犯著作权等,请点击“违规举报”。

碎片内容

基于单片机的智能浇灌系统课设报告

您可能关注的文档

一二三四传媒+ 关注
实名认证
内容提供者

大量资料供您选择,没有合适的可以联系小二。

确认删除?
VIP
微信客服
  • 扫码咨询
会员Q群
  • 会员专属群点击这里加入QQ群
客服邮箱
回到顶部