电脑桌面
添加小米粒文库到电脑桌面
安装后可以在桌面快捷访问

室内U-PVC排水管道安装技术交底

室内U-PVC排水管道安装技术交底_第1页
1/11
室内U-PVC排水管道安装技术交底_第2页
2/11
室内U-PVC排水管道安装技术交底_第3页
3/11
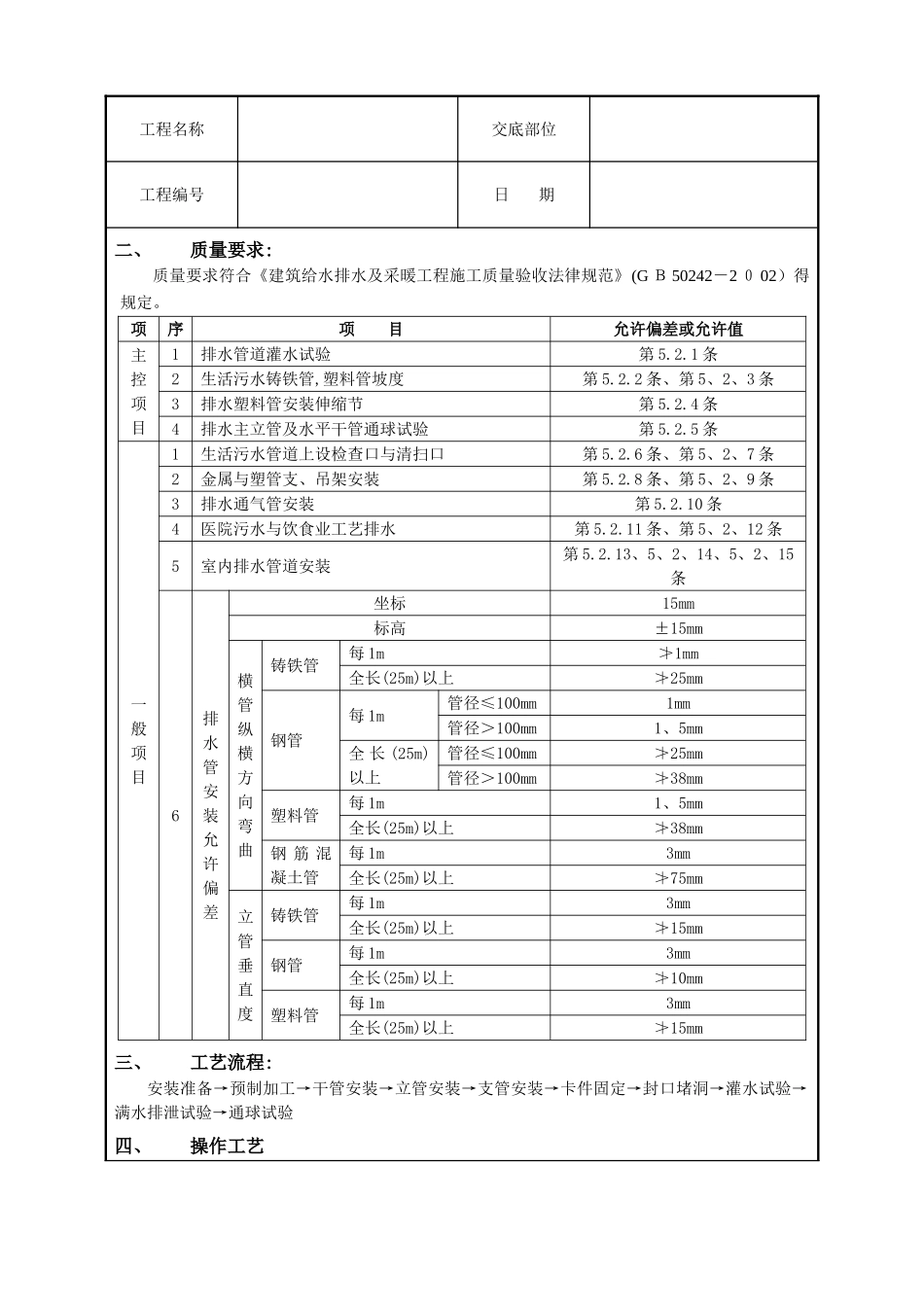
工程名称交底部位工程编号日 期交底内容:一、施工准备(一) 作业条件:UPVC 埋设管道,应开挖沟槽,沟槽要平直,必须有坡度,沟底夯实。地下铸铁排水管道得铺设必须在基础达到或接近±O、O O标高,房心回填到管底或稍高得高度,房心内沿管线位置无堆积物,且管线穿过建筑基础处,己按设计要求预留管洞。暗装管道(包括设备层、竖井、吊顶内得管道)首先应核对各种管道得标高、坐标得排列有无矛盾。预留孔洞、预埋件巳完成。土建支模巳拆除,操作场地清理洁净,安装高度超过 3、5 m应搭脚手,并做好安全防护。室内明装管道要与结构进度相隔二层得条件下进行安装。室内地平线应弹好 ,粗装修抹灰工程已完成。安装场地无障碍物。(二) 材料要求:硬质聚氯乙烯(UPVC)管材、管件、支架、粘接剂应就是管材厂家配套产品。管道规格尺寸应与卫生洁具连接适宜,并有产品质量合格证、相关检验报告及说明书。管材内外表层应光滑,无气泡、裂纹,管壁厚度均匀,色泽一致。直管段挠度不大于 1%。管件造型应规矩、光滑,无毛刺。承口应有梢度,并与插口配套。码放时地面要平,假如上架应多设几个支点防止管子变形。冬季防止冻坏,夏季防止太阳晒。用到得其她材料有:粘接剂、型钢、圆钢、卡件、螺栓、螺母、肥皂、铅笔等。铸铁排水管道及管件品种、规格应符合设计要求。灰口铸铁得管壁应厚度均匀,内外光滑洁净,无浮砂、包砂、粘砂,更不允许有砂眼、裂纹、飞刺与疙瘩。承插口得内外径及管件造型规矩,法兰接口平正光洁严密,地漏与返水弯得扣距必须一致,不得有偏扣、乱扣、方扣、丝扣不全等现象。青麻、油麻要整齐,不允许有腐朽现象。沥青漆、防锈漆、调与漆与银粉必须有产品合格证。水泥一般采纳强度等级 P、O32、5 得普通水泥,必须有产品合格证、出厂检测报告及进场复验报告。用到得其她材料有:汽油、机油、胶皮布、电气、焊条、型钢、螺栓、螺母、铅丝等。不得使用国家限制使用与淘汰落后得建材产品。主要设备、器具应有安装使用说明书。(三) 主要机具:U PVC 管道。机具:手电钻、冲击钻、手锯、铣口器、钢刮板、活扳手、手锤、套丝扳等。其她:水平尺、线坠、钢卷尺、小线、毛刷、棉布等。铸铁管道。机具:套丝机、电焊机、台钻、冲击钻、电锤、砂轮机等。工具:套丝扳、手锤、大锤、手锯、断管器、凿子、捻凿、麻钎、压力案、台虎钳、管钳、小车等。其她:水平尺、线坠、钢卷尺、小线等。工程名称交底部位工程编号日 期二、质量要求:质量要求符合《建筑给水排水及...

1、当您付费下载文档后,您只拥有了使用权限,并不意味着购买了版权,文档只能用于自身使用,不得用于其他商业用途(如 [转卖]进行直接盈利或[编辑后售卖]进行间接盈利)。
2、本站所有内容均由合作方或网友上传,本站不对文档的完整性、权威性及其观点立场正确性做任何保证或承诺!文档内容仅供研究参考,付费前请自行鉴别。
3、如文档内容存在违规,或者侵犯商业秘密、侵犯著作权等,请点击“违规举报”。

碎片内容

室内U-PVC排水管道安装技术交底

您可能关注的文档

文森传品+ 关注
实名认证
内容提供者

一家传播文化教育的小店,资料丰富,随意挑选。

确认删除?
VIP
微信客服
  • 扫码咨询
会员Q群
  • 会员专属群点击这里加入QQ群
客服邮箱
回到顶部