电脑桌面
添加小米粒文库到电脑桌面
安装后可以在桌面快捷访问

室内装修质量验收表1

室内装修质量验收表1_第1页
1/13
室内装修质量验收表1_第2页
2/13
室内装修质量验收表1_第3页
3/13
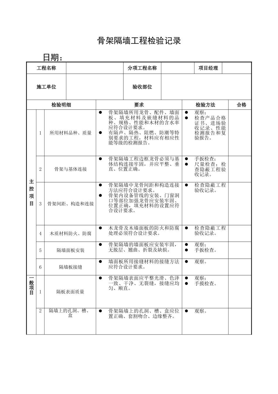
骨架隔墙工程检验记录 日期: 工程名称分项工程名称项目经理施工单位验收部位检验明细要求检验方法合格主控项目1所用材料品种、质量骨架隔墙所用龙骨、配件、墙面板、填充材料及嵌缝材料的品种、规格、性能和木材的含水率应符合设计要求。有隔声、隔热、阻燃、防潮等特别要求的工程,材料应有相应性能等级的检测报告。观察;检查产品合格证书、进场验收记录、性能检测报告和复验报告。2骨架与基体连接骨架隔墙工程边框龙骨必须与基体结构连接牢固,并应平整、垂直、位置正确。手扳检查;尺量检查;检查隐蔽工程验收记录。3骨架间距、构造和连接骨架隔墙中龙骨间距和构造连接方法应符合设计要求。骨架内设备管线的安装、门窗洞口等部位加强龙骨应安装牢固、位置正确,填充材料的设置应符合设计要求。检查隐蔽工程验收记录。4木质材料防火、防腐木龙骨及木墙面板的防火和防腐处理必须符合设计要求。检查隐蔽工程验收记录。5隔墙面板安装骨架隔墙的墙面板应安装牢固,无脱层、翘曲、折裂及缺损。观察;手扳检查。6隔墙板接缝墙面板所用接缝材料的接缝方法应符合设计要求。观察。一般项目1隔板表面质量骨架隔墙表面应平整光滑、色泽一致、干净、无裂缝,接缝应均匀、顺直。观察;手摸检查。2隔墙上的孔洞、槽、盒骨架隔墙上的孔洞、槽、盒应位置正确、套割吻合、边缘整齐。观察。3隔墙内的填充料骨架隔墙内的填充材料应干燥,填充应密实、均匀、无下坠。轻敲检查;检查隐蔽工程验收记录。4允许偏差项目允许偏差(mm)检 验 方 法实测值纸面石膏板人造木板水泥纤维板立面垂直度34用 2m 垂直检测尺检查。表面平整度33用 2m 靠尺和塞尺检查。阴阳角方正33用直角检测尺检查接缝直线度3拉 5m 线,不足 5m 拉通线,用钢直尺检查。压条直线度3拉 5m 线,不足 5m 拉通线,用钢直尺检查。接缝高低差11用钢直尺和塞尺检查。质 量 检 查结 果 评 定注:建筑装饰装修工程所使用的材料应按设计要求进行防火、防腐和防虫处理。饰面板安装工程检验记录 工程名称分项工程名称项目经理施工单位验收部位检验明细要求检验方法合格主控项目1材料要求饰面板的品种、规格、颜色 和 性 能 应 符 合 设 计 要求,木龙骨、木饰面板和塑料面板的燃烧性能等级应符合设计要求。观察;检查产品合格证书、进场验收记录和性能检测报告。2孔、槽设置饰面板孔、槽的数量、位置和尺寸应符...

1、当您付费下载文档后,您只拥有了使用权限,并不意味着购买了版权,文档只能用于自身使用,不得用于其他商业用途(如 [转卖]进行直接盈利或[编辑后售卖]进行间接盈利)。
2、本站所有内容均由合作方或网友上传,本站不对文档的完整性、权威性及其观点立场正确性做任何保证或承诺!文档内容仅供研究参考,付费前请自行鉴别。
3、如文档内容存在违规,或者侵犯商业秘密、侵犯著作权等,请点击“违规举报”。

碎片内容

室内装修质量验收表1

确认删除?
VIP
微信客服
  • 扫码咨询
会员Q群
  • 会员专属群点击这里加入QQ群
客服邮箱
回到顶部