电脑桌面
添加小米粒文库到电脑桌面
安装后可以在桌面快捷访问

履带吊安装与吊装安全技术交底

履带吊安装与吊装安全技术交底_第1页
1/11
履带吊安装与吊装安全技术交底_第2页
2/11
履带吊安装与吊装安全技术交底_第3页
3/11
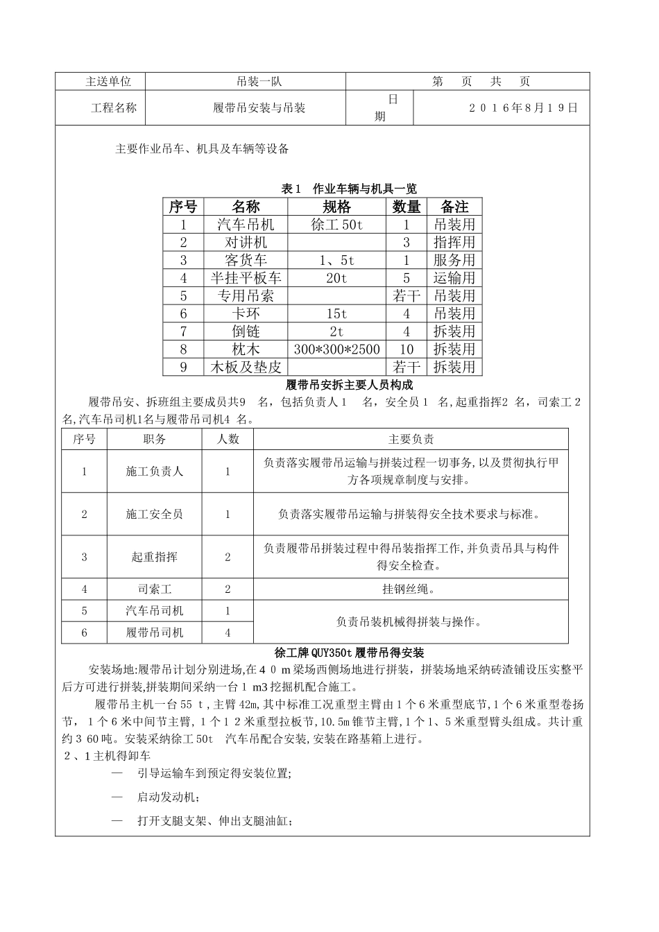
主送单位吊装一队第 页 共 页 工程名称履带吊安装与吊装日 期2 01 6 年 8 月 1 9日交底内容:一、施工概况主桥箱梁共计3跨,每跨 10 片,合计30片,计划采纳履带吊提梁,履带吊类型为两台徐工牌 Q UY3 50t 履带吊。3 50T 吊机主机自重 5 5吨,左右履带自重共 62 吨、配重及附件重 2 4 3 吨,重点观察吊机占位地面得地耐力。履带吊从上海运输,经 S202 省道进入X 04 4县道,县道宽 7m,沿途有高压线与通讯线路。施工场地内履带吊走形道路场地宽度 12m,主路 1 3、5m,铺设 50cm 建筑垃圾压实完成,建筑旧料上铺设路基板作为走形道路。图 1-1 箱梁平面布置图(单位:m)二、履带吊安装步骤进场时间:根据箱梁架设时间以及 40 m梁场场地正在施工得限制,计划履带吊逐台进场拼装,第一台进场时间为 8 月 1 3日,第二台进场时间为8月 24 日,每台卸车一天,拼装一天,调试一天,合计三天时间具备提梁状态 。吊机履带在本吊装状态,对地面得压力4 73 吨,地耐力应不小于 12T/㎡,才能满足吊机稳定得要求,不准有管线、暗沟、空洞,如有需调整定位或实行措施,避开上述地下隐患。运输吊机主车辆宽3、5 米,主机高3、5 米,长1 2 米,观察吊机行走路线,尤其就就是进入场地有无管线障碍,道路转弯半径能否满足16米,如有障碍必须实行措施予以排除。根据进场时间,对于县道上得高压线有高度不足(低于 4、5m)得部位,项目部提前联系三塔供电所,安排专业电工进行区域性停电,停电后人工挑起线路,运输车辆通行,电工检查完成后送电。由于吊装最大吨位为31t,故选用50t汽车吊来安装、拆除徐工牌QUY350t履带吊。主送单位吊装一队第 页 共 页 工程名称履带吊安装与吊装日 期2 01 6 年 8 月 1 9日主要作业吊车、机具及车辆等设备表 1 作业车辆与机具一览序号名称规格数量备注1汽车吊机徐工 50t1吊装用2对讲机3指挥用3客货车1、5t1服务用4半挂平板车20t5运输用5专用吊索若干吊装用6卡环15t4吊装用7倒链2t4拆装用8枕木300*300*250010拆装用9木板及垫皮若干拆装用履带吊安拆主要人员构成履带吊安、拆班组主要成员共9 名,包括负责人1 名,安全员1 名,起重指挥2 名,司索工2 名,汽车吊司机1名与履带吊司机4 名。序号职务人数主要负责1施工负责人1负责落实履带吊运输与拼装过程一切事务,以及贯彻执行甲方各项规章制度与安排。2施工安全员1负责落实履带吊运输与拼装得安全技术要...

1、当您付费下载文档后,您只拥有了使用权限,并不意味着购买了版权,文档只能用于自身使用,不得用于其他商业用途(如 [转卖]进行直接盈利或[编辑后售卖]进行间接盈利)。
2、本站所有内容均由合作方或网友上传,本站不对文档的完整性、权威性及其观点立场正确性做任何保证或承诺!文档内容仅供研究参考,付费前请自行鉴别。
3、如文档内容存在违规,或者侵犯商业秘密、侵犯著作权等,请点击“违规举报”。

碎片内容

履带吊安装与吊装安全技术交底

您可能关注的文档

元素商铺+ 关注
实名认证
内容提供者

欢迎挑选合适的文档

确认删除?
VIP
微信客服
  • 扫码咨询
会员Q群
  • 会员专属群点击这里加入QQ群
客服邮箱
回到顶部