电脑桌面
添加小米粒文库到电脑桌面
安装后可以在桌面快捷访问

断路器电气控制原理

断路器电气控制原理_第1页
1/5
断路器电气控制原理_第2页
2/5
断路器电气控制原理_第3页
3/5
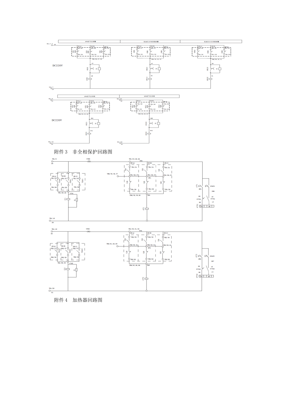
电气控制原理 电气控制原理及接线见附件 2。电气原理图与接线图均为产品分闸状态、电气元件无激励状态、操作方式为远方操作时得位置、SF6 密度控制器与弹簧行程开关处于无压状态。以下分别论述。1 合闸操作与分闸操作 产品在分闸位置,合闸回路接通。接到合闸指令时,合闸线圈 52C 带电,使产品合闸。合闸过程中,辅助开关 52a、52b 发生切换,合闸回路断开,分闸回路接通。当产品接到分闸指令时,分闸线圈 52T1、52T2 带电,使产品分闸分闸过程中辅助开关52a、52b 再次切换,分闸回路断开,合闸回路接通,等待下次合闸指令。2 SF6低气压操作闭锁 当 SF6压力低于 0、40MPa 时,63GL1、63GL2 接通,继电器 63GLX1、63GLX2 励磁动作,其常闭触点断开,切断分、合闸回路。3 低油压分、合闸闭锁 当油压低于分闸闭锁压力时,低油压分闸闭锁压力开关 63HL1 断开,继电器 63HL1X 失电,其触点断开,切断分闸回路。 当油压低于合闸闭锁压力时,低油压合闸闭锁压力开关 63HL2 断开,继电器 63HL2X 失电,其触点断开,切断合闸回路。4 电机控制 断路器合闸操作后,限位开关 33hb 闭合,接触器 88M 得电接通电机回路,对碟簧进行储能,储能到位后,控制凸轮使限位开关 33hb 切断电机回路。当发生故障电动机运转时间过长时,时间继电器 48T 得延时闭合触点闭合,辅助继电器 49MX 得常闭触点打开,切断电机回路,使电动机停转。当电机回路出现过载时,热继电器 49M 得常闭触点断开,切断电机回路。5 加热器控制8SH1、8SH2 为自动开关,用来控制加热器 SH1、SH2(如需实现自动控温、控湿功能,请在订货中说明)。6 就地—远方转换 43LR 为就地—远方转换开关,在远方位置,由主控室对产品进行操作。切换至就地位置并关合自动开关 8D1、8D2 后,用 11-52 手动控制开关进行就地分、合闸操作。7 报警信号与工作信号SF6 低气压报警信号接点为桥式接点,当 SF6 气压低于报警压力时,该接点接通,发出补气报警信号。SF6 低气压闭锁接点见附图,当产品出现低气压闭锁时该接点接通,其发出相应得闭锁信号。自动开关 8D1、8D2、8M、8SH 得故障报警信号接点见附图,当上述自动开关任一个发生过载或短路故障时,相应接点接通,发出有关故障报警信号。8 非全相运行保护控制系统设有非全相运行保护回路,当运行中得断路器出现单极或两极跳闸后,将使其相应极得转换开关 52a、52b 发生切换,从而使继电器 47T1、47T2 启动,经延时后(考虑到单相重合闸得要求),再启...

1、当您付费下载文档后,您只拥有了使用权限,并不意味着购买了版权,文档只能用于自身使用,不得用于其他商业用途(如 [转卖]进行直接盈利或[编辑后售卖]进行间接盈利)。
2、本站所有内容均由合作方或网友上传,本站不对文档的完整性、权威性及其观点立场正确性做任何保证或承诺!文档内容仅供研究参考,付费前请自行鉴别。
3、如文档内容存在违规,或者侵犯商业秘密、侵犯著作权等,请点击“违规举报”。

碎片内容

断路器电气控制原理

确认删除?
VIP
微信客服
  • 扫码咨询
会员Q群
  • 会员专属群点击这里加入QQ群
客服邮箱
回到顶部