电脑桌面
添加小米粒文库到电脑桌面
安装后可以在桌面快捷访问

新生堂工程防汛应急预案

新生堂工程防汛应急预案_第1页
1/6
新生堂工程防汛应急预案_第2页
2/6
新生堂工程防汛应急预案_第3页
3/6
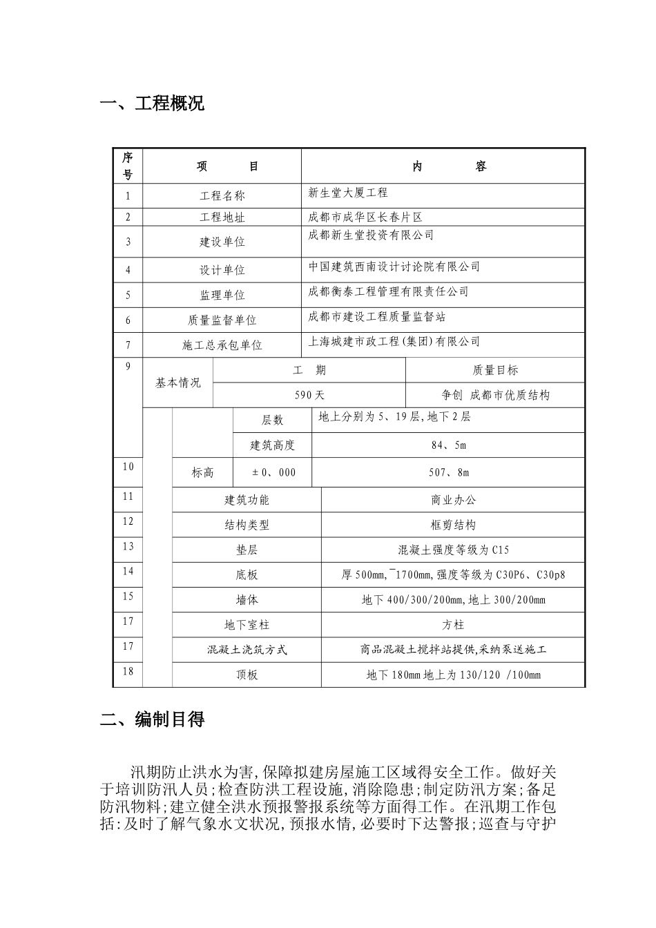
上海城建市政工程(集团)有限公司新生堂大厦防汛防洪施工组织设计编制: 审核: 审定: 上海城建市政工程(集团)有限公司新生堂大厦项目经理部2016/4/22目 录一、工程概况............................................................................................2二、编制目得 ............................................................................................ 2 三、防汛工作总目标 .............................................................................. 3 四、雨季防汛措施 ................................................................................... 3 五、应急准备 ............................................................................................ 3 六、雨情分类 ............................................................................................ 4 七、培训与演练 与善后工作 ................................................................. 5 八、其它应注意得问题 .......................................................................... 5 附页 : ............................................................................................................. 5 雨期防汛应急预案方案一、工程概况序号项 目内 容1工程名称新生堂大厦工程2工程地址成都市成华区长春片区3建设单位成都新生堂投资有限公司4设计单位中国建筑西南设计讨论院有限公司5监理单位成都衡泰工程管理有限责任公司6质量监督单位成都市建设工程质量监督站7施工总承包单位上海城建市政工程(集团)有限公司9基本情况工 期质量目标590 天争创 成都市优质结构层数地上分别为 5、19 层,地下 2 层建筑高度84、5m10标高±0、000507、8m11建筑功能商业办公12结构类型框剪结构 13垫层混凝土强度等级为 C1514底板厚 500mm,~1700mm,强度等级为 C30P6、C30p815墙体地下 400/300/200mm,地上 300/200mm17地下室柱方柱17混凝土浇筑方式商品混凝土搅拌站提供,采纳泵送施工18顶板地下 180mm 地上为 130/120 /100mm二、编制目得汛期防止洪水为害,保障拟建房屋施工区域得安全工作。做好关于培训防汛人员;检查防洪工程设施,消除隐患;制定防汛方案;备足防汛物料;建立健全洪水预报警报系统等方面得工作。在汛期工作包括:及时了解气象水文状况,预报...

1、当您付费下载文档后,您只拥有了使用权限,并不意味着购买了版权,文档只能用于自身使用,不得用于其他商业用途(如 [转卖]进行直接盈利或[编辑后售卖]进行间接盈利)。
2、本站所有内容均由合作方或网友上传,本站不对文档的完整性、权威性及其观点立场正确性做任何保证或承诺!文档内容仅供研究参考,付费前请自行鉴别。
3、如文档内容存在违规,或者侵犯商业秘密、侵犯著作权等,请点击“违规举报”。

碎片内容

新生堂工程防汛应急预案

您可能关注的文档

文旅传媒+ 关注
实名认证
内容提供者

传播文化,成就未来

确认删除?
VIP
微信客服
  • 扫码咨询
会员Q群
  • 会员专属群点击这里加入QQ群
客服邮箱
回到顶部