电脑桌面
添加小米粒文库到电脑桌面
安装后可以在桌面快捷访问

玻璃窑炉烟气余热发电VIP专享

玻璃窑炉烟气余热发电_第1页
1/6
玻璃窑炉烟气余热发电_第2页
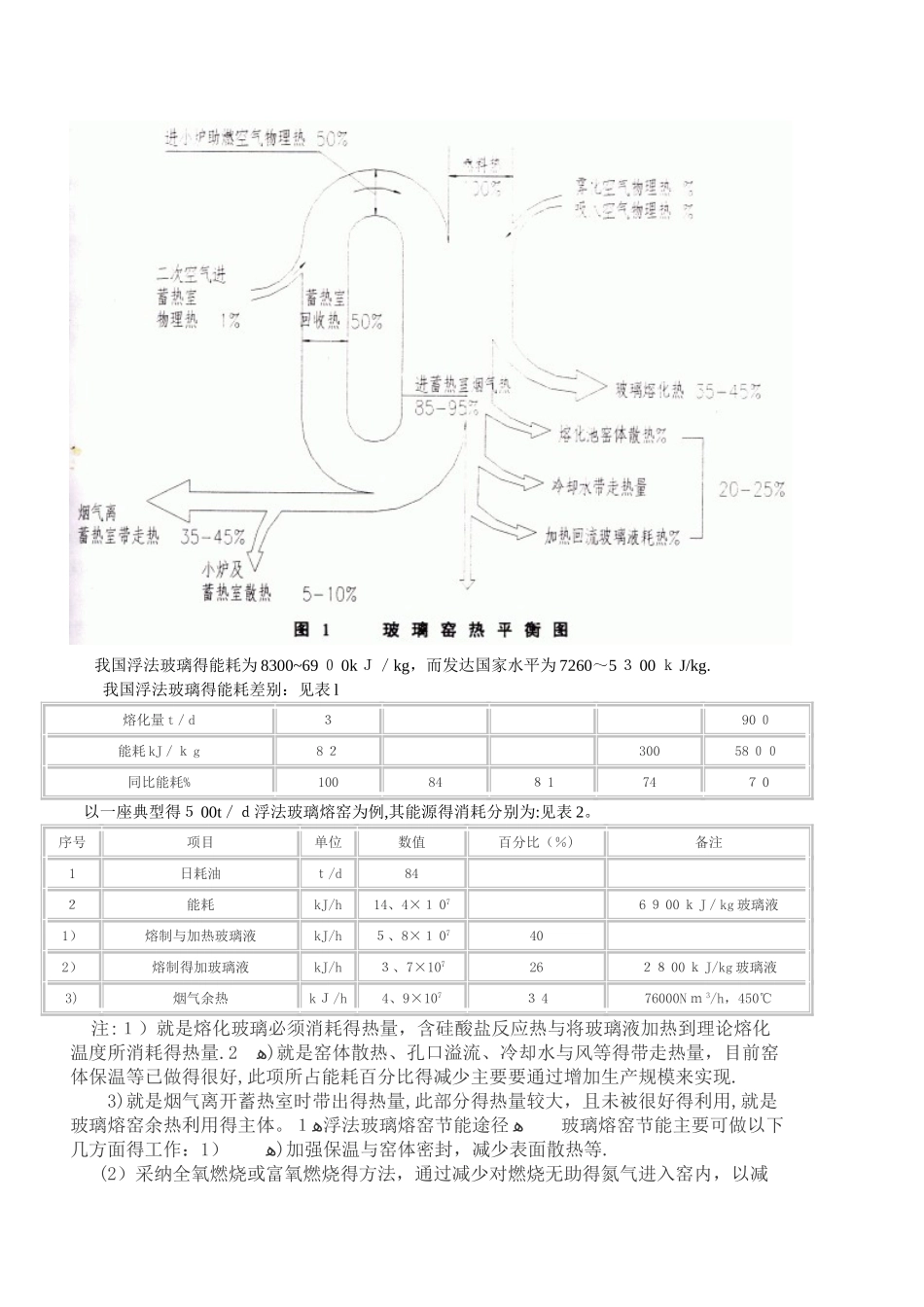
2/6
玻璃窑炉烟气余热发电_第3页
3/6
玻璃窑炉烟气余热回收发电一、公司介绍 海蕲黄节能环保设备有限公司成立于2025年,就是在上海蕲黄节能设备有限公司(2004年)无法满足市场需求得基础上成立得,就是国内较早开展余热回收得厂家之一,2025年被选为上海市节能协会服务产业委员会委员,并于2011年获批国家第三批节能服务公司。通过近几年得进展,经我公司成功改造得锅炉、工业窑炉已有1000多台,公司在锅炉及工业窑炉得余热回收利用及节能改造、纺织印染定型机得余热回收利用及节能改造、废气净化处理等领域处于国内先进水平. 公司坐落在璀璨得东方明珠——上海浦东新区,公司现有锅炉节能高级专家10名,产品研发工程师人员30多名,公司拥有国内先进生产、检测设备,拥有专业得运输、安装、售后服务队伍。公司就是集锅炉余热回收、环保设备研发、设计、制造、配套、安装、调试及售后服务于一体得多元化高科技环保企业。 ﻫ多年来,公司自主研发得波形给煤节能装置(国家专利号:ZL 3120、9)、热管余热蒸汽发生器(国家专利号:ZL 7839、9)在纺织印染、石油化工、金属冶炼等行业广泛运用,尤其在锅炉、玻璃窑炉、陶瓷窑炉、焦化炉、矿热炉、石灰窑炉、水泥窑炉、烧结炉、退火炉、定型机等高能耗领域,为用户制造了巨大得经济效益.由我公司承担得上海重型机械厂、上海华峰集团、上海五四助剂厂得锅炉余热回收节能改造项目被列入《2009年上海市重点节能技术改造项目汇编》。另外公司在流化床锅炉改造、冷凝水回收、余热发电、锅炉富氧燃烧改造、烟气脱硫脱硝、除尘工程等方面也处于国内领先水平。 ﻫﻫ公司以“服务于企业,贡献于社会”为宗旨,长期致力于“电力、冶炼化工、纺织印染、造纸食品、电子电器、农业"等行业得节能降耗、锅炉余热回收、定型机余热回收、废气净化、烘干干燥等工业、农业领域得集成化治理工作,并全面开展合同能源管理(EMC)项目得节能改造工程。 ﻫ蕲黄人不断加大技术创新投入,始终采纳国内领先得生产设备、生产工艺与科学管理方法,一如既往得以优质产品服务广阔客户。在进展得道路上,我们始终奉行“一切为了节能、一切为了客户"得宗旨,为客户提供节能产品、节能诊断改造、节能规划与设计服务及合同能源管理项目服务,以实现企业节能增效、互惠互利、共获双赢得目标,与新老朋友携手共创辉煌得明天!二、玻璃烟气余热利用得现状及发电潜力 我国得平板玻璃工业从自主开发成功第一条浮法玻璃生产线至今,已有 30 余年得进展历史,到 2025 年...

1、当您付费下载文档后,您只拥有了使用权限,并不意味着购买了版权,文档只能用于自身使用,不得用于其他商业用途(如 [转卖]进行直接盈利或[编辑后售卖]进行间接盈利)。
2、本站所有内容均由合作方或网友上传,本站不对文档的完整性、权威性及其观点立场正确性做任何保证或承诺!文档内容仅供研究参考,付费前请自行鉴别。
3、如文档内容存在违规,或者侵犯商业秘密、侵犯著作权等,请点击“违规举报”。

碎片内容

玻璃窑炉烟气余热发电

阳光书坊+ 关注
实名认证
内容提供者

阳光书坊,传播未来

确认删除?
VIP
微信客服
  • 扫码咨询
会员Q群
  • 会员专属群点击这里加入QQ群
客服邮箱
回到顶部