电脑桌面
添加小米粒文库到电脑桌面
安装后可以在桌面快捷访问

监理平行检验记录表

监理平行检验记录表_第1页
1/35
监理平行检验记录表_第2页
2/35
监理平行检验记录表_第3页
3/35
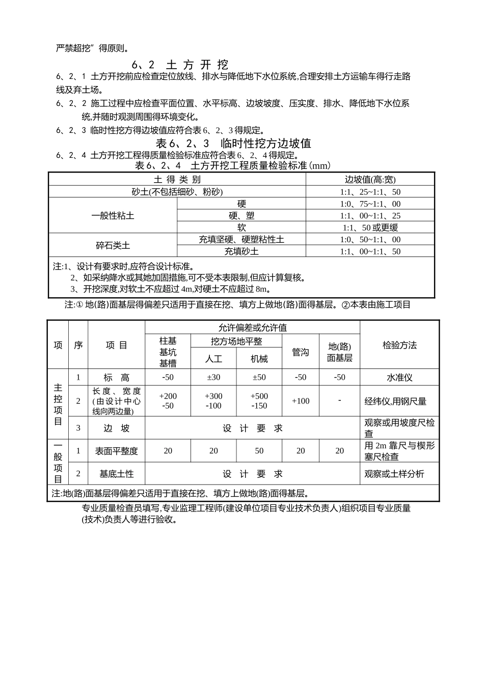
土方开挖工程监理平行检验记录表(GB50202-2025)表 6、2、4 编号:010101□□□工程名称分项工程名称项目经理施工单位验收部位施工执行标准名称及编号质 量 验 收 规 范 得 规 定 监理单位实测记录检 查 项 目质量要求(mm)柱基基坑基槽挖方场地平整管沟地(路)面基层人工 机械主控项目1标 高50±30±5050502长度、宽度(由设计中心线向两边量)+20050+300100+500150+1003边 坡设计要求:4一般项目1基底土性20205020202表面平整度设计要求: 监理单位验收结论监理单位参加验收人员 年 月 日010101□□□说明 强 制 性 条 文7、1、3 土方开挖得顺序、方法必须与设计工况相一致,并遵循“开槽支撑,先撑后挖,分层开挖,严禁超挖”得原则。 6、2 土 方 开 挖6、2、1 土方开挖前应检查定位放线、排水与降低地下水位系统,合理安排土方运输车得行走路线及弃土场。6、2、2 施工过程中应检查平面位置、水平标高、边坡坡度、压实度、排水、降低地下水位系统,并随时观测周围得环境变化。6、2、3 临时性挖方得边坡值应符合表 6、2、3 得规定。表 6、2、3 临时性挖方边坡值6、2、4 土方开挖工程得质量检验标准应符合表 6、2、4 得规定。表 6、2、4 土方开挖工程质量检验标准(mm)注:① 地(路)面基层得偏差只适用于直接在挖、填方上做地(路)面得基层。②本表由施工项目专业质量检查员填写,专业监理工程师(建设单位项目专业技术负责人)组织项目专业质量(技术)负责人等进行验收。土 得 类 别边坡值(高:宽)砂土(不包括细砂、粉砂)1:1、25~1:1、50一般性粘土硬1:0、75~1:1、00硬、塑1:1、00~1:1、25软1:1、50 或更缓碎石类土充填坚硬、硬塑粘性土1:0、50~1:1、00充填砂土1:1、00~1:1、50注:1、设计有要求时,应符合设计标准。2、如采纳降水或其她加固措施,可不受本表限制,但应计算复核。3、开挖深度,对软土不应超过 4m,对硬土不应超过 8m。项序项 目允许偏差或允许值检验方法柱基基坑基槽挖方场地平整管沟地(路)面基层人工机械主控项目1标 高50±30±505050水准仪2长 度 、 宽 度( 由 设 计 中 心线向两边量)+20050+300100+500150+100经纬仪,用钢尺量3边 坡设 计 要 求观察或用坡度尺检查一般项目1表面平整度2020502020用 2m 靠尺与楔形塞尺检查2基底土性设 计 要 求观察或土样分析注:地(路)面基层得偏差只适用于直接在挖、填方上做地(路)面得基层。土方回填工程监理平行检...

1、当您付费下载文档后,您只拥有了使用权限,并不意味着购买了版权,文档只能用于自身使用,不得用于其他商业用途(如 [转卖]进行直接盈利或[编辑后售卖]进行间接盈利)。
2、本站所有内容均由合作方或网友上传,本站不对文档的完整性、权威性及其观点立场正确性做任何保证或承诺!文档内容仅供研究参考,付费前请自行鉴别。
3、如文档内容存在违规,或者侵犯商业秘密、侵犯著作权等,请点击“违规举报”。

碎片内容

监理平行检验记录表

您可能关注的文档

文森传品+ 关注
实名认证
内容提供者

一家传播文化教育的小店,资料丰富,随意挑选。

相关文档

确认删除?
VIP
微信客服
  • 扫码咨询
会员Q群
  • 会员专属群点击这里加入QQ群
客服邮箱
回到顶部