电脑桌面
添加小米粒文库到电脑桌面
安装后可以在桌面快捷访问

码头钢平台施工方案

码头钢平台施工方案_第1页
1/8
码头钢平台施工方案_第2页
2/8
码头钢平台施工方案_第3页
3/8
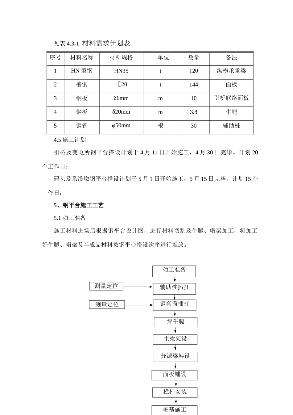
钢平台施工方案1、工程概况本工程位于柬埔寨西哈努克市(Sihanoukville)及西哈努克港以北约 15km,苏基密(Sokimex)原油码头以北 4km 处海岸。本项目嵌岩桩施工重要包括码头桩基础,引桥及变电所桩基础,取排水口警示桩和防护桩等桩基施工。码头及系缆墩设计嵌岩桩 43 根,桩径 1.2m,桩顶高程1.45m;码头通过布置于中部引桥与陆域连接,引桥长 486m,宽 8m,设计嵌岩桩59 根,桩径 1.0m,桩顶标高 2.1m。引桥 13-20 号墩以及码头平台、系缆墩嵌岩桩采纳打桩船施打嵌岩桩护筒,以护筒为支撑焊接工作平台,打桩机在工作平台上进行嵌岩桩混凝土施工。引桥各钢平台之间采纳小型钢栈连接,小型钢栈桥单跨长 8m、11m,宽 1.5m,采纳辅助桩及槽钢连接,槽钢上铺设 6mm 钢板作为面层。2、钢平台设计2.1.钢平台构造尺寸引桥钢平台设计 A 类 5 个(7m×8m)、A1 类 3 个(7m×8m)、A2 类 1 个(12m×8m);码头平台设计 B 类 12 个(7m×8m,)、C 类平台 4 个(6m×8m);系缆墩钢平台设计 D 类 2 个(8m×8m);变电所钢平台设计 1 个(18m×14m)。2.2.主梁形式选择引桥及系缆墩钢平台设计运用嵌岩桩钢护筒作为平台墩柱,引桥及系缆墩处在钢护筒附近增长两根 Φ500×9mm 辅助钢管桩(系缆墩 4 根辅助桩),与引桥及系缆墩钢护筒共同形成平台基础,铺设 HN35 型钢作为纵横梁,[20 槽钢作为面板。周围设置 1.2m 高防落网,以利安全施工。码头及变电所平台钢平台设计采纳钢护筒作为施工墩台,各钢护筒之间共同形成平台基础,铺设 HN35 型钢作为纵横梁,[20 槽钢作为面板。周围设置 1.2m 高防落网,以利安全施工。3、施工总体布置、资源配置及施工计划钢平台搭设次序:引桥—变电所平台—码头平台—系缆墩平台。引桥自 13#墩台—20#墩台施工,码头平台自 1#—11#施工。4、人力资源平台搭设劳动力计划见表 4.1-1。表 4.1-1 劳动力需求表序号工种单位数量备注1技术管理人员人42起重工人23电工人15电焊工人106司机人27普工人28合计人274.2 机械设备资源机械设备计划见表 4.2-1。表 4.2-1 机械计划需求表序号名称规格单位数量备注1电焊机台52履带吊50t台13发电机45kw台24平板拖车台15全站仪台16水准仪台17钢尺50m把14.3.材料钢平台所需材料见 4.3-1。见表 4.3-1 材料需求计划表序号材料名称材料规格单位数量备注1HN 型钢HN35t120纵横承重梁2槽钢[20t144面板3钢板δ6mmm10引桥联络面板4钢...

1、当您付费下载文档后,您只拥有了使用权限,并不意味着购买了版权,文档只能用于自身使用,不得用于其他商业用途(如 [转卖]进行直接盈利或[编辑后售卖]进行间接盈利)。
2、本站所有内容均由合作方或网友上传,本站不对文档的完整性、权威性及其观点立场正确性做任何保证或承诺!文档内容仅供研究参考,付费前请自行鉴别。
3、如文档内容存在违规,或者侵犯商业秘密、侵犯著作权等,请点击“违规举报”。

碎片内容

码头钢平台施工方案

确认删除?
VIP
微信客服
  • 扫码咨询
会员Q群
  • 会员专属群点击这里加入QQ群
客服邮箱
回到顶部