电脑桌面
添加小米粒文库到电脑桌面
安装后可以在桌面快捷访问

线路设计手册

线路设计手册_第1页
1/38
线路设计手册_第2页
2/38
线路设计手册_第3页
3/38
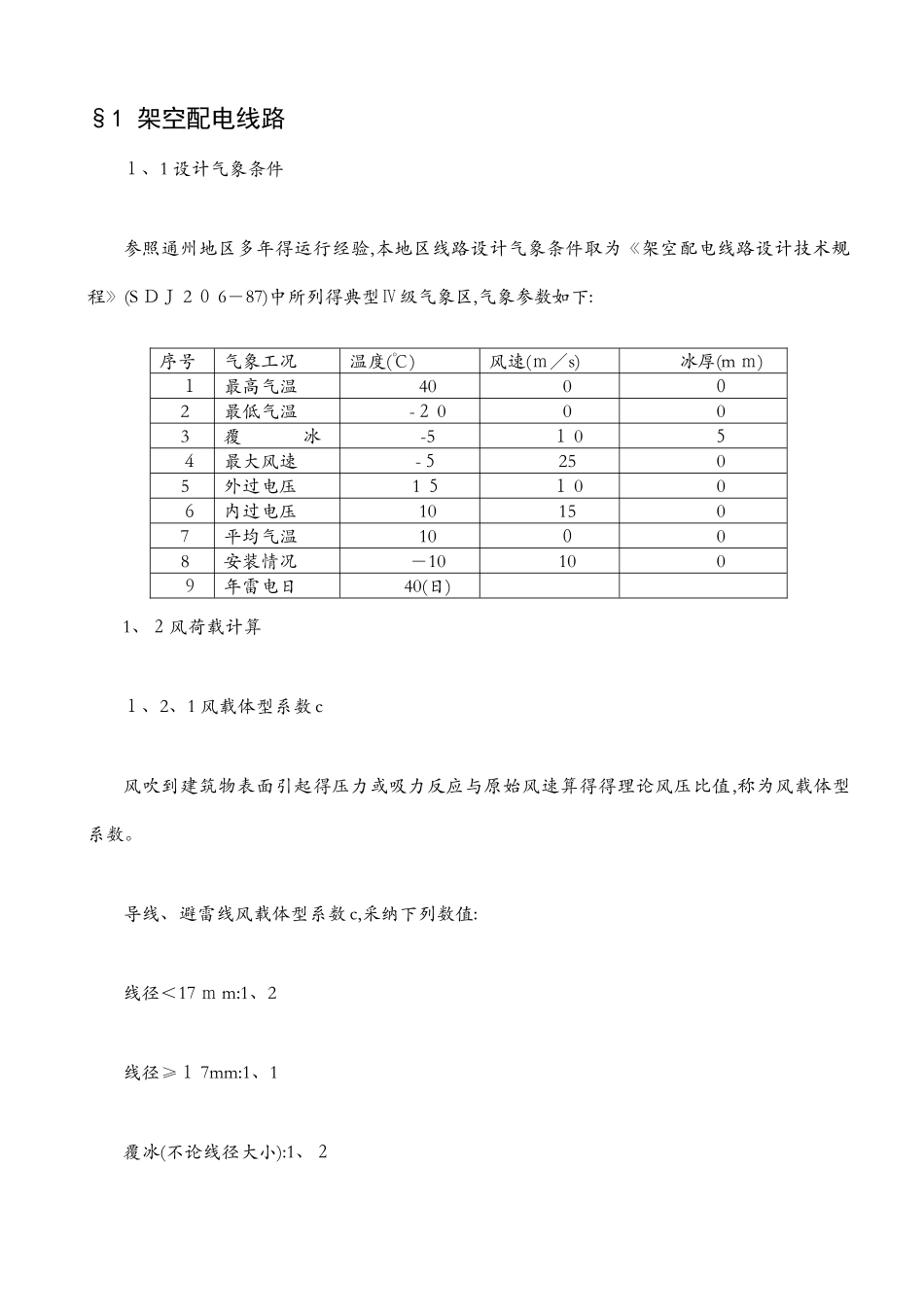
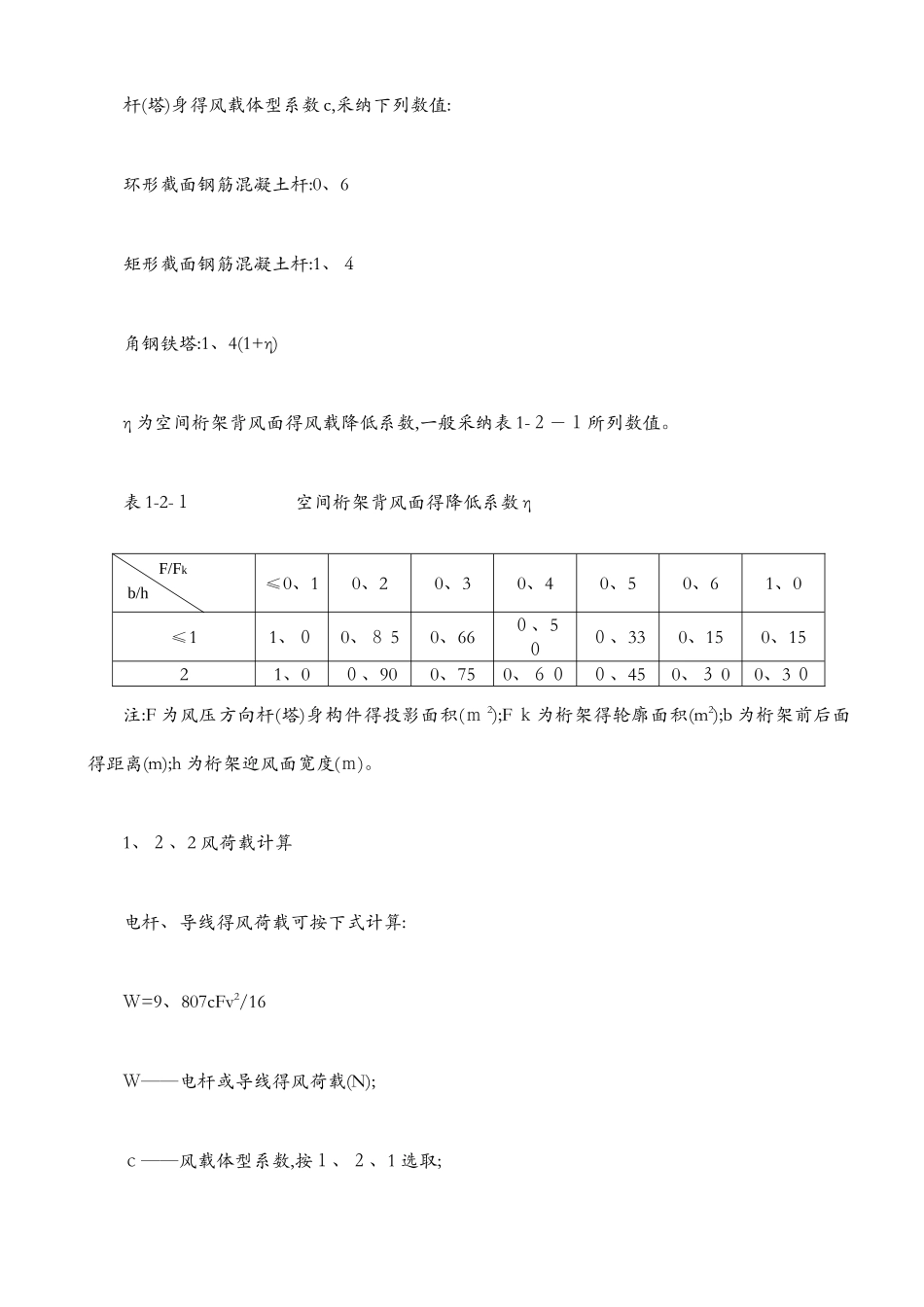
§1 架空配电线路1、1 设计气象条件参照通州地区多年得运行经验,本地区线路设计气象条件取为《架空配电线路设计技术规程》(S DJ 2 0 6-87)中所列得典型Ⅳ级气象区,气象参数如下: 序号气象工况温度(℃)风速(m/s)冰厚(m m)1最高气温40002最低气温-2 0003覆 冰-51 054最大风速-52505外过电压1 51 006内过电压101507平均气温10008安装情况-101009年雷电日40(日)1、2风荷载计算1、2、1 风载体型系数 c风吹到建筑物表面引起得压力或吸力反应与原始风速算得得理论风压比值,称为风载体型系数。导线、避雷线风载体型系数 c,采纳下列数值:线径<17 m m:1、2线径≥1 7mm:1、1覆冰(不论线径大小):1、2F/Fkb/h杆(塔)身得风载体型系数 c,采纳下列数值:环形截面钢筋混凝土杆:0、6矩形截面钢筋混凝土杆:1、4角钢铁塔:1、4(1+η)η 为空间桁架背风面得风载降低系数,一般采纳表 1-2-1所列数值。表 1-2-1 空间桁架背风面得降低系数 η≤0、10、20、30、40、50、61、0≤11、00、8 50、660、500、330、150、1521、00、900、750、600、450、3 00、3 0注:F 为风压方向杆(塔)身构件得投影面积(m 2);F k为桁架得轮廓面积(m2);b 为桁架前后面得距离(m);h 为桁架迎风面宽度(m)。1、2、2 风荷载计算电杆、导线得风荷载可按下式计算:W=9、807cFv2/16W——电杆或导线得风荷载(N);c——风载体型系数,按1、2、1 选取;F——电杆杆身侧面得投影面积或导线直径与水平档距得乘积(m 2);水平档距 lh=(l1+l 2)/2,式中 l1、l2分别为电杆两侧得档距;v——设计风速(m/s)。1、3 导线1、3、1 导线设计安全系数 表 1-3-1 导线设计最小安全系数导线种类单 股多 股一般地区重要地区L J、L GJ-2、53、0TJ2、52、02、5架空绝缘线-3、03、01、3、2 导线常用参数铝绞线、钢芯铝绞线、架空绝缘线物理特性参数及长期允许载流量可按下述表格进行选取。表1-3-2 铝绞线得弹性系数和线膨胀系数单线根数最终弹性系数 E(实际值)(N/ mm2)线膨胀系数 α(×10-6 1/℃)7590002 3、01 9560002 3、03 756 0 0023、0615 40 0023、0注:弹性系数值得精确度为±3 00 0N/m m2;弹性系数适用于受力在 15%~50%计算拉断力得铝绞线。表 1-3-3 钢芯铝绞线得弹性系数和线膨胀系数结 构铝钢截面比最终弹性系数 E(实际值)(N/ m m 2)线膨胀系数 α(计算值)(×10-6...

1、当您付费下载文档后,您只拥有了使用权限,并不意味着购买了版权,文档只能用于自身使用,不得用于其他商业用途(如 [转卖]进行直接盈利或[编辑后售卖]进行间接盈利)。
2、本站所有内容均由合作方或网友上传,本站不对文档的完整性、权威性及其观点立场正确性做任何保证或承诺!文档内容仅供研究参考,付费前请自行鉴别。
3、如文档内容存在违规,或者侵犯商业秘密、侵犯著作权等,请点击“违规举报”。

碎片内容

线路设计手册

确认删除?
VIP
微信客服
  • 扫码咨询
会员Q群
  • 会员专属群点击这里加入QQ群
客服邮箱
回到顶部