电脑桌面
添加小米粒文库到电脑桌面
安装后可以在桌面快捷访问

装配式钢筋混凝土简支T型梁桥VIP专享

装配式钢筋混凝土简支T型梁桥_第1页
1/17
装配式钢筋混凝土简支T型梁桥_第2页
2/17
装配式钢筋混凝土简支T型梁桥_第3页
3/17
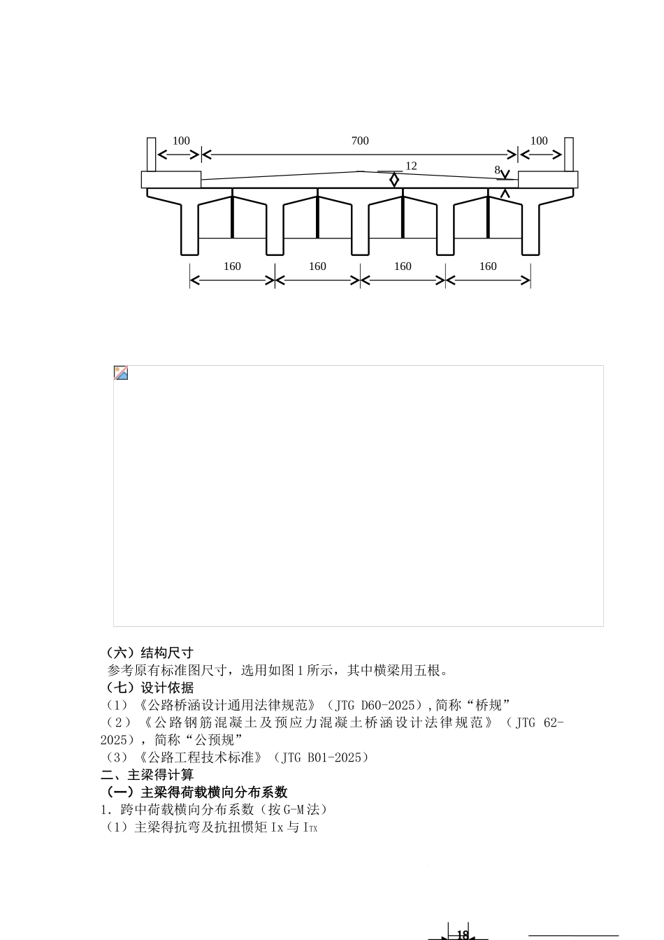
装配式钢筋混凝土简支型梁桥计算一、设计资料(一)桥面净空 净-7+2 1m 人行道(二)主梁跨径与全长 标准跨径 =20、00m(墩中心距离) 计算跨径 =19、50m(支座中心距离) 主梁全长 l 全=19、96m(主梁预制长度)(三)设计荷载 公路Ⅱ级荷载 ,人群荷载 3kN/㎡ (四)材料 主梁混凝土:,容重 26KN/m 防水混凝土厚 6、5~17cm,容重 25KN/m3(五)计算方法(六)结构尺寸 参考原有标准图尺寸,选用如图 1 所示,其中横梁用五根。(七)设计依据(1)《公路桥涵设计通用法律规范》(JTG D60-2025),简称“桥规”(2)《公路钢筋混凝土及预应力混凝土桥涵设计法律规范》( JTG 62-2025),简称“公预规”(3)《公路工程技术标准》(JTG B01-2025)二、主梁得计算(一)主梁得荷载横向分布系数1.跨中荷载横向分布系数(按 G-M 法)(1)主梁得抗弯及抗扭惯矩 Ix 与 ITX 160160160160100100700128求主梁截面得重心位置 (图 2)平均板厚 h1=1/2(8+14)=11cm =41、2cmT 形抗扭惯矩近似等于各个矩形截面得抗扭惯矩之与,即: ITX=式中:Ci 为矩形截面抗扭刚度系数(查附表 1);附表-1 bi、ti 为相应各矩形得宽度与厚度。 t/b10、90、80、70、60、50、40、30、20、1<0、1c0、1410、1550、1710、1890、2090、2290、2500、2700、2910、3121/3查表可知 b1/t1=0、11/1、60=0、069,c1=1/3 t2/b2=0、18/(1、3-0、11)=0、151,c2=0、301故 ITX=1、6×0、113/3+0、301×1、19×0、183 =0、71×10-3=2、80×10-3m4单位抗弯及抗扭惯矩: JX=Ix/b=6、628×10-2/160=4、142×10-4m4/cm JTX=ITx/b=2、280×10-3/160=1、75×10-5m4/cm(2)横梁抗弯及抗扭惯矩翼板有效宽度 λ 计算(图 3)横梁长度取为两边主梁得轴线间距,即 =4b=4╳1、6=6、4m c=1/2(4、85-0、15)=2、35m h´=100m, b´=0、15m=15cm=2、35/6、40=0、367根据 c/比值可查(附表 1) 求得 λ/c=0、548所以 λ=0、548c=0、5482、35=1、29m求横梁截面重心位置 ay= = =0、21横梁得抗弯与抗扭惯矩 Iy与 ITY 查表得,但由于连续桥面板得单宽抗扭惯矩只有独立宽扁板者得一半,可取=1/6=0、15(1、00-0、11)=0、1705,查表得=0、298故 单位抗弯及抗扭惯矩 Jy与 JTy(3)计算抗弯参数 θ 与抗弯参数 α:附表 2:桥梁工程(1982 年 2 月) 表 2-8-40、050 、 9880、100 、 9360、150、、8670、200 、 7890、250 、 7100、300 、 6...

1、当您付费下载文档后,您只拥有了使用权限,并不意味着购买了版权,文档只能用于自身使用,不得用于其他商业用途(如 [转卖]进行直接盈利或[编辑后售卖]进行间接盈利)。
2、本站所有内容均由合作方或网友上传,本站不对文档的完整性、权威性及其观点立场正确性做任何保证或承诺!文档内容仅供研究参考,付费前请自行鉴别。
3、如文档内容存在违规,或者侵犯商业秘密、侵犯著作权等,请点击“违规举报”。

碎片内容

装配式钢筋混凝土简支T型梁桥

确认删除?
VIP
微信客服
  • 扫码咨询
会员Q群
  • 会员专属群点击这里加入QQ群
客服邮箱
回到顶部