电脑桌面
添加小米粒文库到电脑桌面
安装后可以在桌面快捷访问

陆家漕桥梁工程施工组织设计

陆家漕桥梁工程施工组织设计_第1页
1/49
陆家漕桥梁工程施工组织设计_第2页
2/49
陆家漕桥梁工程施工组织设计_第3页
3/49
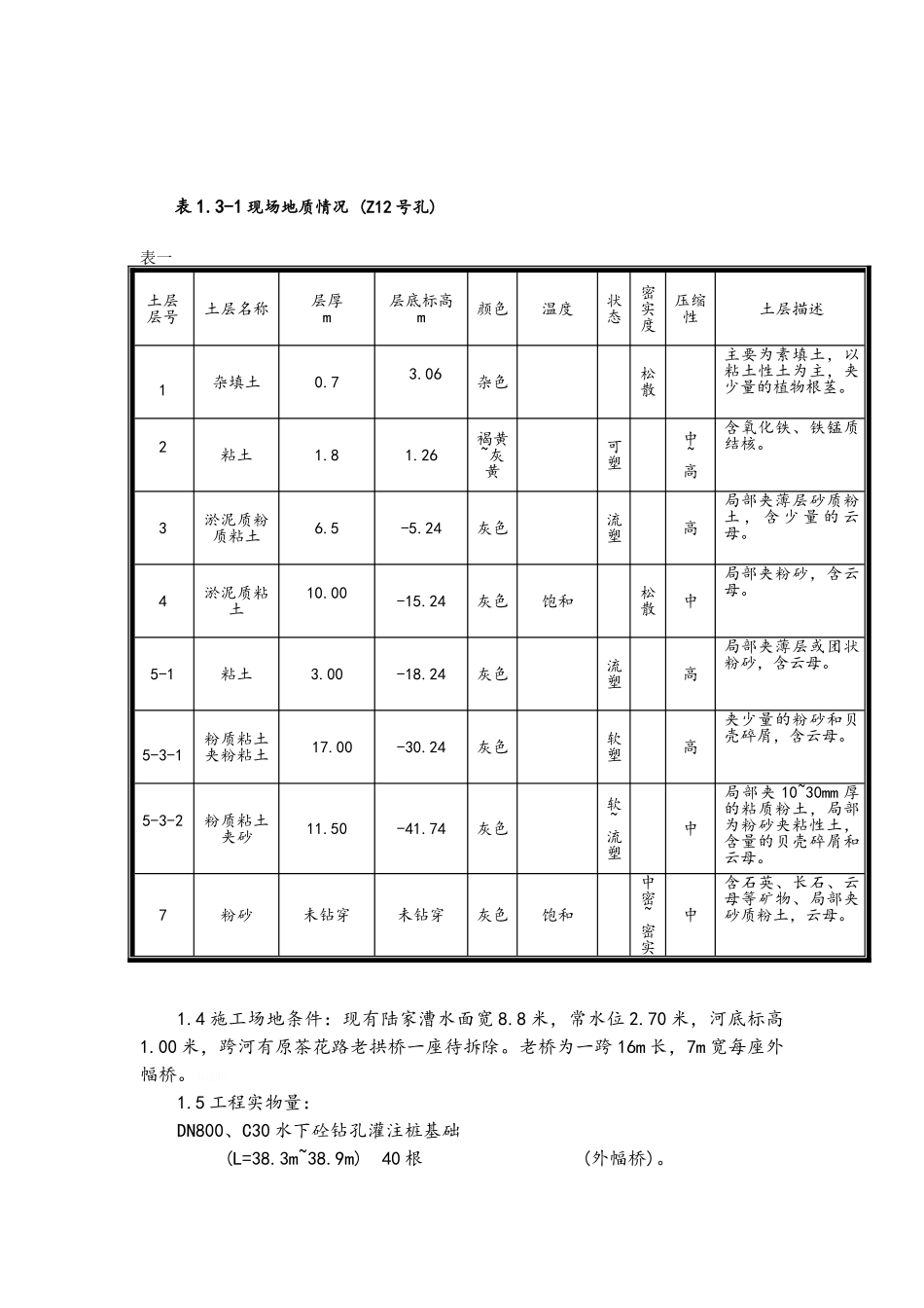
申江路(华夏中路南~沈家港桥)新建工程 3 标陆家漕桥梁工程施工组织设计目录一、工程概况--------------------------------------3二、编制依据--------------------------------------6三、施工准备工作计划------------------------------7四、施工现场平面布置------------------------------7五、施工进度计划----------------------------------8六、施工组织部暑----------------------------------11七、主要工序施工技术方案--------------------------14八、主要机械、设备、材料和劳动力用量计划----------41九、安全文明、环保措施----------------------------44十、附图、表---------------------------------------61一、工程概况1.1 本工程是申江路地面道路跨越陆家漕的地面桥梁。其上部结构采纳3×10m 简支空心板梁下部结构采纳钻孔灌注桩基础,桩柱式桥墩,埋置式桥台。桩号 K1+920.84~K1+950.84,河轴线与道路中心线夹角为 76°23'。5puuC。单位工程名称:申江路(华夏中路南~沈家港桥 )新建工程 3 标陆家漕桥梁工程工程地点:浦东新区孙桥镇设计单位:中国市政工程中南设计讨论院勘察单位:中国建筑西南勘察设计讨论院监理单位:上海容基工程项目管理有限公司1.2 设计荷载-A 级,按基本烈度 7 度设防,地震动峰值加速度为 0.10g,设计车速 60km/h,桥面宽:外幅桥(0.3m 栏杆+2.25m 人行道+2.5m 非机动车道+8.5m 机动车道+0.5m 防撞护栏)=14.05m。内幅桥(0.5m 防撞护栏+7.5m 机动车道+0.5m 防撞护栏)=8.5m2Zyeq。跨径 10+10+10m=30m,,桥下净空:梁底标高不低于 4.7m,不通航。1.3 地质情况桥址场地附近地貌类型为长江三角洲入海口东南前缘的滨海平原。道路红线范围内主要为现状孙桥农业园区茶花路、单跨拱桥一座,苗圃等,地势平坦。cuN26。地基土构成见下表。本桥桥台、桥墩桩基为摩擦桩,桩基位于⑤ 3-1 层与⑤ 4 层。表 1.3-1 现场地质情况 (Z12 号孔)表一土层层号土层名称层厚m层底标高m颜色温度状态密实度压缩性土层描述1杂填土0.73.06杂色松散主要为素填土,以粘土性土为主,夹少量的植物根茎。2粘土1.81.26褐黄~灰黄可塑中~高含氧化铁、铁锰质结核。3淤泥质粉质粘土6.5-5.24灰色流塑高局部夹薄层砂质粉土 , 含 少 量 的 云母。4淤泥质粘土10.00-15.24灰色饱和松散中局部夹粉砂,含云母。5-1粘土3.00-18.24灰色流塑高局部夹薄层或团状粉砂,含云母。5-3-1粉质粘土夹粉...

1、当您付费下载文档后,您只拥有了使用权限,并不意味着购买了版权,文档只能用于自身使用,不得用于其他商业用途(如 [转卖]进行直接盈利或[编辑后售卖]进行间接盈利)。
2、本站所有内容均由合作方或网友上传,本站不对文档的完整性、权威性及其观点立场正确性做任何保证或承诺!文档内容仅供研究参考,付费前请自行鉴别。
3、如文档内容存在违规,或者侵犯商业秘密、侵犯著作权等,请点击“违规举报”。

碎片内容

陆家漕桥梁工程施工组织设计

您可能关注的文档

确认删除?
VIP
微信客服
  • 扫码咨询
会员Q群
  • 会员专属群点击这里加入QQ群
客服邮箱
回到顶部