电脑桌面
添加小米粒文库到电脑桌面
安装后可以在桌面快捷访问

黄河XX水电站工程可行性研究报告

黄河XX水电站工程可行性研究报告_第1页
1/34
黄河XX水电站工程可行性研究报告_第2页
2/34
黄河XX水电站工程可行性研究报告_第3页
3/34
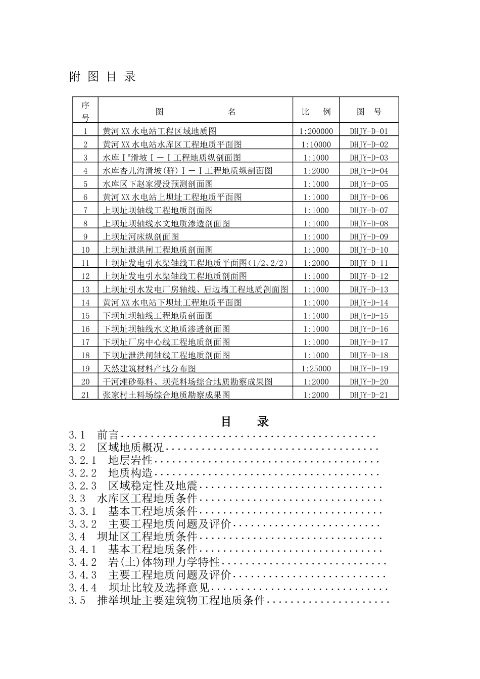
黄河 XX 水电站工程 预可行性讨论报告3 工程地质国家电力公司 XX 勘测设计讨论院工程勘察讨论院二零一零年十月附 图 目 录序号图 名比 例图 号1黄河 XX 水电站工程区域地质图1:200000DHJY-D-012黄河 XX 水电站水库区工程地质平面图1:10000DHJY-D-023水库Ⅰ#滑坡Ⅰ-Ⅰ工程地质纵剖面图1:1000DHJY-D-034水库杏儿沟滑坡(群)Ⅰ-Ⅰ工程地质纵剖面图1:2000DHJY-D-045水库区下赵家浸没预测剖面图1:1000DHJY-D-056黄河 XX 水电站上坝址工程地质平面图1:1000DHJY-D-067上坝址坝轴线工程地质剖面图1:1000DHJY-D-078上坝址坝轴线水文地质渗透剖面图1:1000DHJY-D-089上坝址河床纵剖面图1:1000DHJY-D-0910上坝址泄洪闸工程地质剖面图1:1000DHJY-D-1011上坝址发电引水渠轴线工程地质平面图(1/2、2/2)1:2000DHJY-D-1112上坝址发电引水渠轴线工程地质剖面图1:1000DHJY-D-1213上坝址引水发电厂房轴线、后边墙工程地质剖面图1:1000DHJY-D-1314黄河 XX 水电站下坝址工程地质平面图1:1000DHJY-D-1415下坝址坝轴线工程地质剖面图1:1000DHJY-D-1516下坝址坝轴线水文地质渗透剖面图1:1000DHJY-D-1617下坝址厂房中心线工程地质剖面图1:1000DHJY-D-1718下坝址泄洪闸轴线工程地质剖面图1:1000DHJY-D-1819天然建筑材料产地分布图1:25000DHJY-D-1920干河滩砂砾料、坝壳料场综合地质勘察成果图1:2000DHJY-D-2021张家村土料场综合地质勘察成果图1:2000DHJY-D-21 目 录3.1 前言··········································· 3.2 区域地质概况···································· 3.2.1 地层岩性······································ 3.2.2 地质构造······································ 3.2.3 区域稳定性及地震······························· 3.3 水库区工程地质条件······························· 3.3.1 基本工程地质条件······························· 3.3.2 主要工程地质问题及评价························· 3.4 坝址区工程地质条件······························· 3.4.1 基本工程地质...

1、当您付费下载文档后,您只拥有了使用权限,并不意味着购买了版权,文档只能用于自身使用,不得用于其他商业用途(如 [转卖]进行直接盈利或[编辑后售卖]进行间接盈利)。
2、本站所有内容均由合作方或网友上传,本站不对文档的完整性、权威性及其观点立场正确性做任何保证或承诺!文档内容仅供研究参考,付费前请自行鉴别。
3、如文档内容存在违规,或者侵犯商业秘密、侵犯著作权等,请点击“违规举报”。

碎片内容

黄河XX水电站工程可行性研究报告

办公文档专营+ 关注
实名认证
内容提供者

大量办公文档,欢迎选择

确认删除?
VIP
微信客服
  • 扫码咨询
会员Q群
  • 会员专属群点击这里加入QQ群
客服邮箱
回到顶部