电脑桌面
添加小米粒文库到电脑桌面
安装后可以在桌面快捷访问

4岩土工程设计与检测监测

4岩土工程设计与检测监测_第1页
1/7
4岩土工程设计与检测监测_第2页
2/7
4岩土工程设计与检测监测_第3页
3/7
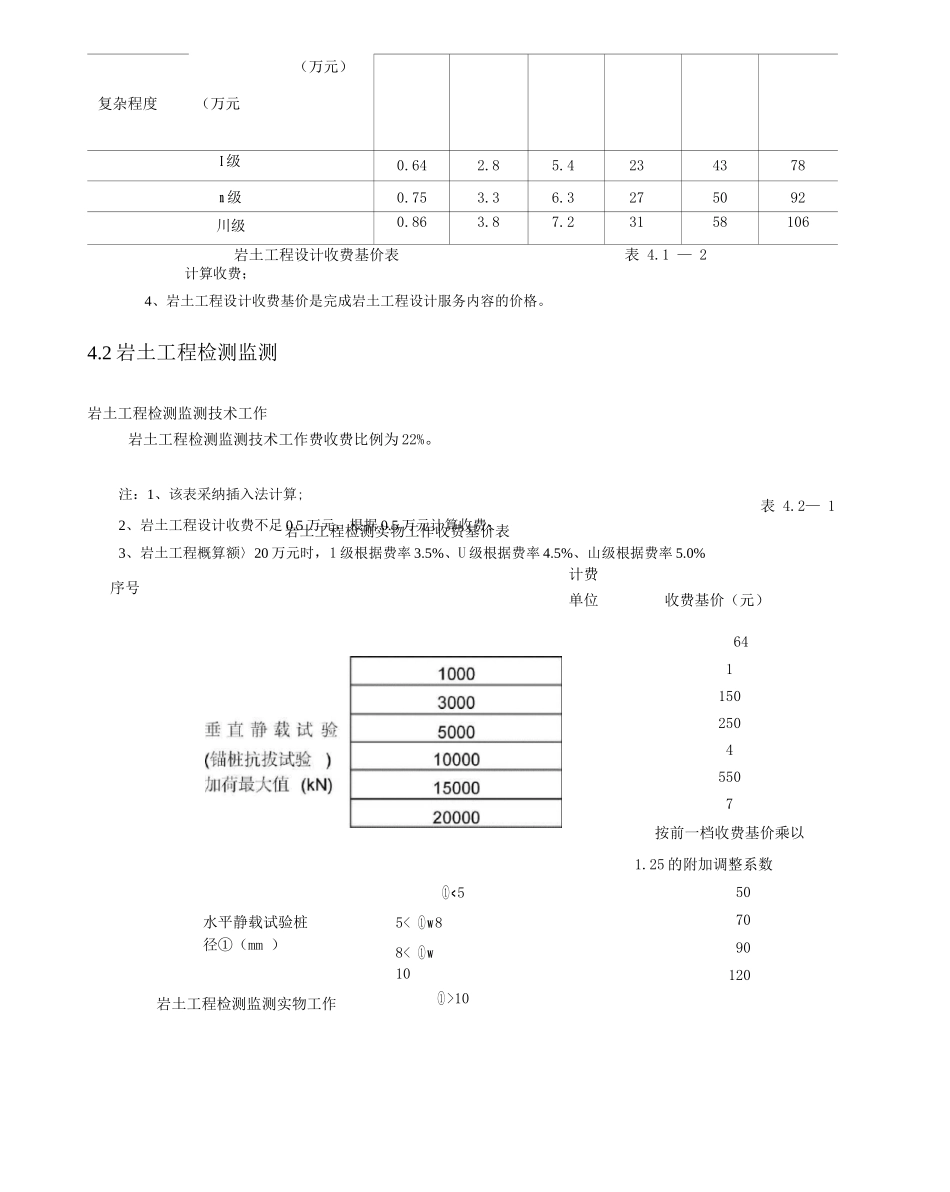
4 岩土工程设计与检测监测4.1 岩土工程设计岩土工程设计服务内容根据工程性质和技术要求,现场踏勘,收集分析已有资料,调查周边建筑物及地下管线情况;编制岩土设计文件,绘制施工图,提出试验、检测和监测方案;配合施工,解决施工中的设计问题。岩土工程设计收费岩土工程设计复杂程度表表 4.1—1类别I 级n 级川级地基处理对地基基础变形无严格要求的建筑物,工程地质条件简单,地下水条件简单,对施工影响轻微对地基基础变形有一定要求的建筑物,工程地质条件较复杂,地下水条件较复杂,对施工影响较严重对地基基础变形有严格要求的建筑物,工程地质条件复杂,地下水条件复杂,对施工影响严重基坑支护基坑深度 H < 6.0m,破坏后果不严重,工程地质简单,地下水条件简单,对施工影响轻微基坑深度 6.0m12.0m,破坏后果很严重,工程地质复杂,地下水条件复杂,对施工影响严重施工降水外墙轴线内包面积 F< 1 1,单层地下水,渗透系数 0.5m/d20ni,多层地下水,渗透系数 KW 0.5m/d 或 K>50m/d,降水深度SA>13.0m ,对工程环境的影响有严格要求,辅助工程措施复杂收费基价岩土工程概算额1050151020复杂程度(万元(万元)I 级0.642.85.4234378n 级0.753.36.3275092川级0.863.87.23158106计算收费;4、岩土工程设计收费基价是完成岩土工程设计服务内容的价格。4.2 岩土工程检测监测岩土工程检测监测技术工作岩土工程检测监测技术工作费收费比例为 22%。序号岩土工程设计收费基价表表 4.2— 1岩土工程检测实物工作收费基价表计费单位收费基价(元)表 4.1 — 2115025045507按前一档收费基价乘以水平静载试验桩径①(mm )岩土工程检测监测实物工作 < ① 55< w ① 88< w①10 ①>101.25 的附加调整系数50709012064注:1、该表采纳插入法计算;2、岩土工程设计收费不足 0.5 万元,根据 0.5 万元计算收费;3、岩土工程概算额〉20 万元时,1 级根据费率 3.5%、U 级根据费率 4.5%、山级根据费率 5.0%试坑开挖、桩头处理、加荷体吊装运...

1、当您付费下载文档后,您只拥有了使用权限,并不意味着购买了版权,文档只能用于自身使用,不得用于其他商业用途(如 [转卖]进行直接盈利或[编辑后售卖]进行间接盈利)。
2、本站所有内容均由合作方或网友上传,本站不对文档的完整性、权威性及其观点立场正确性做任何保证或承诺!文档内容仅供研究参考,付费前请自行鉴别。
3、如文档内容存在违规,或者侵犯商业秘密、侵犯著作权等,请点击“违规举报”。

碎片内容

4岩土工程设计与检测监测

不二商店+ 关注
实名认证
内容提供者

我是你的不二选择

确认删除?
VIP
微信客服
  • 扫码咨询
会员Q群
  • 会员专属群点击这里加入QQ群
客服邮箱
回到顶部