电脑桌面
添加小米粒文库到电脑桌面
安装后可以在桌面快捷访问

5#楼钢筋工程施工专项方案

5#楼钢筋工程施工专项方案_第1页
1/13
5#楼钢筋工程施工专项方案_第2页
2/13
5#楼钢筋工程施工专项方案_第3页
3/13
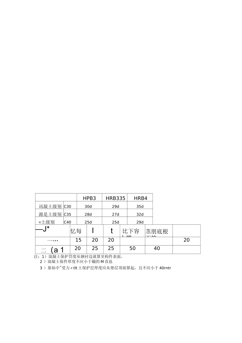
HPB3HRB335HRB4讯凝土级别 C3030d29d35d源是土级别 C3528d27d32d«土级别C4025d25d29d—J*忆每It比下容卜增茎朋底根下符一…15202020二(a 12025255040注:1)混凝土保护罚度从钢衬边就算至构件表面,2 )混凝土保件厚度不应小于蹦的 M 直邕3 )基仙中"受力<tlt 土保护层厚度应从垫层顶面算起,且不应小于 40rntrJ 眺建搭接区蕴国.r 11ii4|V JIL菊如密h. SB U ==」 1r『 Fi 7Y:H1 1 ri i i'菲国〕J辕侧加密-箱奇澜谷剧瓣昔碌主次梁交叉处构造限位箍筋柱定距框设置在柱上

1、当您付费下载文档后,您只拥有了使用权限,并不意味着购买了版权,文档只能用于自身使用,不得用于其他商业用途(如 [转卖]进行直接盈利或[编辑后售卖]进行间接盈利)。
2、本站所有内容均由合作方或网友上传,本站不对文档的完整性、权威性及其观点立场正确性做任何保证或承诺!文档内容仅供研究参考,付费前请自行鉴别。
3、如文档内容存在违规,或者侵犯商业秘密、侵犯著作权等,请点击“违规举报”。

碎片内容

5#楼钢筋工程施工专项方案

您可能关注的文档

确认删除?
VIP
微信客服
  • 扫码咨询
会员Q群
  • 会员专属群点击这里加入QQ群
客服邮箱
回到顶部