电脑桌面
添加小米粒文库到电脑桌面
安装后可以在桌面快捷访问

A2标段排水施工方案

A2标段排水施工方案_第1页
1/10
A2标段排水施工方案_第2页
2/10
A2标段排水施工方案_第3页
3/10
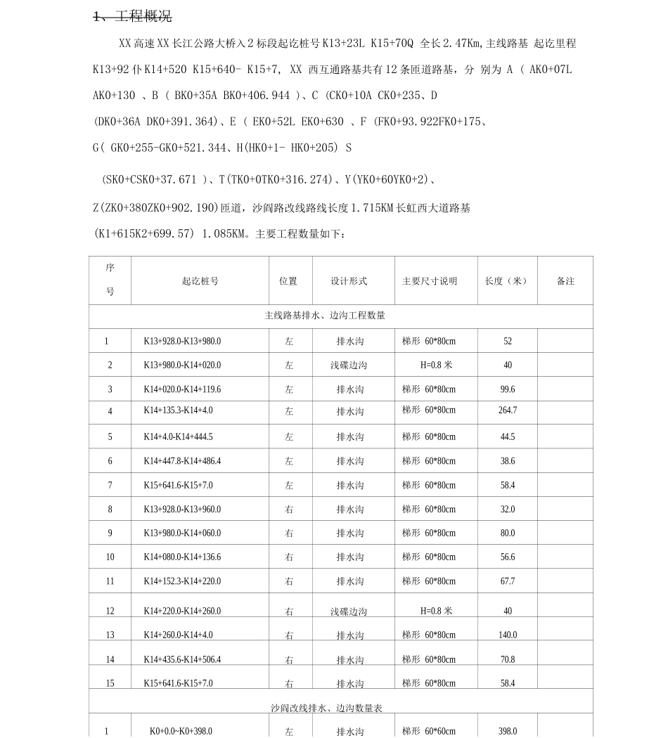
1、工程概况XX 高速 XX 长江公路大桥入 2 标段起讫桩号 K13+23L K15+70Q 全长 2.47Km,主线路基 起讫里程K13+92 仆 K14+520 K15+640- K15+7, XX 西互通路基共有 12 条匝道路基,分 别为 A ( AK0+07L AK0+130 、B ( BK0+35A BK0+406.944 )、C (CK0+10A CK0+235、D(DK0+36A DK0+391.364)、E ( EK0+52L EK0+630 、F (FK0+93.922FK0+175、G( GK0+255-GK0+521.344、H(HK0+1- HK0+205) S(SK0+CSK0+37.671 )、T(TK0+0TK0+316.274)、Y(YK0+60YK0+2)、Z(ZK0+380ZK0+902.190)匝道,沙阎路改线路线长度 1.715KM 长虹西大道路基(K1+615K2+699.57) 1.085KM。主要工程数量如下:序号起讫桩号位置设计形式主要尺寸说明长度(米)备注主线路基排水、边沟工程数量1K13+928.0-K13+980.0左排水沟梯形 60*80cm522K13+980.0-K14+020.0左浅碟边沟H=0.8 米403K14+020.0-K14+119.6左排水沟梯形 60*80cm99.64K14+135.3-K14+4.0左排水沟梯形 60*80cm264.75K14+4.0-K14+444.5左排水沟梯形 60*80cm44.56K14+447.8-K14+486.4左排水沟梯形 60*80cm38.67K15+641.6-K15+7.0左排水沟梯形 60*80cm58.48K13+928.0-K13+960.0右排水沟梯形 60*80cm32.09K13+980.0-K14+060.0右排水沟梯形 60*80cm80.010K14+080.0-K14+136.6右排水沟梯形 60*80cm56.611K14+152.3-K14+220.0右排水沟梯形 60*80cm67.712K14+220.0-K14+260.0右浅碟边沟H=0.8 米4013K14+260.0-K14+4.0右排水沟梯形 60*80cm140.014K14+435.6-K14+506.4右排水沟梯形 60*80cm70.815K15+641.6-K15+7.0右排水沟梯形 60*80cm58.4沙阎改线排水、边沟数量表1K0+0.0~K0+398.0左排水沟梯形 60*60cm398.02K0+402.0~K0+660.0左排水沟梯形 60*60cm258.03K0+8.0~K1+213.0左排水沟梯形 60*60cm413.04K1+217.0~K1+307.9左排水沟梯形 60*60cm90.95K0+0.0~KO+398.0右排水沟梯形 60*60cm398.06K0+402.0~KO+680.0右排水沟梯形 60*60cm278.07K0+780.0~K1+213.0右排水沟梯形 60*60cm433.08K1+217.0~K1+307.9右排水沟梯形 60*60cm90.99K0+0.0~ZK1+412.1右排水沟梯形 60*60cm412.110K0+0.0~YK0+404.2右排水沟梯形 60*60cm404.211K0+660.0~K0+8.0左浅碟边沟H=0.8 米14012K0+680.0~K0+780.0右浅碟边沟H=0.8 米1序号起讫桩号位置设计形式主要尺寸说明长度(米)备注匝道排水边沟1EKO+506.8-EKO+620.0右排水沟梯形 60*60cm113.22FKO+080.0-FKO+184.1右排水沟梯形 60*60cm104.13GKO+2...

1、当您付费下载文档后,您只拥有了使用权限,并不意味着购买了版权,文档只能用于自身使用,不得用于其他商业用途(如 [转卖]进行直接盈利或[编辑后售卖]进行间接盈利)。
2、本站所有内容均由合作方或网友上传,本站不对文档的完整性、权威性及其观点立场正确性做任何保证或承诺!文档内容仅供研究参考,付费前请自行鉴别。
3、如文档内容存在违规,或者侵犯商业秘密、侵犯著作权等,请点击“违规举报”。

碎片内容

A2标段排水施工方案

领读文化+ 关注
实名认证
内容提供者

传播文化,铸就未来

确认删除?
VIP
微信客服
  • 扫码咨询
会员Q群
  • 会员专属群点击这里加入QQ群
客服邮箱
回到顶部