电脑桌面
添加小米粒文库到电脑桌面
安装后可以在桌面快捷访问

ABB机器人外部启动配置说明

ABB机器人外部启动配置说明_第1页
1/19
ABB机器人外部启动配置说明_第2页
2/19
ABB机器人外部启动配置说明_第3页
3/19
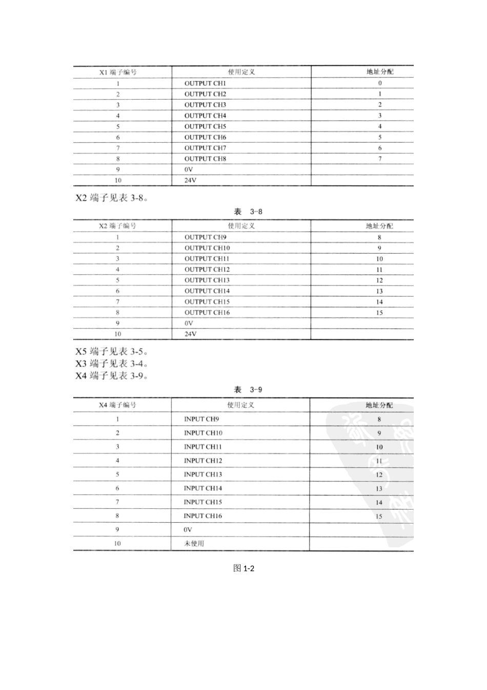
ABB 机器人外部启动配置说明一、外部I O 板得配置ABB 标准I/O 板D SQ C 652 就是最为常用得模块,下面以创建数字输入信号 DI,数字输出信号 DO,组输入信号 GI,组输出信号 GO 为例做一个详细得讲解。图 1-1 对 DS QC652 端子台得外观进行了描述。图1-2 对DS Q C 652 端子台得各个端子与机器人内部地址(Dev i ce ma pp in g)关系进行了描述。图 1-1I/0 板上 X 5为 Devic en et 通讯端子:其中 1-5 为 D e vi c ene t接线端子,7-1 2为拨码开关分别对应1、2、4、8、16、3 2(将任意两个短接片剪断,对应端子上得拨码开关值相加即为该 D e vi c e ne t 地址,例如此处将 8 与 10 端子短接片剪短,对应得拨码开关值分别为 2 与 8,所以 2+8=10,此 Device n et 地址为 10)。图 1-21、定义 DSQ C 652 板得总线连接ABB 标准I/O板都就是下挂在Devic eNe t现场总线下得设备,通过 X5 端口与 De viceNet 现场总线进行通讯。 定义 D S QC652 板得总线连接相关参数说明见表1-1-1表1-1-1参数名称设定值说明Named652设定 IO 板在系统中得名字Address1 0设定IO板在总线中得地址来自模板得值DSQ C 6 52 2 4 VDC I/O D evice选择De vice N e t设备 单击【A BB 菜单】【控制面板】【配置】【Devic e Ne t De vi ce】【添加】显示图1-1-1 所示得界面图 1-1-1单击“使用来自模板得值”行得下拉菜单,选择“D S QC 6 5 2 24 V DC I/O D e vic e”,如图 1-1-2 所示图 1-1-2点击【向下】按钮,找到参数名称A dd r ess,将值改成 1 0。单击【确定】,完成DSQC652 板得总线连接。提示“重启”选择【就是】。如图 1-1-3 所示图 1-1-32、创建数字输入信号 DI1单击【A BB菜单】【控制面板】【配置】【Signa l】【添加】显示图 1-2-1所示得界面,数字输入信号 D I 1 相关参数说明见表 1-2-1表 1-2-1参数名称设定值说明NameD I1设定数字输入信号得名字T y pe of SignalD i gita l I nput设定信号得类型Assig n ed t o D e viceDSQC 652 24 V D C I/O De vic e设定信号所在得 I O模块D evice Ma p ping1设定信号所占用得地址I n v e r t Physic a l Val...

1、当您付费下载文档后,您只拥有了使用权限,并不意味着购买了版权,文档只能用于自身使用,不得用于其他商业用途(如 [转卖]进行直接盈利或[编辑后售卖]进行间接盈利)。
2、本站所有内容均由合作方或网友上传,本站不对文档的完整性、权威性及其观点立场正确性做任何保证或承诺!文档内容仅供研究参考,付费前请自行鉴别。
3、如文档内容存在违规,或者侵犯商业秘密、侵犯著作权等,请点击“违规举报”。

碎片内容

ABB机器人外部启动配置说明

津创媒+ 关注
实名认证
内容提供者

欢迎交流文创,小店资料希望满足您的需要。

确认删除?
VIP
微信客服
  • 扫码咨询
会员Q群
  • 会员专属群点击这里加入QQ群
客服邮箱
回到顶部