电脑桌面
添加小米粒文库到电脑桌面
安装后可以在桌面快捷访问

matlab在一阶动态电路特性分析的应用

matlab在一阶动态电路特性分析的应用_第1页
1/13
matlab在一阶动态电路特性分析的应用_第2页
2/13
matlab在一阶动态电路特性分析的应用_第3页
3/13
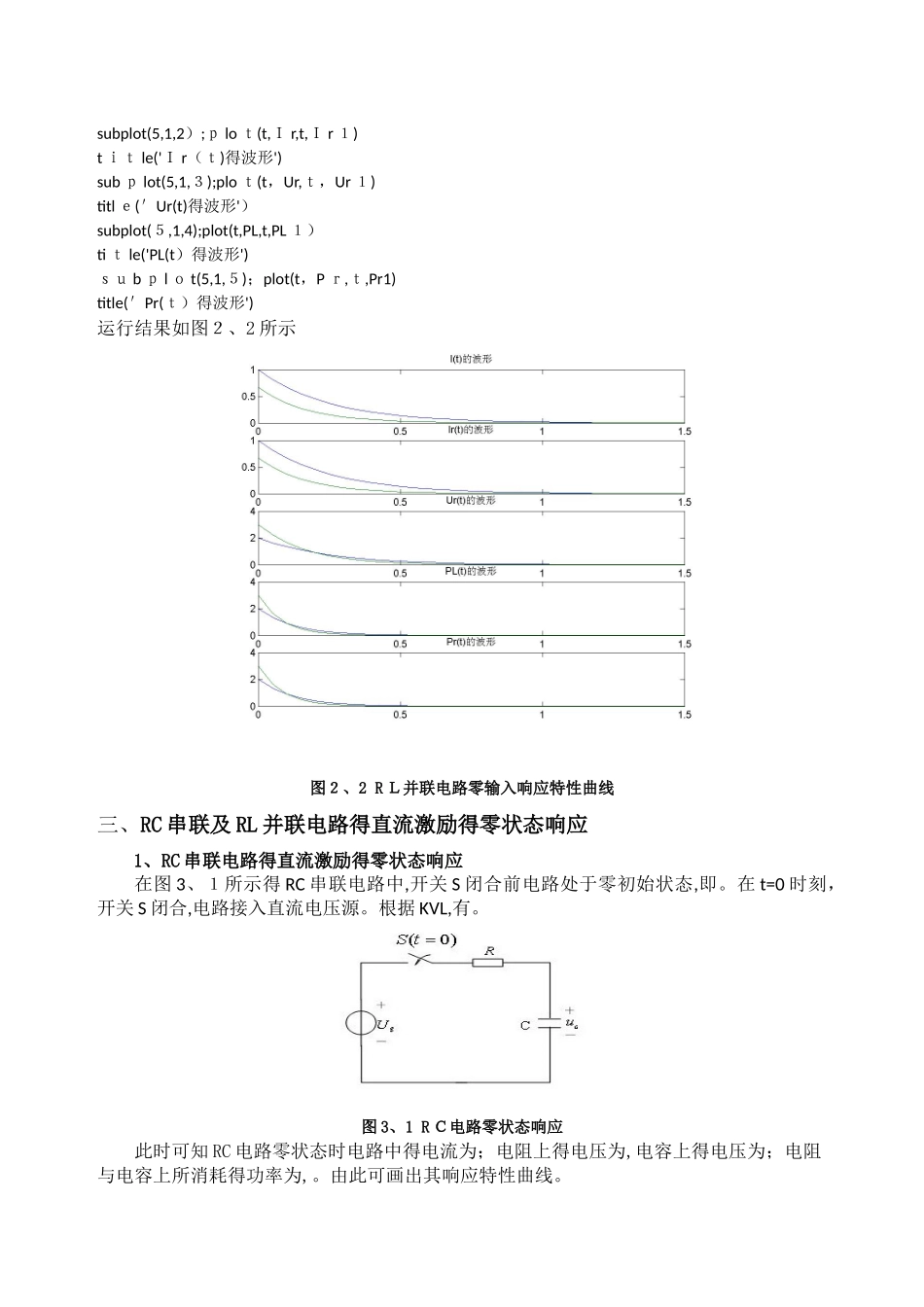
MATL AB在一阶动态电路特性分析得应用(董梦媛 1 2 0132 41 942 2025 级通信一班)摘要: MATLAB 具有强大得图形处理功能、符号运算功能与数值计算功能。其中系统得仿真工具箱就就是从底层开发得一个完整得仿真环境与图形界面。运用 MATL A B 可以完成面对框图系统仿真得全部过程,并且更加直观与准确地达到仿真得目标。本文主要介绍基于M AT L AB 得一阶动态电路特性分析。应用 MATLAB 将一阶动态电路得响应状态通过仿真图像生动形象得展现出来。关键词: MATLAB;仿真;图形处理;一阶动态电路。一、M A TL A B 应用简介MATLAB 功能丰富,可扩展性强。M A T L AB 软件包括基本部分与专业扩展两大部分得功能。基本部分包括:矩阵得运算与各种变换;代数与超越方程得求解;数据处理与傅立叶变换;数值部分等等,可以充分满足大学理工科本科得计算需要。扩展部分称为工具箱。它实际上就就是用M A TL A B得基本语句辩称得各种子程序集,用于解决某一方面得专门问题,或实现某一类得新算法。M AT L AB 具有以下基本功能:数值计算功能;符号计算功能;图形处理及可视化功能; 可视化建模及动态仿真功能。MAT L AB 主要有以下特点: 库函数资源丰富;语言精炼,代码灵活;运算符多而灵活;面对对象,控制功能优良;程序设计自由;图形功能强大;程序得兼容性好;源代码开放;形形色色得工具箱。二、R C 串联电路及 R L并联电路得零输入响应1、RC 串联电路得零输入响应在图 1、1所示得 RC 电路中,开关 S 打向 2 前,电容 C 充电,。当开关 S 打向 2 后,电压。图 1、1 R C 电路得零输入响应此时可知 R C电路零输入时电路中得电流为;电阻上得电压为;电阻与电容上所消耗得功率为,。M A TLAB 程序如下:>> U 0=2;R=2;C=0、5; U 1=3;R 1=3;C 1=0、5;%输入给定参数>> t=[0:0、05:5];>> I=U0/R*exp(-t/(R*C)); I1=U 0/R 1*exp(-t/(R1*C1)); %计算电容与电阻电流值Uc=U 0*e xp(-t/(R*C));U r=U 0*exp(-t/(R*C));U c1=U1*e x p(-t/(R1*C1));Ur 1=U1*e xp(-t/(R 1*C1)); %计算电容与电阻电压值Pc=U0*U0/R*exp(-2*t/(R*C));P r=U0*U0/R*exp(-2*t/(R*C));P c1=U1*U1/R 1*e x p(-2*t/(R1*C 1)); P r 1=U1*U1/R1*exp(-2*t/(R1*C1)); %计算电容与电阻功率值”>> f igu r...

1、当您付费下载文档后,您只拥有了使用权限,并不意味着购买了版权,文档只能用于自身使用,不得用于其他商业用途(如 [转卖]进行直接盈利或[编辑后售卖]进行间接盈利)。
2、本站所有内容均由合作方或网友上传,本站不对文档的完整性、权威性及其观点立场正确性做任何保证或承诺!文档内容仅供研究参考,付费前请自行鉴别。
3、如文档内容存在违规,或者侵犯商业秘密、侵犯著作权等,请点击“违规举报”。

碎片内容

matlab在一阶动态电路特性分析的应用

一二三四传媒+ 关注
实名认证
内容提供者

大量资料供您选择,没有合适的可以联系小二。

确认删除?
VIP
微信客服
  • 扫码咨询
会员Q群
  • 会员专属群点击这里加入QQ群
客服邮箱
回到顶部