电脑桌面
添加小米粒文库到电脑桌面
安装后可以在桌面快捷访问

主塔及中横梁施工交底

主塔及中横梁施工交底_第1页
1/14
主塔及中横梁施工交底_第2页
2/14
主塔及中横梁施工交底_第3页
3/14
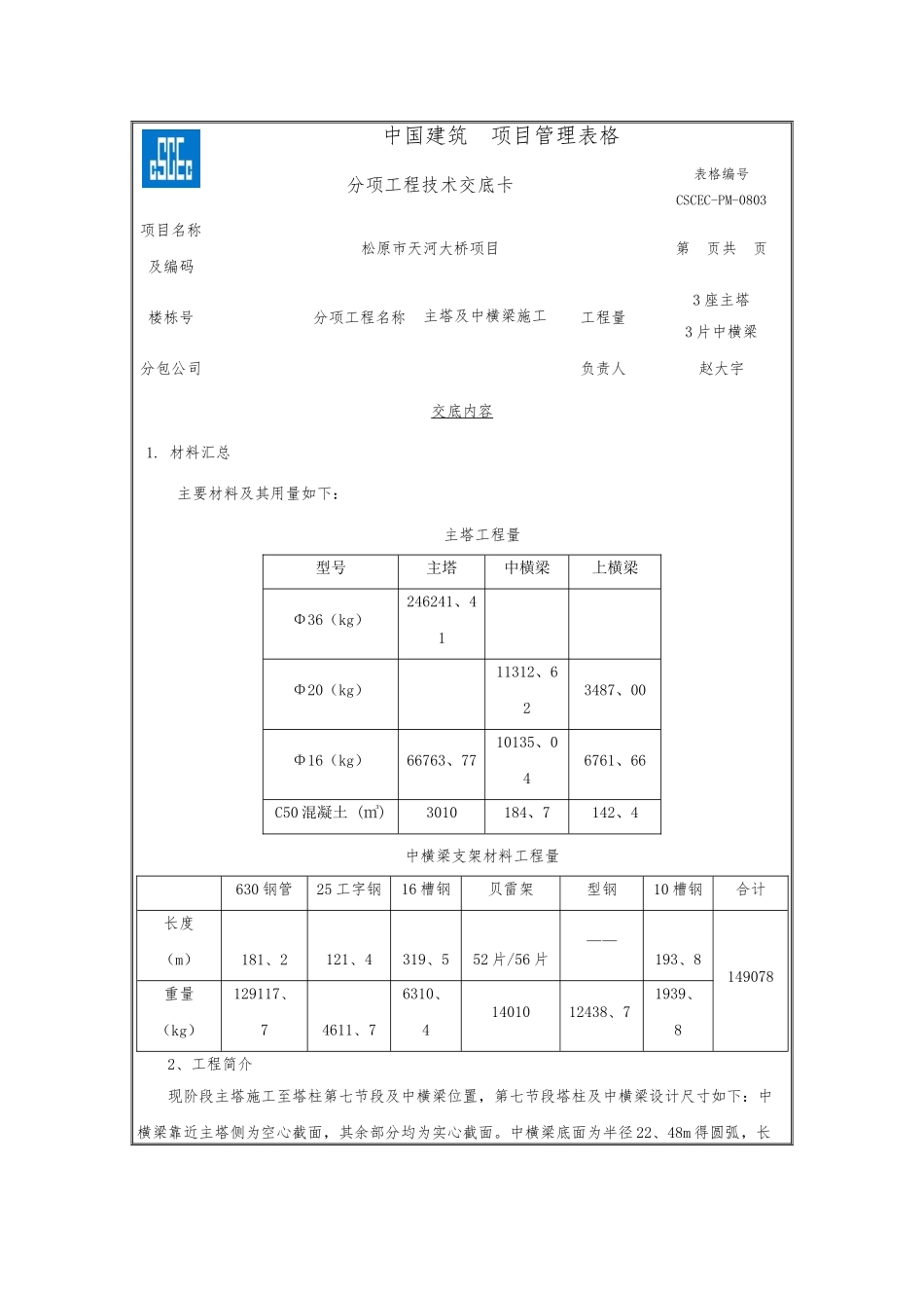
中国建筑 项目管理表格分项工程技术交底卡表格编号CSCEC-PM-0803项目名称及编码松原市天河大桥项目第 页共 页楼栋号分项工程名称主塔及中横梁施工工程量3 座主塔3 片中横梁分包公司负责人赵大宇交底内容1. 材料汇总主要材料及其用量如下:主塔工程量型号主塔中横梁上横梁Φ36(kg)246241、41Φ20(kg)11312、623487、00Φ16(kg)66763、7710135、046761、66C50 混凝土 (㎥)3010184、7142、4中横梁支架材料工程量 630 钢管25 工字钢16 槽钢贝雷架型钢10 槽钢合计长度(m)181、2121、4319、5 52 片/56 片—— 193、8 149078重量(kg)129117、7 4611、76310、4 1401012438、71939、8 2、工程简介现阶段主塔施工至塔柱第七节段及中横梁位置,第七节段塔柱及中横梁设计尺寸如下:中横梁靠近主塔侧为空心截面,其余部分均为实心截面。中横梁底面为半径 22、48m 得圆弧,长20、606m,顶面长 17、916m,宽 4m,最大高度为 5m,跨中高度为 2、5m。3、关于塔柱第七节段设计变更由于图纸中设计塔柱第七节段混凝土壁厚为 1m,而中横梁预应力未被混凝土包裹,故将塔柱第七节段部分塔壁增厚。图如下:中横梁预应力布置图塔柱内箱增加示意图1214123塔壁塔壁立面图侧面图平面图1120120240161628016161624012020?16480220?16312322?16272462?16136说明:图中单位除钢筋直径外,其余均为cm。塔柱内箱增加部位钢筋图4、中横梁支架施工中横梁支架采纳落地式钢管桩、40 工字钢(工字钢上要设有限位卡,限位贝雷片位移)及贝雷片组成,其中钢管桩中心横向间距为 3、4m,纵向间距为 4、5m、3、5m,贝雷片共计 52片,贝雷片两片一组,片与片之间用 90 撑架连接,组与组之间采纳 100*10 得角钢连接,贝雷片分三层布置,上下两层贝雷梁之间固定,假如无法采纳螺栓,可以采纳钢筋弯制成方形或用钢板做成 U 型卡将上下两层贝雷梁捆在一起,贝雷片与工字钢接触处未在贝雷片竖杆上时,要用20 工字钢焊接竖杆进行加强。贝雷片上放置工字钢(最小为 20a 工字钢),工字钢得型号依据现场高程需要选择,工字钢得间距:中横梁跨中 10m 实心段处采纳 0、6m,两侧空心段采纳 0、8m,工字钢细部构置如下图。工字钢上铺设 10 槽钢,槽钢需进行进行加工,使其弧度与设计弧度相同,其间距布置为:空心段两侧腹板处间距布置为 0、25m,其余部位间距布置为 0、5m,槽钢接头必须落在其下部得工字钢上面,槽钢与工字钢得接触处空隙需用楔...

1、当您付费下载文档后,您只拥有了使用权限,并不意味着购买了版权,文档只能用于自身使用,不得用于其他商业用途(如 [转卖]进行直接盈利或[编辑后售卖]进行间接盈利)。
2、本站所有内容均由合作方或网友上传,本站不对文档的完整性、权威性及其观点立场正确性做任何保证或承诺!文档内容仅供研究参考,付费前请自行鉴别。
3、如文档内容存在违规,或者侵犯商业秘密、侵犯著作权等,请点击“违规举报”。

碎片内容

主塔及中横梁施工交底

您可能关注的文档

确认删除?
VIP
微信客服
  • 扫码咨询
会员Q群
  • 会员专属群点击这里加入QQ群
客服邮箱
回到顶部