电脑桌面
添加小米粒文库到电脑桌面
安装后可以在桌面快捷访问

主洞洞挖施工方法

主洞洞挖施工方法_第1页
1/7
主洞洞挖施工方法_第2页
2/7
主洞洞挖施工方法_第3页
3/7
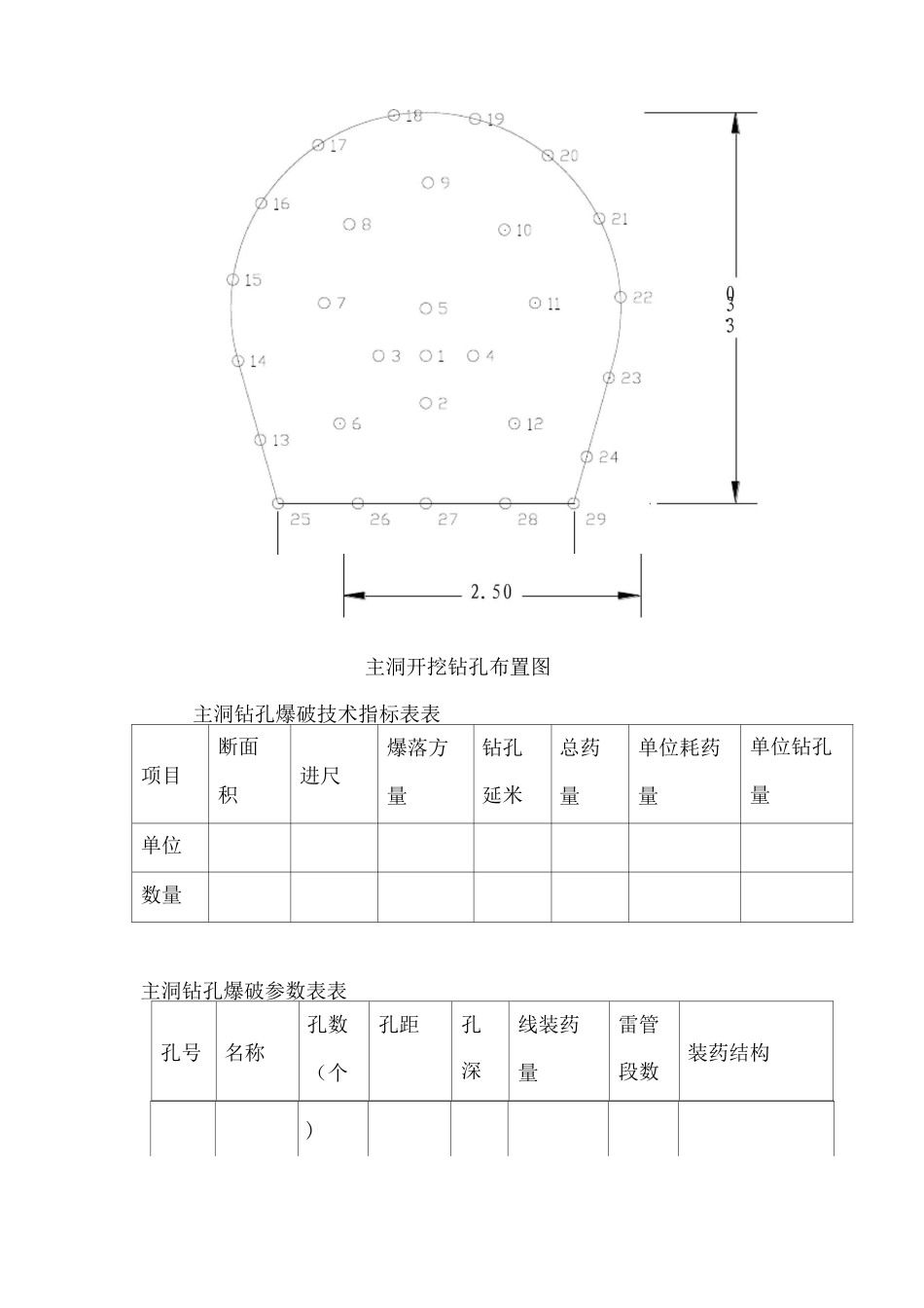
主洞洞挖施工方法施工方案及方法由于主洞的洞径较小,拟采纳全断面开挖的方法施工。采纳型气腿式风钻孔,孔径 ,炸药以 铉锦炸药为主,地下水丰富时用 抗水铉锐炸药。钻孔爆破设计按主洞断面,类围岩初设。施工时将根据不同岩性、不同断面,结合爆破效果作适当调整,以达到最佳爆破效果。在洞室掘进中,根据选定的施工方案,在开挖面上分类布置,使每个炮孔都能起到应有的作用,首先要合理布置掏槽孔,这是每个循环的前提,其次是周边孔,根据光面爆破质量标准的要求,周边孔中心都应布置在隧洞开挖断面轮廓线上,偏离轮廓线的误差不得大于,孔底向外倾斜应不小于,即向外倾斜不得大于。开挖采纳光面爆破技术成型,布置见图。爆破辅助孔连续装药,周边光面孔间隔装药导爆索连接,孔底部加装药,炮孔堵塞长度为。光面爆破参数见表。爆破采纳微差非电雷管及塑料导爆管连成爆网络,火雷管起爆。钻孔个,其中光爆孔个,一次循环装药 ,循环进尺 ,炮孔利用系数,单位耗药量主洞开挖钻孔布置图主洞钻孔爆破技术指标表表项目断面积进尺爆落方量钻孔延米总药量单位耗药量单位钻孔量单位数量主洞钻孔爆破参数表表孔号名称孔数(个孔距孔深线装药量雷管段数装药结构)掏槽眼中心孔不装药辅助眼连续装药光爆眼不耦合间隔装药底眼作业循环及进度计划根据以上选定的施工方案,隧洞导坑开挖的作业循环如表隧洞开挖循环进尺 ,循环时间 小时,隧洞扩挖的作业循环如表 ,循环时间 小时。隧洞开挖循环进尺 ,综合导洞及扩挖作业循环,日循环 个,每月 个工作日计算,全断面综合开挖月最高进尺计划可达 。主洞开挖作业循环时间表序号项目时间循环作业时间测量放样钻孔装药.散烟除尘安全处理,出碴其他合计通风、散烟与除尘一、通风、通风量确定的原则)主要依据《水工建筑物地下开挖工程施工技术法律规范》及水利电力部水利水电建设总局《水利水电工程施工组织设计手册》,结合隧洞施工方法、施工机械类型与数量、通风方式与方法等条件。)施工通风必须满足施工人员的正常呼吸需要(一般按计),并能满足冲淡、排除爆破及施工机械所产生的有害气体和粉尘。按公式分别计算出各自需要的通风量后,选用其中的最大值。)根据已确定的施工所需通风量进行风机工作风量计算,再选择通风设施。)通风量计算根据综合分析计算,本工程中按使用柴油机械时的通风量为最大来选择通风机。计算如下:式中:使用柴油机械通风量,;单位功率需要量指标,取;洞内同时工作的柴...

1、当您付费下载文档后,您只拥有了使用权限,并不意味着购买了版权,文档只能用于自身使用,不得用于其他商业用途(如 [转卖]进行直接盈利或[编辑后售卖]进行间接盈利)。
2、本站所有内容均由合作方或网友上传,本站不对文档的完整性、权威性及其观点立场正确性做任何保证或承诺!文档内容仅供研究参考,付费前请自行鉴别。
3、如文档内容存在违规,或者侵犯商业秘密、侵犯著作权等,请点击“违规举报”。

碎片内容

主洞洞挖施工方法

领读文化+ 关注
实名认证
内容提供者

传播文化,铸就未来

相关文档

确认删除?
VIP
微信客服
  • 扫码咨询
会员Q群
  • 会员专属群点击这里加入QQ群
客服邮箱
回到顶部