电脑桌面
添加小米粒文库到电脑桌面
安装后可以在桌面快捷访问

交通标识标牌安装工程施工方案方法

交通标识标牌安装工程施工方案方法_第1页
1/9
交通标识标牌安装工程施工方案方法_第2页
2/9
交通标识标牌安装工程施工方案方法_第3页
3/9
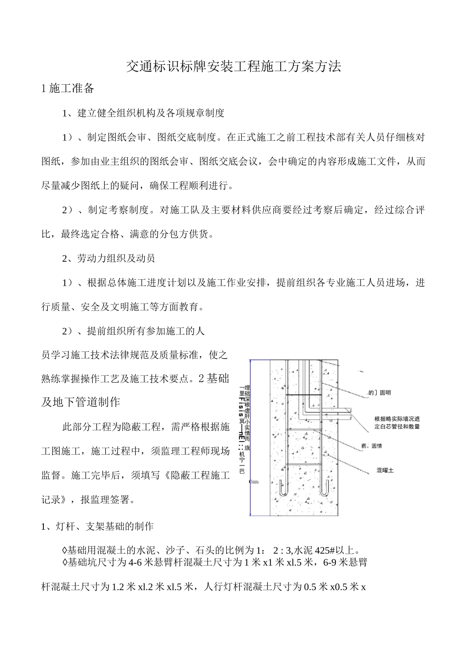
交通标识标牌安装工程施工方案方法1 施工准备1、建立健全组织机构及各项规章制度1)、制定图纸会审、图纸交底制度。在正式施工之前工程技术部有关人员仔细核对图纸,参加由业主组织的图纸会审、图纸交底会议,会中确定的内容形成施工文件,从而尽量减少图纸上的疑问,确保工程顺利进行。2)、制定考察制度。对施工队及主要材料供应商要经过考察后确定,经过综合评比,最终选定合格、满意的分包方供货。2、劳动力组织及动员1)、根据总体施工进度计划以及施工作业安排,提前组织各专业施工人员进场,进行质量、安全及文明施工等方面教育。2)、提前组织所有参加施工的人员学习施工技术法律规范及质量标准,使之熟练掌握操作工艺及施工技术要点。2 基础及地下管道制作此部分工程为隐蔽工程,需严格根据施工图施工,施工过程中,须监理工程师现场监督。施工完毕后,须填写《隐蔽工程施工记录》,报监理签署。1、灯杆、支架基础的制作◊基础用混凝土的水泥、沙子、石头的比例为 1: 2 : 3,水泥 425#以上。◊基础坑尺寸为 4-6 米悬臂杆混凝土尺寸为 1 米 x1 米 xl.5 米,6-9 米悬臂杆混凝土尺寸为 1.2 米 xl.2 米 xl.5 米,人行灯杆混凝土尺寸为 0.5 米 x0.5 米 x的]圆明而。圆情混曜土根据略实际墙况遮定白芯管径和数量埋础深根虐肝小实情而 旗『里Fisis冥—nEl:;机宁一巴0.5 米。一般情况下,上坑不得大于标注尺寸的 10% ;坑底不得小于标注尺寸。◊安放规定的地笼于基础坑内,地笼材料为 M24 螺纹钢或 M18 螺纹钢,下地笼时注意地笼方向,一般规定地笼法兰盘对应两笼脚平行于指示方向。焊接好接地引线浇注混凝土至引出管位置后安放弯管与管道顺接,浇注混凝土至原地平面。混凝土标号为 C25。◊使用水平尺检测调整地笼法兰盘至水平位置,保持法兰盘下平面与混凝土结合紧密。上平面高出地面 10 毫米,并固定。◊使用震捣器沿基础坑内地笼四周震捣,把混凝土捣实并出浆,必要时分步添加混凝土,使捣实后的基础平面与地平面持平。◊重复水平检测和震捣步骤和要求,达到规定标准,然后在基础坑周围设置围挡,严防践踏、碰撞基础结构件,直到混凝土基本固化。◊使用水泥灰浆沿地笼基础四周,抹平滑成自然漫坡,修整基础四周与原地面顺接。2、机箱基础的制作◊机箱基础坑尺寸按规定要求施工。要求坑底和坑壁平整,如遇松土或沙石地质,可适度扩大基础坑尺寸,四周用机砖围出要求尺寸的基础坑。◊使用 C20 或 C25 ...

1、当您付费下载文档后,您只拥有了使用权限,并不意味着购买了版权,文档只能用于自身使用,不得用于其他商业用途(如 [转卖]进行直接盈利或[编辑后售卖]进行间接盈利)。
2、本站所有内容均由合作方或网友上传,本站不对文档的完整性、权威性及其观点立场正确性做任何保证或承诺!文档内容仅供研究参考,付费前请自行鉴别。
3、如文档内容存在违规,或者侵犯商业秘密、侵犯著作权等,请点击“违规举报”。

碎片内容

交通标识标牌安装工程施工方案方法

确认删除?
VIP
微信客服
  • 扫码咨询
会员Q群
  • 会员专属群点击这里加入QQ群
客服邮箱
回到顶部