电脑桌面
添加小米粒文库到电脑桌面
安装后可以在桌面快捷访问

光伏发电项目工程强制性条文执行计划

光伏发电项目工程强制性条文执行计划_第1页
1/7
光伏发电项目工程强制性条文执行计划_第2页
2/7
光伏发电项目工程强制性条文执行计划_第3页
3/7
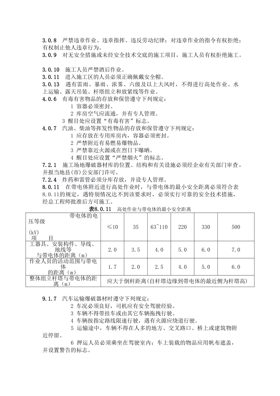
强制性条文执行计划1、工程概况××新能源曲阳三期 29.7MW 并网光伏发电项目工程装机容量 29.7MWp,本期工程光伏场区为扩建工程,本期为三期工程,规划容量 29.7MWp,对升压站进行改扩建。××新能源曲阳三期 29.7MW 并网光伏发电项目工程拟建在河北省曲阳县齐村乡,场址距曲阳县城约 15 公里。本电站场址范围为东经 114°33′08",北纬 38°42′21"。场址位于华北平原西部曲阳西部山区,区域构造上位于山西地台与渤海凹陷的接壤部位,新华夏系构造体系第二沉降带与太行山隆起带的过渡地带,厂区地形以属中低山为主。2、编制依据《 工 程 建 设 标 准 强 制 性 条 文 》 ( 电 力 工 程 部 分 ) 2025 版 、 现 行《110KV~500KV 架空送电线路施工及验收法律规范》(GB50233-2025)、《电力建设安全工作规程 第 2 部分:架空电力线路》 DL 5009.2-20253、目的为了更好的贯彻实施建设部颁发的 2025 版《工程建设标准强制性条文》(电力工程部分),实施在工程“安全零事故”、“质量零缺陷”达标投产实现国家电网公司优质工程,争创国家优质工程的建设目标,法律规范建设中的施工行为,特制定本计划。4、适用范围本强条计划适用于建设××新能源曲阳三期 29.7MWp 光伏发电项目5、 计划实施领导组织机构组长:××组员:××6、岗位职责6.1 组长由项目经理承担,为领导在工程实施《条文》计划的第一责任和管理人。6.2 成员:曲阳光伏电站项目部成员职责分工负责《条文》相应内容的监督实施和施工指导。7、强制性条文执行计划执行程序项目总工制定强制性条文执行计划项目经理审批项目总工程师按审批后的强制性条文计划检查 1、自检 2、互检 3、领导小组检查问题反馈整改总工程师复查总结、记录、归档《电力建设安全工作规程 第 2 部分:架空电力线路》 DL 5009.2-2025 3.0.1 工程建设、施工、监理单位的各级领导、工程技术人员和施工管理人员必须熟悉并严格遵守本部分,施工人员必须熟悉和严格遵守本部分,并经考试合格后上岗。 3.0.2 对从事电工、金属焊接与切割、高处作业、起重、机械操作、爆破(压)、企业内机动车驾驶等特种作业施工人员,必须进行安全技术理论的学习和实际操作的培训,经有关部门考核合格后,持证上岗。 3.0.3 对新入厂人员必须进行三级安全教育培训,经考试合格后方可上岗。 3.0.5 施工必须有安全技术措施,并在施工前进行交底和做好现场监护工作。已交底的...

1、当您付费下载文档后,您只拥有了使用权限,并不意味着购买了版权,文档只能用于自身使用,不得用于其他商业用途(如 [转卖]进行直接盈利或[编辑后售卖]进行间接盈利)。
2、本站所有内容均由合作方或网友上传,本站不对文档的完整性、权威性及其观点立场正确性做任何保证或承诺!文档内容仅供研究参考,付费前请自行鉴别。
3、如文档内容存在违规,或者侵犯商业秘密、侵犯著作权等,请点击“违规举报”。

碎片内容

光伏发电项目工程强制性条文执行计划

确认删除?
VIP
微信客服
  • 扫码咨询
会员Q群
  • 会员专属群点击这里加入QQ群
客服邮箱
回到顶部