电脑桌面
添加小米粒文库到电脑桌面
安装后可以在桌面快捷访问

全国数控车技能大赛历届图

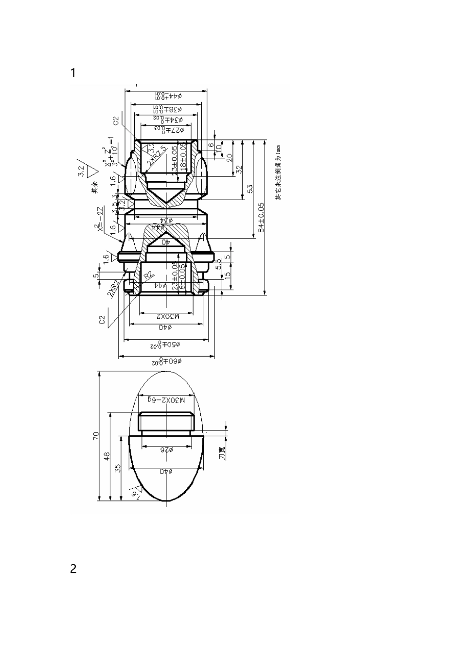
全国数控车技能大赛历届图_第1页
1/33
全国数控车技能大赛历届图_第2页
2/33
全国数控车技能大赛历届图_第3页
3/33
全国数控车技能大赛历届图(31 页)Good is good, but better carries it.精益求精,善益求善。123456图 2-1 图 2-278图 2-3 8图 2-49 题图 2-110 题图 2-211 题图 2-312 题图 2-413 题图 2-514151617 题图2-918 题图 2-1019 题图 2-1120 题图 2-122122232425 题图 2-17262728 a )装配图 b)件1 c )件2 题图2-2…${);^…(~^}—~\·…~':;*$~!、【}@·(

1、当您付费下载文档后,您只拥有了使用权限,并不意味着购买了版权,文档只能用于自身使用,不得用于其他商业用途(如 [转卖]进行直接盈利或[编辑后售卖]进行间接盈利)。
2、本站所有内容均由合作方或网友上传,本站不对文档的完整性、权威性及其观点立场正确性做任何保证或承诺!文档内容仅供研究参考,付费前请自行鉴别。
3、如文档内容存在违规,或者侵犯商业秘密、侵犯著作权等,请点击“违规举报”。

碎片内容

全国数控车技能大赛历届图

您可能关注的文档

不二商店+ 关注
实名认证
内容提供者

我是你的不二选择

确认删除?
VIP
微信客服
  • 扫码咨询
会员Q群
  • 会员专属群点击这里加入QQ群
客服邮箱
回到顶部