电脑桌面
添加小米粒文库到电脑桌面
安装后可以在桌面快捷访问

冠梁支撑梁拆除施工工艺

冠梁支撑梁拆除施工工艺_第1页
1/7
冠梁支撑梁拆除施工工艺_第2页
2/7
冠梁支撑梁拆除施工工艺_第3页
3/7
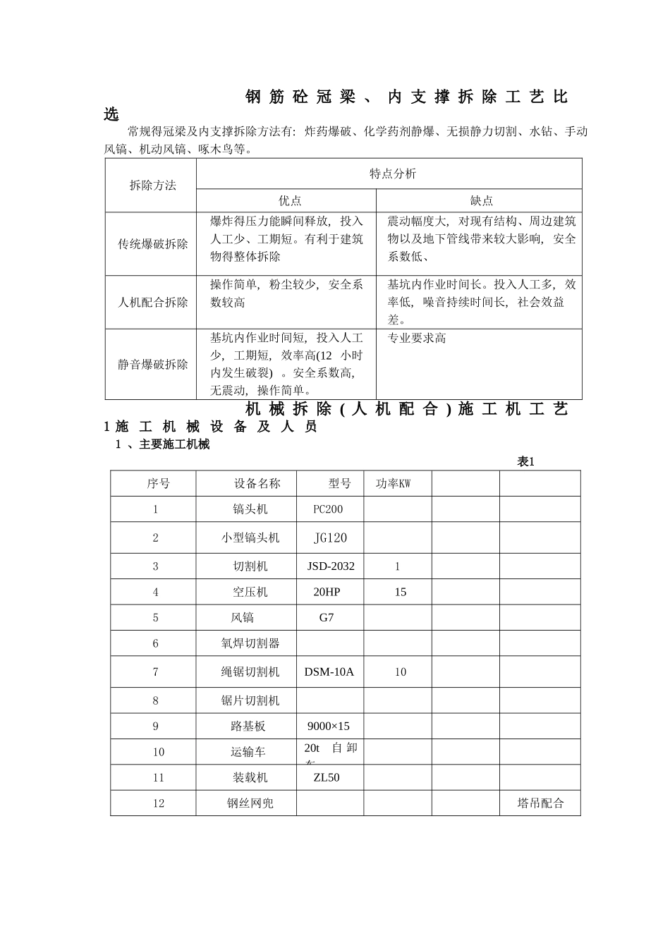
钢 筋 砼 冠 梁 、 内 支 撑 拆 除 工 艺 比选常规得冠梁及内支撑拆除方法有: 炸药爆破、化学药剂静爆、无损静力切割、水钻、手动风镐、机动风镐、啄木鸟等。拆除方法特点分析优点缺点传统爆破拆除爆炸得压力能瞬间释放, 投入人工少、工期短。有利于建筑物得整体拆除震动幅度大, 对现有结构、周边建筑物以及地下管线带来较大影响, 安全系数低、人机配合拆除操作简单, 粉尘较少, 安全系数较高基坑内作业时间长。投入人工多, 效率低, 噪音持续时间长, 社会效益差。静音爆破拆除基坑内作业时间短, 投入人工少, 工期短, 效率高(12 小时内发生破裂) 。安全系数高,无震动, 操作简单。专业要求高机 械 拆 除 ( 人 机 配 合 ) 施 工 机 工 艺1 施 工 机 械 设 备 及 人 员1 、主要施工机械 表1 序号设备名称型号功率KW1镐头机PC200 2小型镐头机JG1203切割机JSD-203214空压机20HP155风镐 G76氧焊切割器7绳锯切割机DSM-10A108锯片切割机9路基板9000×1510运输车20t自 卸车11装载机ZL5012钢丝网兜塔吊配合 金刚石绳锯切割 金刚石绳锯切割 金刚石绳锯切割支撑梁1、2 劳动力配置主要劳动力表 表 2工种工 作 内 容人数备 注镐头机司机操作镐头机破裂支撑构件2/台班操作工空压机风镐局部破裂3 台班装载机司机倒运、装车1 台班操作工清除破裂后得钢筋砼10电工现场电器设备及用电管理1机修工设备维修、保养1辅助工机动2气焊工配合钢筋切割、2架子工支撑梁下脚手架搭设5-102、施工法律规范、规程、法律、法规 表 3序号名 称编 号类别1建筑基坑工程监测技术法律规范GB50497-2025国家2建筑机械使用安全技术规程JGJ33—2025行业3施工现场临时用电安全技术法律规范JGJ46—2025行业4建筑工程施工现场供电安全法律规范GB50194—93国家5起重机械安全规程GB6067-2025国家6中华人民共与国安全生产法7中华人民共与国建筑法8建筑拆除工程安全技术法律规范 JGJ147-20259建设工程安全生产管理条例3、施工工艺流程及施工质量控制3、1 工艺流程成品保护——搭设钢櫈支撑——搭设施工脚手架——风镐/啄木鸟剔除——中间渣土运输——钢筋切割——破除后碎渣运输——检查验收——立柱桩拆除——工完场清。3、2 施工组织与质量控制3、2、1、成品保护:⑴ 混凝土进入养护阶段,待强度达到设计强度百分之八十要求后,在支撑梁施工范围内铺满旧模板或厚麻袋,对负层顶板面层进行保护,以防止破裂支撑梁混凝土施工...

1、当您付费下载文档后,您只拥有了使用权限,并不意味着购买了版权,文档只能用于自身使用,不得用于其他商业用途(如 [转卖]进行直接盈利或[编辑后售卖]进行间接盈利)。
2、本站所有内容均由合作方或网友上传,本站不对文档的完整性、权威性及其观点立场正确性做任何保证或承诺!文档内容仅供研究参考,付费前请自行鉴别。
3、如文档内容存在违规,或者侵犯商业秘密、侵犯著作权等,请点击“违规举报”。

碎片内容

冠梁支撑梁拆除施工工艺

确认删除?
VIP
微信客服
  • 扫码咨询
会员Q群
  • 会员专属群点击这里加入QQ群
客服邮箱
回到顶部