电脑桌面
添加小米粒文库到电脑桌面
安装后可以在桌面快捷访问

冬季混凝土工程暖棚法养护工艺

冬季混凝土工程暖棚法养护工艺_第1页
1/2
冬季混凝土工程暖棚法养护工艺_第2页
2/2
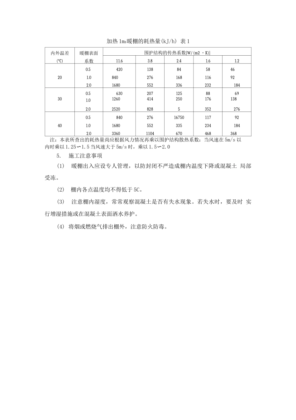
冬季混凝土工程暖棚法养护工艺1. 工艺特点在建筑物或构件周围搭起大棚,通过人工加热使棚内空气保持正温,混凝土 的浇筑与养护均在棚内进行。本法的优点是:施工操作与常温无异,劳动条件较 好,工作效率较高。同时混凝土质量有可靠保证,不易发生冻害。缺点是:暖棚 搭设需大量材料和人工,供热需大量能源,费用较高。由于棚内温度较低(通常 不超过10C),所以混凝土强度增长较慢。2. 适用范围暖棚法适用于混凝土工程较为集中的区域,尤某适用于混凝土量较多的地下 工程。当日平均气温低于-10C 时,暖棚法不易奏效。3. 暖棚构造暖棚通常以脚手材料(钢管或木杆)为骨架,用塑料薄膜或帆布围护。塑料 薄膜可使用厚度大于 0.1mm 的聚乙烯薄膜,也可使用以聚丙烯编织布和聚丙烯 薄膜复合而成的复合布。塑料薄膜不仅重量轻,而且透光,白天不需要人工照明, 吸收太阳能后还能提高棚内温度。加热用的能源一般为煤或焦炭,也可使用以电、燃气、煤油或蒸汽为能源的 热风机或散热器。4. 能耗计算暖棚内的热量消耗,可根据暖棚尺寸、围护构造、地面的导热系数和室内换 气次数(一般按每小时 2 次计算)等来计算确定。也可从表 1 中查出。加热 1m3暖棚的耗热量(kJ/h) 表 1内外温差暖棚表面围护结构的传热系数[W/ (m2 ・K)](°C)系数11.63.82.41.61.20.5420138845846201.0840276168116922.016805523362321840.56302071258869301.012604142501761382.0252082853522760.58402761675011792401.016805523352341842.033601104670468368注:本表所查出的耗热量尚应根据风力情况再乘以围护结构散热系数:当风速在 5m/s 以内时乘以 1.25〜1.5 当风速大于 5m/s 时,乘以 1.5〜2.05.施工注意事项(1)暖棚出入应设专人管理,以防封闭不严造成棚内温度下降或混凝土 局部受冻。(2)棚内各点温度均不得低于 5C。(3)注意棚内湿度,常常观察混凝土是否有失水现象。若失水时,要及时 实行增湿措施或在混凝土表面洒水养护。(4) 将烟或燃烧气排出棚外,注意防火防毒。

1、当您付费下载文档后,您只拥有了使用权限,并不意味着购买了版权,文档只能用于自身使用,不得用于其他商业用途(如 [转卖]进行直接盈利或[编辑后售卖]进行间接盈利)。
2、本站所有内容均由合作方或网友上传,本站不对文档的完整性、权威性及其观点立场正确性做任何保证或承诺!文档内容仅供研究参考,付费前请自行鉴别。
3、如文档内容存在违规,或者侵犯商业秘密、侵犯著作权等,请点击“违规举报”。

碎片内容

冬季混凝土工程暖棚法养护工艺

您可能关注的文档

确认删除?
VIP
微信客服
  • 扫码咨询
会员Q群
  • 会员专属群点击这里加入QQ群
客服邮箱
回到顶部