电脑桌面
添加小米粒文库到电脑桌面
安装后可以在桌面快捷访问

冲孔灌注桩技术交底

冲孔灌注桩技术交底_第1页
1/5
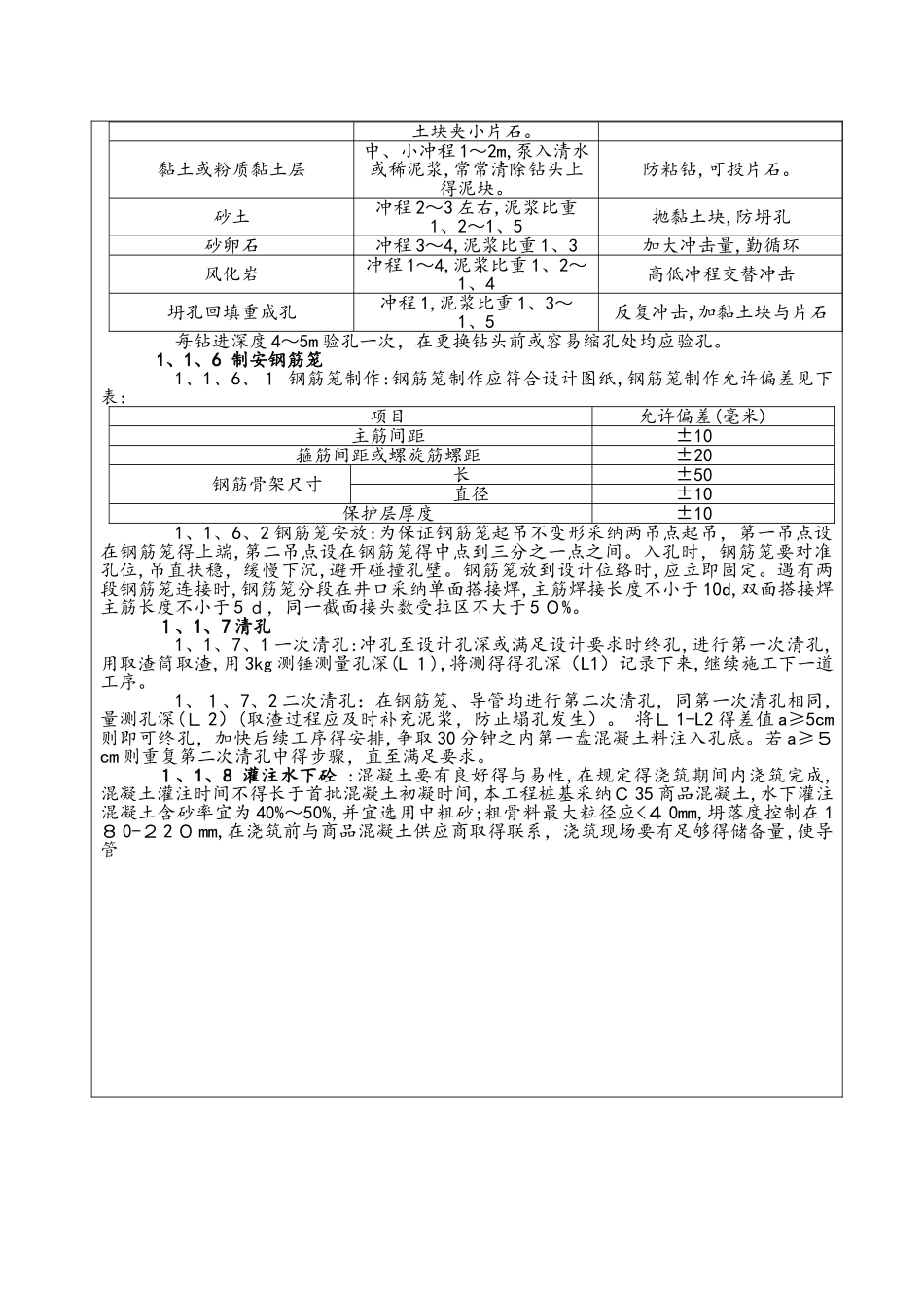
冲孔灌注桩技术交底_第2页
2/5
冲孔灌注桩技术交底_第3页
3/5
桩位放样技术交底记录工程名称福鼎市文化艺术中心交底日期年 月 日施工单位福建建工集团有限公司分项工程名称冲孔桩施工交底提要1、施工工艺 2、质量保证措施 3、成品保护 4、冲孔注意事项及异常处理 5、安全文明措施1、施工工艺1、1 工艺流程 1、1、1 场地准备:施工前对场地进行清理、平整施工前对场地进行清理、平整,做到“三通一平",为冲孔作业提供工作平台,统一规划设置泥浆池、沉淀池,采纳机械开挖,并做好浆池围护。 1 、 1 、 2 测 量 放样:测量人员根据施工图纸精确放样出孔样:测量人员根据施工图纸精确放样出孔位,复查无误后方可进行安放桩机及埋设护筒.位,复查无误后方可进行安放桩机及埋设护筒.位,复查无误后方可进行安放桩机及埋设护筒.平整场地钻机就位埋设护筒钻进成孔一次清孔成孔检测安放钢筋笼二次清孔安装导管浇筑混凝土桩基移位钢筋笼制作测量控制网建立护筒制作平整度、垂直度检查泥浆循环导管拼装、检查1、1、3 埋设护筒:护筒采纳 4~8mm 厚钢板护筒。护筒内径应比冲击头直径大200㎜,其上部宜开设 1~2个溢浆孔。埋设深度根据土质与地下水位而定,在粘性土中不宜小于 1m;在砂土中不宜小于 1、5m;顶面高出地面 30cm,并满足孔内泥浆面高出地下水位 1m以上。护筒下端外侧应采纳黏土填实,起到保护孔口、防止地面水流入、增加孔内静水压力以维持孔壁稳定、为钻进导向得作用。若遇易坍孔得土层时,宜加长护筒长度,以防护筒底脚悬空坍孔。护筒上口平面中心点应与设计桩位中心点尽可能重合 ,偏差不得大于50mm。 1、1、4 泥浆池及泥浆制备:泥浆池得容积为钻孔容积得 1、2~1、5 倍,护壁泥浆可采纳孔内自然造浆.在施工过程中及时加入粘土及泥浆处理剂。 1、1、5 冲击成孔 1、1、5、1 钻机就位前,铺设垫木,保证钻机平稳牢固.钻机支撑垫木不能压在孔口钢护筒上,防止护筒变形移位. 1、1、5、2 调整钻机,使钻锥起吊滑轮缘,钻锥中心与桩孔中心三者在同一垂线上,稳定好钻机与扒杆揽风绳。吊钻得钢丝绳选用软性、无死弯、无断丝者,安全系数不小于12,与钻头得联结必须牢固.钻机选型为 CZ-33 型冲击钻机,如下图 1 所示。它由简易钻架、冲锤、转向装置、护筒以及3~5 t 双筒卷扬机(带离合器)等组成。所用钻具按形状分,常用有十字钻头与三翼钻头两种;前者专用于砾石层与岩层;后者适用于土层。转向装置就是一个活动得吊环,它与主挖钢绳得吊环联结提升冲锤。1、1、5、3 开...

1、当您付费下载文档后,您只拥有了使用权限,并不意味着购买了版权,文档只能用于自身使用,不得用于其他商业用途(如 [转卖]进行直接盈利或[编辑后售卖]进行间接盈利)。
2、本站所有内容均由合作方或网友上传,本站不对文档的完整性、权威性及其观点立场正确性做任何保证或承诺!文档内容仅供研究参考,付费前请自行鉴别。
3、如文档内容存在违规,或者侵犯商业秘密、侵犯著作权等,请点击“违规举报”。

碎片内容

冲孔灌注桩技术交底

范哲铺+ 关注
实名认证
内容提供者

想你所想,急你所急,你需要的都在店铺里可以找到。

确认删除?
VIP
微信客服
  • 扫码咨询
会员Q群
  • 会员专属群点击这里加入QQ群
客服邮箱
回到顶部