电脑桌面
添加小米粒文库到电脑桌面
安装后可以在桌面快捷访问

制动系统设计计算分析

制动系统设计计算分析_第1页
1/4
制动系统设计计算分析_第2页
2/4
制动系统设计计算分析_第3页
3/4
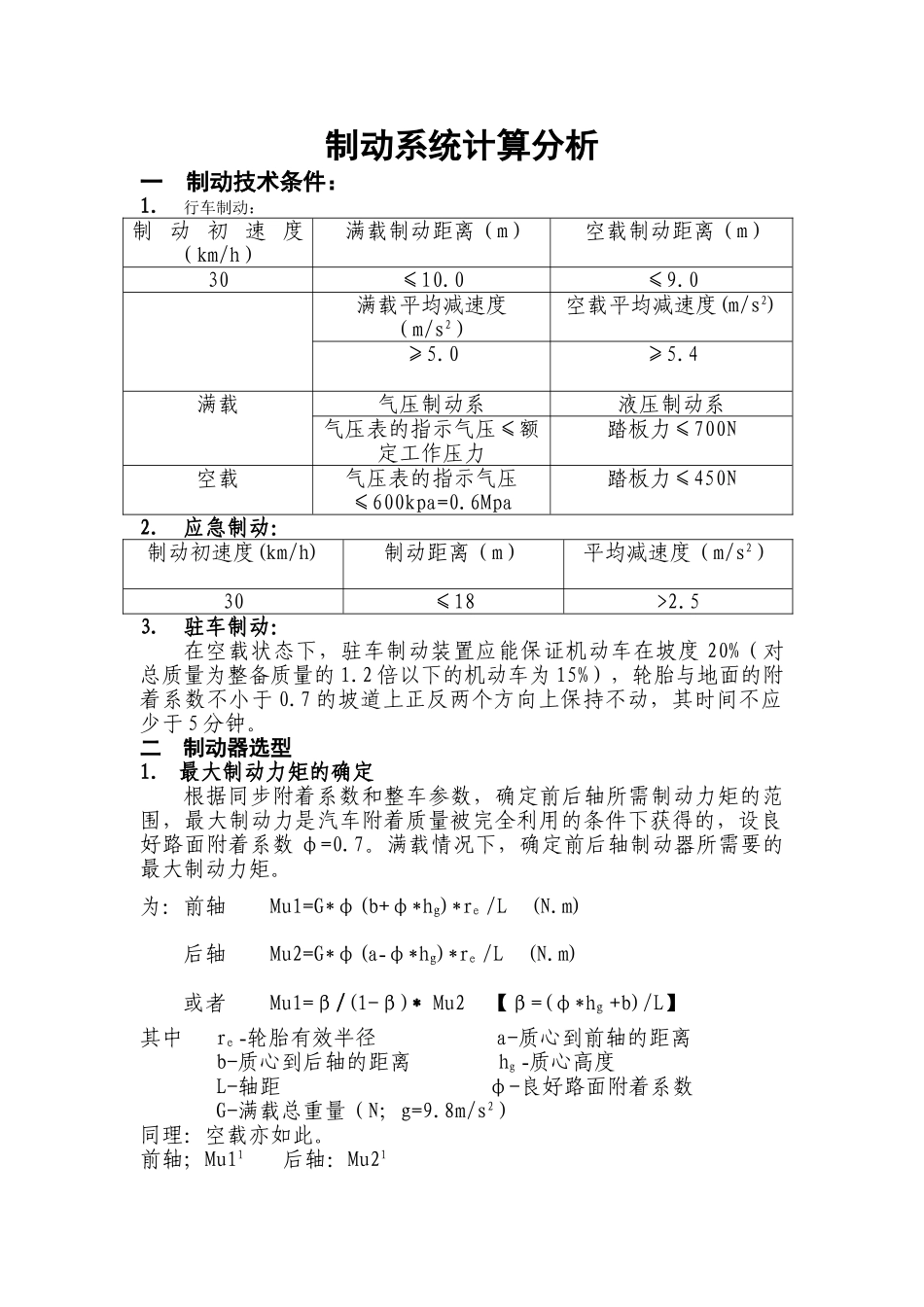
制动系统计算分析一 制动技术条件:1. 行车制动: 制 动 初 速 度(km/h)满载制动距离(m)空载制动距离(m)30≤10.0≤9.0满载平均减速度(m/s2)空载平均减速度(m/s2)≥5.0≥5.4满载气压制动系液压制动系气压表的指示气压≤额定工作压力踏板力≤700N空载气压表的指示气压≤600kpa=0.6Mpa踏板力≤450N2. 应急制动:制动初速度(km/h)制动距离(m)平均减速度(m/s2)30≤18>2.53. 驻车制动:在空载状态下,驻车制动装置应能保证机动车在坡度 20%(对总质量为整备质量的 1.2 倍以下的机动车为 15%),轮胎与地面的附着系数不小于 0.7 的坡道上正反两个方向上保持不动,其时间不应少于 5 分钟。二 制动器选型1. 最大制动力矩的确定根据同步附着系数和整车参数,确定前后轴所需制动力矩的范围,最大制动力是汽车附着质量被完全利用的条件下获得的,设良好路面附着系数 φ=0.7。满载情况下,确定前后轴制动器所需要的最大制动力矩。为:前轴 Mu1=G*φ(b+φ*hg)*re /L (N.m)后轴 Mu2=G*φ(a-φ*hg)*re /L (N.m)或者 Mu1=β/(1-β)* Mu2 【β=(φ*hg +b)/L】其中 re -轮胎有效半径 a-质心到前轴的距离 b-质心到后轴的距离 hg -质心高度 L-轴距 φ-良好路面附着系数 G-满载总重量(N;g=9.8m/s2)同理:空载亦如此。前轴;Mu11 后轴:Mu21根据满载和空载的情况,确定最大制动力矩,此力满足最大值。所以:前轮制动器制动力矩(单个)≥Mu1 或 Mu11/2 后轮制动器制动力矩(单个)≥Mu2 或 Mu21/22. 行车制动性能计算(满载情况下)已知参数: 前桥最大制动力矩 Tu1(N.m) 单个制动器 后桥最大制动力矩 Tu2(N.m) 单个制动器 满载整车总质量 M(kg)① 整车制动力Mu1= Tu1*φ*2 (N.m)Mu2= Tu2*φ*2 (N.m)Fu= (Mu1+ Mu2)/re (N)② 制动减速度ab=Fu/M (m/s2)③ 制动距离S= Ua0*(t21 + t211 /2)/3.6 + Ua02 /25.92* ab其中:Ua0 (km/h)-制动初速度, t21 + t211 /2 为气压制动系制动系作用时间(一般在 0.3-0.9s)3. 驻车制动性能计算满载下坡停驻时后轴车轮的附着力矩:MfMf=M*g*φ(a*cosα/L -hg*sinα/L)*re (N.m)其中附着系数 φ=0.7 坡度 20%(α=11.31o)在 20%坡上的下滑力矩:M 滑M 滑=M*g*sinα*re (N.m) 驻车度 α=11.31o则 Mf>M 滑时,满足驻车要求。三 储气筒容量校核设储气筒容积为 V 储,全部制动管路总容积为∑V 管,各制动气室压力腔最大容...

1、当您付费下载文档后,您只拥有了使用权限,并不意味着购买了版权,文档只能用于自身使用,不得用于其他商业用途(如 [转卖]进行直接盈利或[编辑后售卖]进行间接盈利)。
2、本站所有内容均由合作方或网友上传,本站不对文档的完整性、权威性及其观点立场正确性做任何保证或承诺!文档内容仅供研究参考,付费前请自行鉴别。
3、如文档内容存在违规,或者侵犯商业秘密、侵犯著作权等,请点击“违规举报”。

碎片内容

制动系统设计计算分析

您可能关注的文档

确认删除?
VIP
微信客服
  • 扫码咨询
会员Q群
  • 会员专属群点击这里加入QQ群
客服邮箱
回到顶部