电脑桌面
添加小米粒文库到电脑桌面
安装后可以在桌面快捷访问

制浆造纸企业现场管理隐患排查项目表

制浆造纸企业现场管理隐患排查项目表_第1页
1/57
制浆造纸企业现场管理隐患排查项目表_第2页
2/57
制浆造纸企业现场管理隐患排查项目表_第3页
3/57
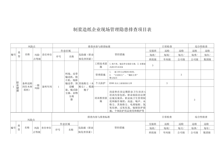
制浆造纸企业现场管理隐患排查项目表风险点排查内容与排查标准日常检查综合性检查编号类型名称风险点等级责任单位作业区域危险源(职业病危害因素)管控措施交接班巡检巡检巡检巡检序号名称每班/每周/每月/每季/每年/班组级车间级公司级公司级集团级1职业健康备料巡检岗位木材原料)一般风险备料车间1料场、皮带输送机、削片机、栈桥输送带、预浸螺旋、辊式除尘器、杂物分离器其他粉尘(木粉尘)、霉菌胞子工程技术措施1.削片机、输送带安装除尘器;2.设置湿式清扫作业设备3管理措施1.建立积尘定期清扫制度;2. “注意防尘”、“戴防尘罩”警示标识3个人防护KN90 及以上级别的防尘罩3培训教育措施岗前和在岗定期职业卫生培训 h培训内容包括:职业病防治法律法规及规章;职业病卫生管理制度和操作规程;高温、噪声、木粉尘、其他粉尘、电离辐射、氢氧化钠、过氧化氢、辐射防护措施;个体防护用品使用和维护等3风险点排查内容与排查标准日常检查综合性检查编号类型名称风险点等级责任单位作业区域危险源(职业病危害因素)管控措施交接班巡检巡检巡检巡检序号名称每班/每周/每月/每季/每年/班组级车间级公司级公司级集团级1职业健康备料巡检岗位木材原料)一般风险备料车间2皮带输送机、削片机、栈桥输送带、预浸螺旋、辊式除尘器、杂物分离器噪声工程技术措施1.选用低噪声设备;2.安装独立减震基础;增设吸引材料;3管理措施设置“噪声有害”、“戴护耳器”警示标识3个人防护防噪耳塞或耳罩(SNR 在 17 ~34dB)32职业健康备料巡检岗位木材原料)一般风险备料车间1打包机、打捆机、切草棚、料场、栈桥输送带;其他粉尘(棉粉尘、麻粉尘、草粉尘)工程技术措施打捆机、栈桥输送带安装除尘器;3管理措施1.对除尘设施定期进行检查;2.设置“注意防尘”、“戴防尘罩” “警示标识3个人防护KN90 及以上级别的防尘罩;3培训教育措施岗前和在岗定期职业卫生培训,培训内容包括:职业病防治法律法规及规章;职业病卫生管理制度和操作规程;木粉尘、噪声防护措施;个体防护用品使用和维护等3风险点排查内容与排查标准日常检查综合性检查编号 类型名称风险点等级责任单位作业区域危险源(职业病危害因素)管控措施交接班巡检巡检巡检巡检序号名称每班/每周/每月/每季/每年/班组级车间级公司级公司级集团级2职业健康备料巡检岗位木材原料)一般风险备料车间2打包机、打捆机、栈桥输送带;噪声工程技术措施打包机、打捆机、栈桥输送带;打包机、打捆机立...

1、当您付费下载文档后,您只拥有了使用权限,并不意味着购买了版权,文档只能用于自身使用,不得用于其他商业用途(如 [转卖]进行直接盈利或[编辑后售卖]进行间接盈利)。
2、本站所有内容均由合作方或网友上传,本站不对文档的完整性、权威性及其观点立场正确性做任何保证或承诺!文档内容仅供研究参考,付费前请自行鉴别。
3、如文档内容存在违规,或者侵犯商业秘密、侵犯著作权等,请点击“违规举报”。

碎片内容

制浆造纸企业现场管理隐患排查项目表

您可能关注的文档

确认删除?
VIP
微信客服
  • 扫码咨询
会员Q群
  • 会员专属群点击这里加入QQ群
客服邮箱
回到顶部