电脑桌面
添加小米粒文库到电脑桌面
安装后可以在桌面快捷访问

加油站总平面布置规范

加油站总平面布置规范_第1页
1/10
加油站总平面布置规范_第2页
2/10
加油站总平面布置规范_第3页
3/10
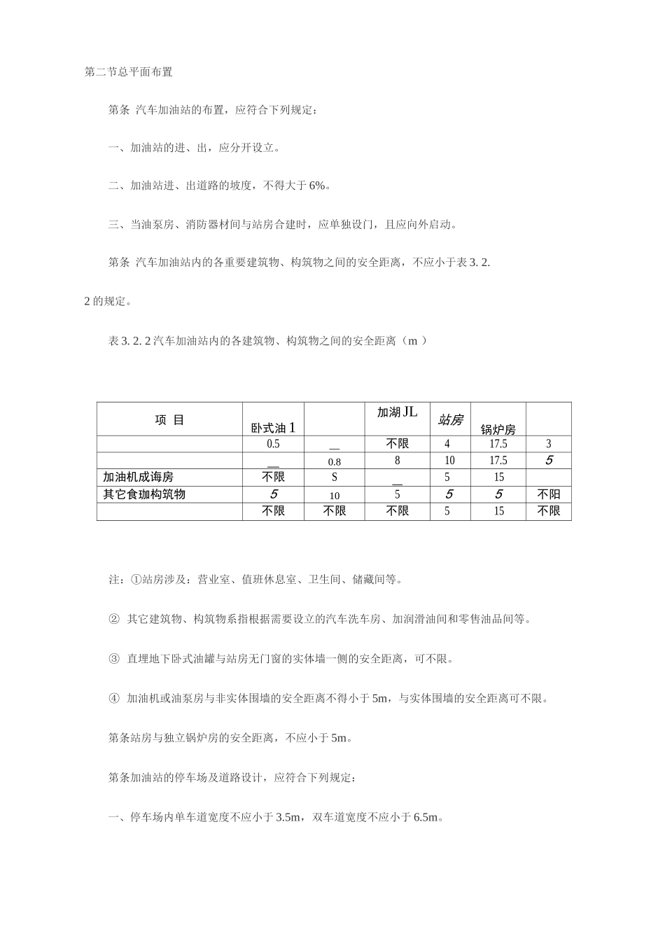
第二节总平面布置第条 汽车加油站的布置,应符合下列规定:一、加油站的进、出,应分开设立。二、加油站进、出道路的坡度,不得大于 6%。三、当油泵房、消防器材间与站房合建时,应单独设门,且应向外启动。第条 汽车加油站内的各重要建筑物、构筑物之间的安全距离,不应小于表 3. 2.2 的规定。表 3. 2. 2 汽车加油站内的各建筑物、构筑物之间的安全距离(m )项 目卧式油 1加湖 JL站房锅炉房0.5—不限417.53—0.881017.55加油机成诲房不限S—515其它食珈构筑物510555不阳不限不限不限515不限注:①站房涉及:营业室、值班休息室、卫生间、储藏间等。② 其它建筑物、构筑物系指根据需要设立的汽车洗车房、加润滑油间和零售油品间等。③ 直埋地下卧式油罐与站房无门窗的实体墙一侧的安全距离,可不限。④ 加油机或油泵房与非实体围墙的安全距离不得小于 5m,与实体围墙的安全距离可不限。第条站房与独立锅炉房的安全距离,不应小于 5m。第条加油站的停车场及道路设计,应符合下列规定:一、停车场内单车道宽度不应小于 3.5m,双车道宽度不应小于 6.5m。二、停车场地坪及道路路面,不得采纳沥青路面。第条一、二级加油站与建筑物相邻的一侧,应建筑高度不低于 2.2m 的非燃烧体实体围墙,面对进、出道路的一侧,宜建造非实体围墙。第三节站房与加油岛第条加油站站房室内地坪的标高,应高出室外汽车加油场地地坪的标高 0.2m。第条加油岛及汽车加油场地宜设罩棚,罩棚的有效高度不应小于 4.5m。专供小轿车用的加油站的罩棚高度,不应小于 3.6m。第条加油岛的设计应符合下列规定:一、加油岛应高出停车场的地坪 0.2m;二、加油岛的宽度不应小于 1.2m。三、加油岛上的罩棚支柱距加油岛的端部,不应小于 0.6m。第四节油罐第条加油站的汽油和柴油储罐应采纳卧式钢罐。第条加油站油罐的设立,应符合下列规定:一、加油站的汽油、柴油储罐应直埋成地下式,严禁设在建筑物内或地下室内。建在郊区的加油站,当油罐直埋有困难时可设在地上。二、当油罐埋设在地下水位以下时,应采纳防止油罐上浮的措施。三、当油罐在行车道下面埋设时,应采纳保护盖板等措施。人孔操作井宜设在行车道以外。第条地上油罐应设防火堤,防火堤应符合下列规定:一、防火堤应用非燃烧材料建造,防火堤的净高不应小于 0.5m。二、卧式油罐罐壁至防火堤内坡脚底线的距离,不应小于 3m。三、防火堤内的有效容积,不应小于堤内一个最大油罐的容积。四、管线穿...

1、当您付费下载文档后,您只拥有了使用权限,并不意味着购买了版权,文档只能用于自身使用,不得用于其他商业用途(如 [转卖]进行直接盈利或[编辑后售卖]进行间接盈利)。
2、本站所有内容均由合作方或网友上传,本站不对文档的完整性、权威性及其观点立场正确性做任何保证或承诺!文档内容仅供研究参考,付费前请自行鉴别。
3、如文档内容存在违规,或者侵犯商业秘密、侵犯著作权等,请点击“违规举报”。

碎片内容

加油站总平面布置规范

不二商店+ 关注
实名认证
内容提供者

我是你的不二选择

确认删除?
VIP
微信客服
  • 扫码咨询
会员Q群
  • 会员专属群点击这里加入QQ群
客服邮箱
回到顶部