电脑桌面
添加小米粒文库到电脑桌面
安装后可以在桌面快捷访问

单位公司企业施工用电验收

单位公司企业施工用电验收_第1页
1/7
单位公司企业施工用电验收_第2页
2/7
单位公司企业施工用电验收_第3页
3/7
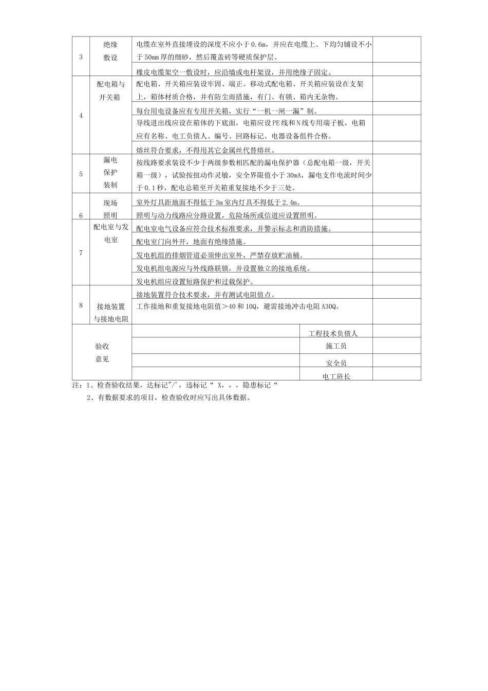
施工用电验收1 施工现场临时用电安全技术验收表2 现场临时用电检查记录表3 现场临时用电维修工作记录表4 施工用电主管网络5 ..定期检查表(月度)6 定期检查表(季度)施工现场临时用电安全技术验收表项目名称施工单位xx 市 xx 基建筑工程有限公司总容量(KW)验收日期年 月日检验项目检验内容与标准检验结果1用电管埋与外电防护按规定编制施工用电专项施工组织设计,并经批准后实施在建工程与外电线路必须保持安全操作距离 4m,如达不到要求时,必须采纳防护措施,并符合规定要求。2TN-S 系统与低压干结架设供电线路必须采纳 TN-S 系统,现场由三相四线制转换成三相五线制时,必须符合技术要求。PE 线必须使用黄绿双色线,连接合乎要求。架线用电杆宜采纳砼杆或木杆,严禁将线架设在脚手架、井架、树木上,导线应绑在绝缘子上,线路导线排列整齐,无化破损。低压架空线路高度不小于 4m,与建筑物水平距离不小于 4m。3绝缘敷设电缆在室外直接埋设的深度不应小于 0.6m,并应在电缆上、下均匀铺设不小于 50mm 厚的细砂,然后覆盖砖等硬质保护层。橡皮电缆架空一敷设时,应沿墙或电杆架设,并用绝缘子固定。4配电箱与开关箱配电箱、开关箱应装设牢固、端正。移动式配电箱、开关箱应装设在支架上,箱体材质合格,并有防尘雨措施,有门、有锁、箱内无杂物。每台用电设备应有专用开关箱,实行“一机一闸一漏”制。导线进出线应设在箱体的下底面,电箱应设 PE 线和 N 线专用端子板,电箱应有名称、电工负债人、编号、回路标记。电器设备组件合格。熔丝符合要求,不得用其它金属丝代替熔丝。5漏电保护装制按线路要求装设不少于两级参数相匹配的漏电保护器(总配电箱一级,开关箱一级),试验按扭动作灵敏,安全界限值小于 30mA,漏电支作电流时间少于 0.1 秒,配电总箱至开关箱重复接地不少于三处。6现场照明室外灯具距地面不得低于 3m 室内灯具不得低于 2.4m。照明与动力线路应分路设置,危险场所或信道应设置照明。7配电室与发电室配电室电气设备应符合技术标准要求,并警示标志和消防措施。配电室门向外开,地面有绝缘措施。发电机组的排烟管道必须伸出室外,严禁存放贮油桶。发电机组电源应与外线路联锁,并设置独立的接地系统。发电机组应设置短路保护和过载保护。8接地装置与接地电阻接地装置符合技术要求,并有测试电阻值点。工作接地和重复接地电阻值>40 和 10Q,避雷接地冲击电阻 A30Q。验收意见工程技术负债人...

1、当您付费下载文档后,您只拥有了使用权限,并不意味着购买了版权,文档只能用于自身使用,不得用于其他商业用途(如 [转卖]进行直接盈利或[编辑后售卖]进行间接盈利)。
2、本站所有内容均由合作方或网友上传,本站不对文档的完整性、权威性及其观点立场正确性做任何保证或承诺!文档内容仅供研究参考,付费前请自行鉴别。
3、如文档内容存在违规,或者侵犯商业秘密、侵犯著作权等,请点击“违规举报”。

碎片内容

单位公司企业施工用电验收

确认删除?
VIP
微信客服
  • 扫码咨询
会员Q群
  • 会员专属群点击这里加入QQ群
客服邮箱
回到顶部