电脑桌面
添加小米粒文库到电脑桌面
安装后可以在桌面快捷访问

厂房独立柱施工方案

厂房独立柱施工方案_第1页
1/21
厂房独立柱施工方案_第2页
2/21
厂房独立柱施工方案_第3页
3/21
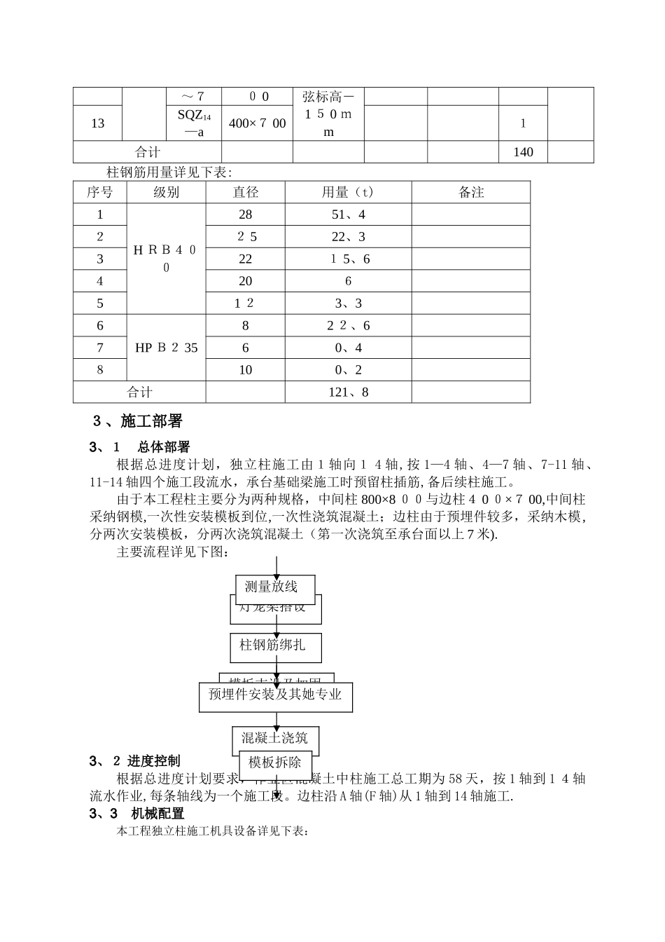
目 录1、编制依据本方案依据以下几项编制:1、深圳市机场(集团)有限公司工程量清单及施工图纸;2、深圳机场亚太转运中心施工合同;3、深圳机场亚太转运中心施工组织设计;4、国家及地方标准法律规范:《建筑工程施工质量验收统一标准》GB5 0 30 0—2001《混凝土结构工程施工质量验收法律规范》GB502 0 4-2025图集 0 3G 101—1(修正版)国家及地方其她法律规范;5、现场实际情况.2、工程概况2、1 主要工程概况本工程位于深圳机场,建筑面积约 5 万平米,作业区 3 1 2 米(1 轴—1 4 轴)×144、8 米(A 轴—F 轴).结构形式为钢筋混凝土柱钢结构屋面.作业区主要柱距24、4m×24m 及 32m×2 4 m。最大柱高13、23米(承台面至设计柱顶标高)。2、2 主要工程量本工程柱分为中间区域独立柱与边柱两大类.根据柱平面图及详图,柱总数 1 40根,其中中柱 56 根,边柱84根。钢筋总量约 122 吨。混凝土用量74 5 方柱具体参数详见下表(承台面标高-0、5m):序号类别柱号截面尺寸柱顶标高柱高单个砼量根数备注1中柱Z 38 00×80011、281 1、787、5 44中柱合计56根2Z 480 0×80011、2 811、787、5 42 03Z 4a800×8001 1、2811、787、5 424Z 58 00×80012、7 313、238、4 785Z68 00×8001 2、731 3、238、472 06Z 6 a800×80012、7313、238、4727边柱Z-1 J400×70 01 1、9 812、4 83、496边柱合计848Z-1400×7 0011、9 812、4 83、49429Z-24 00×70011、9812、483、49810Z-2a40 0×7001 1、981 2、483、4 9611Z-2b40 0×7001 1、9 812、483、491 01 2SQZ1-140 0×7屋面梁下11~70 0弦标高-1 5 0 mm13SQZ14—a400×7 001合计140柱钢筋用量详见下表:序号级别直径用量(t)备注1H RB4002851、422 522、33221 5、6420651 23、36HP B2 3582 2、6760、48100、2合计121、83、施工部署3、1 总体部署根据总进度计划,独立柱施工由1轴向1 4 轴,按 1—4 轴、4—7 轴、7-11 轴、11-14 轴四个施工段流水,承台基础梁施工时预留柱插筋,备后续柱施工。由于本工程柱主要分为两种规格,中间柱 800×8 00与边柱4 0 0×7 00,中间柱采纳钢模,一次性安装模板到位,一次性浇筑混凝土;边柱由于预埋件较多,采纳木模,分两次安装模板,分两次浇筑混凝土(...

1、当您付费下载文档后,您只拥有了使用权限,并不意味着购买了版权,文档只能用于自身使用,不得用于其他商业用途(如 [转卖]进行直接盈利或[编辑后售卖]进行间接盈利)。
2、本站所有内容均由合作方或网友上传,本站不对文档的完整性、权威性及其观点立场正确性做任何保证或承诺!文档内容仅供研究参考,付费前请自行鉴别。
3、如文档内容存在违规,或者侵犯商业秘密、侵犯著作权等,请点击“违规举报”。

碎片内容

厂房独立柱施工方案

阳光书坊+ 关注
实名认证
内容提供者

阳光书坊,传播未来

确认删除?
VIP
微信客服
  • 扫码咨询
会员Q群
  • 会员专属群点击这里加入QQ群
客服邮箱
回到顶部