电脑桌面
添加小米粒文库到电脑桌面
安装后可以在桌面快捷访问

双壁波纹管施工方案

双壁波纹管施工方案_第1页
1/12
双壁波纹管施工方案_第2页
2/12
双壁波纹管施工方案_第3页
3/12
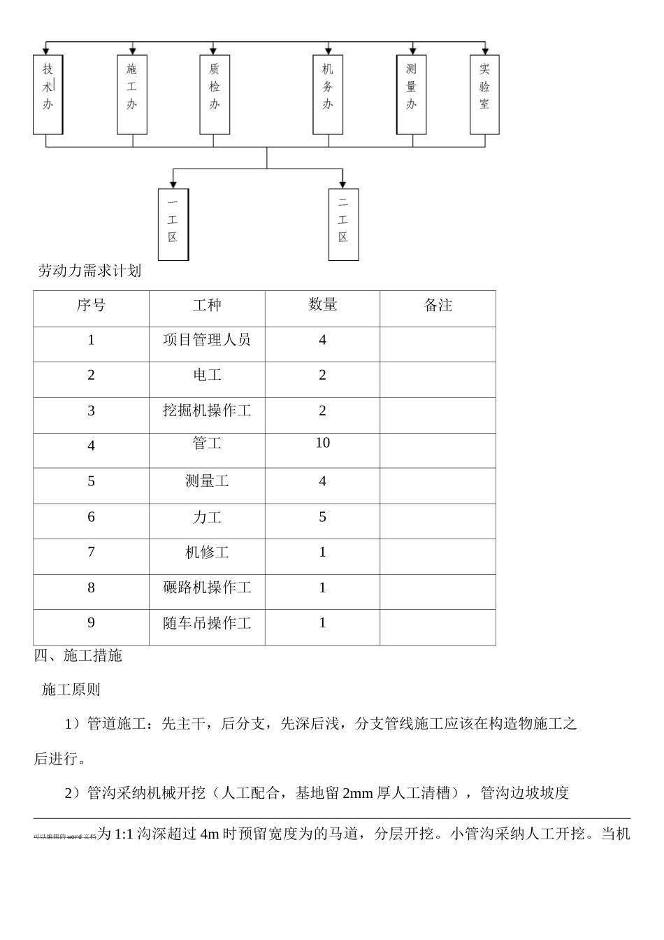
双壁波纹管施工方案一、工程概况本工程管道安装 HDPE 双壁波纹管污水管网 24 米 (其中 DN4 规格的 24 米、DN3 规格的米);检查井 96 座,跌水井 3 座;拆除混凝土路面,恢复混 凝土路面;人行道铺装14440 平方米;开挖沟槽土方 、沟槽石方 立方米。二、编制依据1. 《建筑给排水设计法律规范》GB515-232. 《室外排水设计法律规范》GB 514-263. 《给水排水工程管道结构设计法律规范》GB50332-224. 《给水排水管道工程施工及验收法律规范》GB50268-285. 《城市工程管线综合法律规范规划法律规范》GB502896. 《CJJ3-90 市政排水管渠工程质量检验评定标准》7. «CJJ143-2025 埋地塑料排水管道工程技术规程》8. 《CECS143-22 给水排水工程埋地预制混凝土圆形管管道结构设计规程》9. 《06MS201 市政排水管道工程及附属设施》10. 《07MS101 市政给水管道工程及附属设施》11. 《建筑地基基础工程施工质量验收法律规范》GB 5020212. 本项目设计院提供的《市政工程施工图设计给排水工程》图纸三、施工资源配置施工组织机构项目部可以编辑的 word 文档劳动力需求计划序号工种数量备注1项目管理人员42电工23挖掘机操作工24管工105测量工46力工57机修工18碾路机操作工19随车吊操作工1四、施工措施施工原则1)管道施工:先主干,后分支,先深后浅,分支管线施工应该在构造物施工之后进行。2)管沟采纳机械开挖(人工配合,基地留 2mm 厚人工清槽),管沟边坡坡度可以编辑的 word 文档为 1:1 沟深超过 4m 时预留宽度为的马道,分层开挖。小管沟采纳人工开挖。当机械 无法开挖的部位采纳人工开挖。3)阀门、检查井安装前要先进行检查及试验。4)双壁波纹管采纳承插式接,当不能采纳单承连接时,可采纳双承连接, 套管采纳PE、玻璃钢或者不锈钢材料,双向承插弹性密封圈连接。5)双壁波纹管施工前,管沟需要铺一层 2mm 厚的砂垫层,压实度需达到 85%〜 90%。双壁波纹管回填施工时,必须采纳中粗砂回填密实。回填范围不得小于设计支 撑角2c+30° ( 180°),回填密实度应达到 95%以上。6)双壁波纹管与检查井的连接可以采纳刚性连接或者柔性连接。刚性连接:检查井砌筑时,井壁内预埋管件或者短管,承向外,便于插连接。 采纳这种连接方式时,水泥砂浆应饱满。柔性连接:在检查井上安放带有承的预制混凝土圈梁,圈梁内径与管插外留 有一定间隙,使管端的橡胶圈与圈梁相接后允许产生一定的转角,以适应检...

1、当您付费下载文档后,您只拥有了使用权限,并不意味着购买了版权,文档只能用于自身使用,不得用于其他商业用途(如 [转卖]进行直接盈利或[编辑后售卖]进行间接盈利)。
2、本站所有内容均由合作方或网友上传,本站不对文档的完整性、权威性及其观点立场正确性做任何保证或承诺!文档内容仅供研究参考,付费前请自行鉴别。
3、如文档内容存在违规,或者侵犯商业秘密、侵犯著作权等,请点击“违规举报”。

碎片内容

双壁波纹管施工方案

元素商铺+ 关注
实名认证
内容提供者

欢迎挑选合适的文档

确认删除?
VIP
微信客服
  • 扫码咨询
会员Q群
  • 会员专属群点击这里加入QQ群
客服邮箱
回到顶部