电脑桌面
添加小米粒文库到电脑桌面
安装后可以在桌面快捷访问

喷射混凝土施工方案

喷射混凝土施工方案_第1页
1/14
喷射混凝土施工方案_第2页
2/14
喷射混凝土施工方案_第3页
3/14
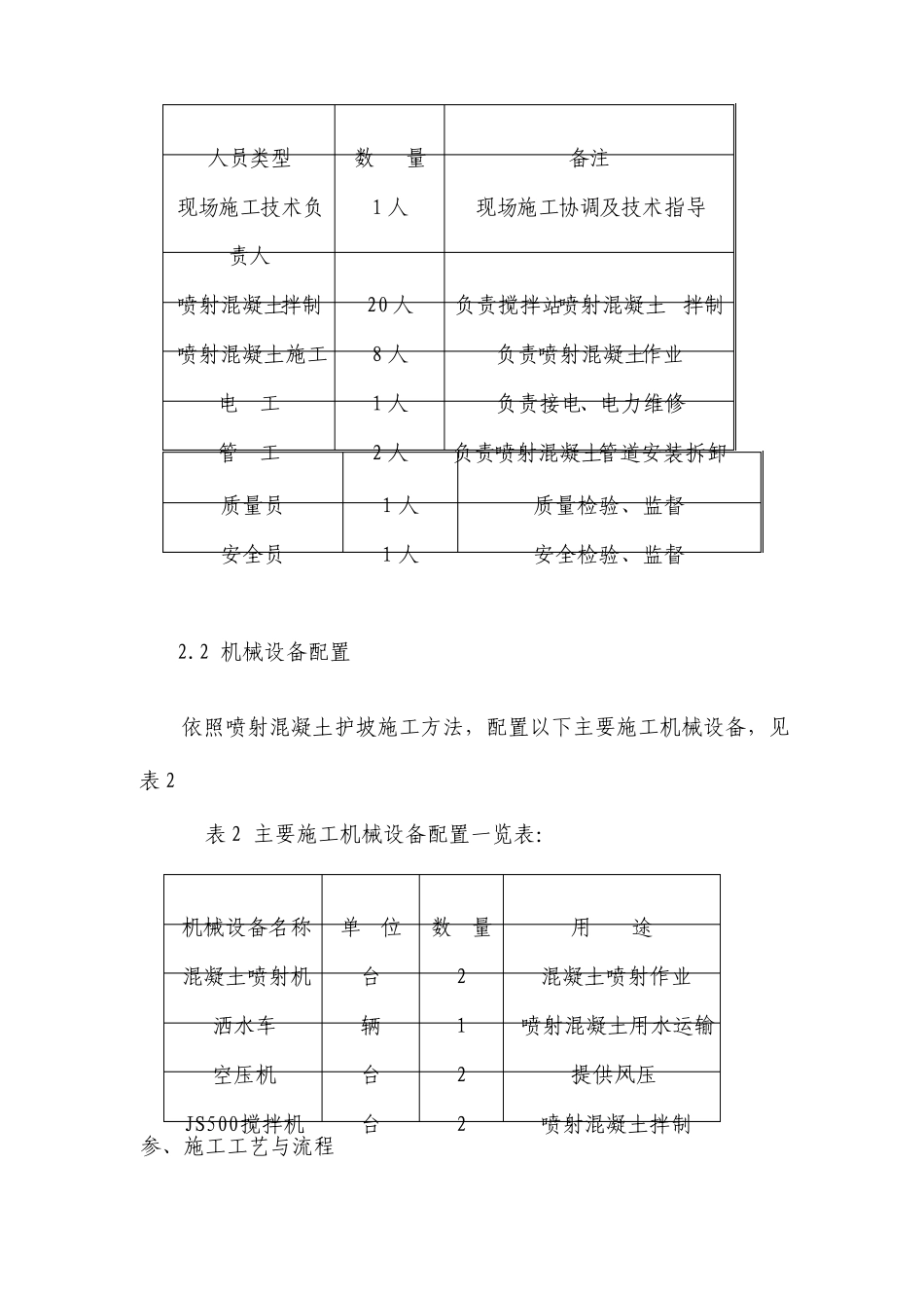
喷射混凝土(护坡)专题施工方案 、壱工程概况 辽宁大唐阜新煤制天然气项目(一期)事故水池(厂外)Ⅰ标段,缓存池、蒸发池迎水面实行喷射混凝土护坡实行 C30 混凝土,实行普通硅酸盐水泥,其最小水泥用量为 400kg/m3;细骨料为中粗砂,砂用量约为 730kg/m3;粗骨料实行 5-15mm 和 15mm-25mm 两种碎石级配各占 50%,用量约为 1120kg/m3;混凝土护坡面板根据每间隔 2 米设置分隔缝,缝宽 10mm,用沥青麻丝填充。为了使喷射混凝土在施工过程中严格根据法律规范及图纸设计要求进行施工,制订了喷射混凝土专题施工方案。 、弐施工人员、机械配置 2.1 施工人员配置 依照实际喷射混凝土护坡需要,每个作业面根据表 1 进行施工人员配置。 表 1 喷射混凝土支护施工人员配置一览表: 2.2 机械设备配置 依照喷射混凝土护坡施工方法,配置以下主要施工机械设备,见表 2 表 2 主要施工机械设备配置一览表: 参、施工工艺与流程 人员类型 数 量 备注 现场施工技术负责人 1 人 现场施工协调及技术指导 喷射混凝土拌制 20 人 负责搅拌站喷射混凝土 拌制 喷射混凝土施工 8 人 负责喷射混凝土作业 电 工 1 人 负责接电、电力维修 管 工 2 人 负责喷射混凝土管道安装拆卸 质量员 1 人 质量检验、监督 安全员 1 人 安全检验、监督 机械设备名称 单 位 数 量 用 途 混凝土喷射机 台 2 混凝土喷射作业 洒水车 辆 1 喷射混凝土用水运输 空压机 台 2 提供风压 JS500搅拌机 台 2 喷射混凝土拌制 3.1 喷射混凝土护坡施工工艺 依照设计要求,在防水层完全施工完成,水池背水面护坡喷射混凝土实行湿喷工艺。喷射混凝土现场拌和站集中拌和,实行湿喷机喷射作业,由输送管道送至作业面施工。先喷射 4-5cm 厚混凝土靠近初凝时复喷至设计厚度 100mm 厚。 3.2 喷射混凝土护坡施工流程 3.2.1 喷射混凝土施工详细流程 (1)喷射前准备 ① 喷射前应对防渗层进行保护处理。对施工作业面管道布置走向做好充分考虑,在管道架设下面铺设 500mm 宽*20mm 厚木板,以免在施工时随意喷射,管道拆装过程中破坏防渗层。依照图纸设计要求在喷射混凝土板面每隔 2 米设置分隔缝,横向模板用厚度为10mm、高为 90mm 木胶板制作成 2 米*2 米方格,竖向也用厚度为10mm、高为 100mm 木胶板制作成 2 米*2 米方格,在待喷射面上由下而上平放在防渗层上,待喷射混凝土初凝后,考虑...

1、当您付费下载文档后,您只拥有了使用权限,并不意味着购买了版权,文档只能用于自身使用,不得用于其他商业用途(如 [转卖]进行直接盈利或[编辑后售卖]进行间接盈利)。
2、本站所有内容均由合作方或网友上传,本站不对文档的完整性、权威性及其观点立场正确性做任何保证或承诺!文档内容仅供研究参考,付费前请自行鉴别。
3、如文档内容存在违规,或者侵犯商业秘密、侵犯著作权等,请点击“违规举报”。

碎片内容

喷射混凝土施工方案

您可能关注的文档

确认删除?
VIP
微信客服
  • 扫码咨询
会员Q群
  • 会员专属群点击这里加入QQ群
客服邮箱
回到顶部