电脑桌面
添加小米粒文库到电脑桌面
安装后可以在桌面快捷访问

噪声对应风速选择表

噪声对应风速选择表_第1页
1/3
噪声对应风速选择表_第2页
2/3
噪声对应风速选择表_第3页
3/3
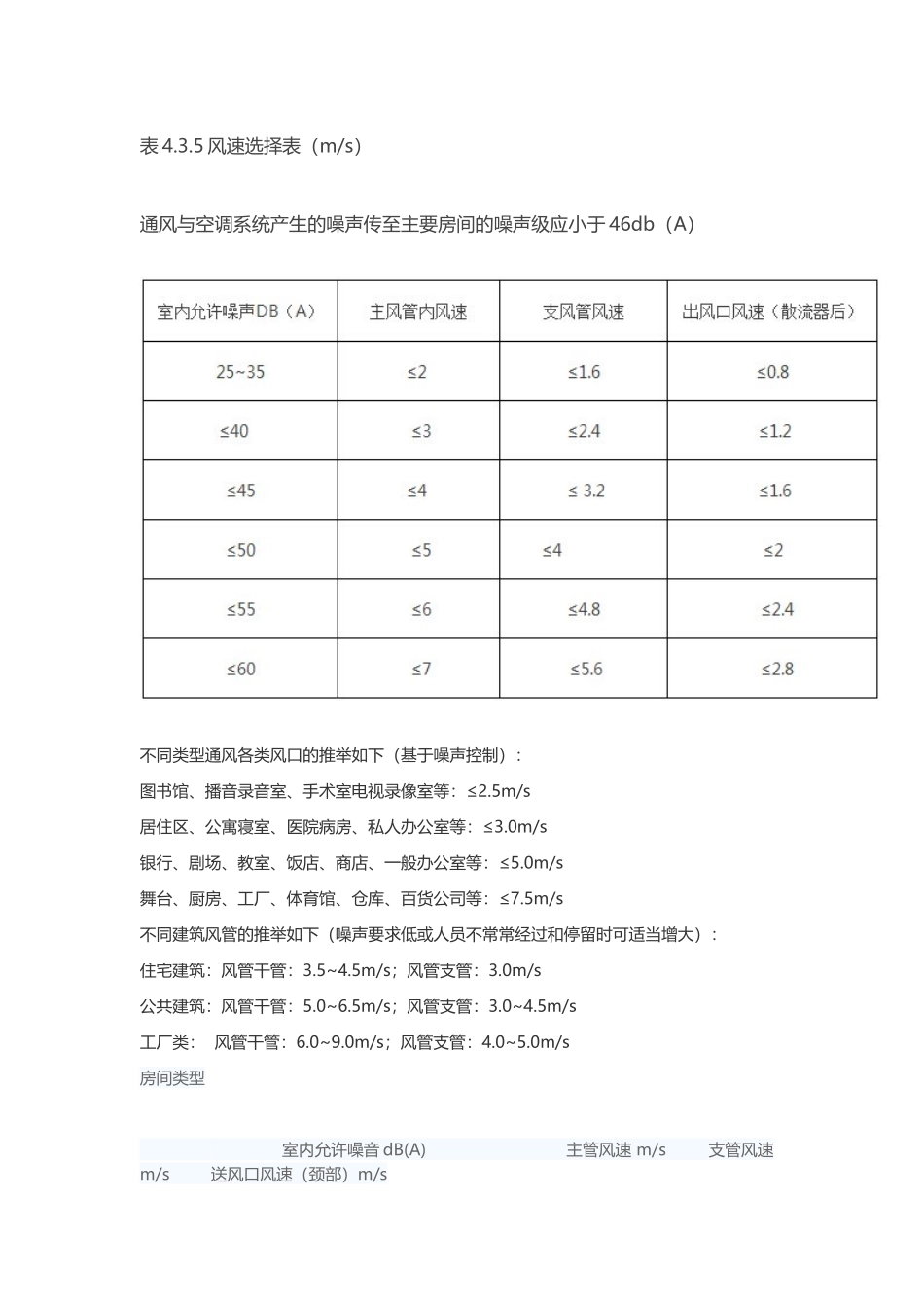
噪声对应风速选择表(2 页)Good is good, but better carries it.精益求精,善益求善。表 4.3.5 风速选择表(m/s)通风与空调系统产生的噪声传至主要房间的噪声级应小于 46db(A)不同类型通风各类风口的推举如下(基于噪声控制):图书馆、播音录音室、手术室电视录像室等:≤2.5m/s居住区、公寓寝室、医院病房、私人办公室等:≤3.0m/s银行、剧场、教室、饭店、商店、一般办公室等:≤5.0m/s舞台、厨房、工厂、体育馆、仓库、百货公司等:≤7.5m/s不同建筑风管的推举如下(噪声要求低或人员不常常经过和停留时可适当增大):住宅建筑:风管干管:3.5~4.5m/s;风管支管:3.0m/s公共建筑:风管干管:5.0~6.5m/s;风管支管:3.0~4.5m/s工厂类: 风管干管:6.0~9.0m/s;风管支管:4.0~5.0m/s房间类型室内允许噪音 dB(A)主管风速 m/s支管风速 m/s送风口风速(颈部)m/s播音室、影剧院 25~353~4≤2≤1.2办公室、会议室35~504~62~3≤2餐饮、商场50~656~83~5≤2.4工厂65~858~105~8≤3.6注:1. 风速≤8m/s 时,噪音在风管中 0.3~0.6 dB/m 衰减;风速>8m/s 时,噪音在风管中衰减不计;2. 风速高的风道不得穿越噪音要求高的房间;3. 上表未提及的场所噪音标准请参见附录表三\/&。-]&|《]…—^:''¥>【、|…$¥|。>$:[

1、当您付费下载文档后,您只拥有了使用权限,并不意味着购买了版权,文档只能用于自身使用,不得用于其他商业用途(如 [转卖]进行直接盈利或[编辑后售卖]进行间接盈利)。
2、本站所有内容均由合作方或网友上传,本站不对文档的完整性、权威性及其观点立场正确性做任何保证或承诺!文档内容仅供研究参考,付费前请自行鉴别。
3、如文档内容存在违规,或者侵犯商业秘密、侵犯著作权等,请点击“违规举报”。

碎片内容

噪声对应风速选择表

您可能关注的文档

不二商店+ 关注
实名认证
内容提供者

我是你的不二选择

确认删除?
VIP
微信客服
  • 扫码咨询
会员Q群
  • 会员专属群点击这里加入QQ群
客服邮箱
回到顶部