电脑桌面
添加小米粒文库到电脑桌面
安装后可以在桌面快捷访问

土围堰施工方案3

土围堰施工方案3_第1页
1/5
土围堰施工方案3_第2页
2/5
土围堰施工方案3_第3页
3/5
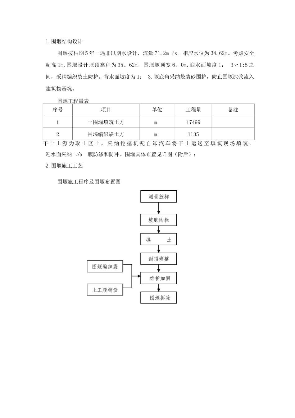
CB01 施工技术方案申报表(徐水建[2025]技案 7 号)合同名称:南水北调东线第一期工程南四湖水资源控制工程杨官屯河闸工程建筑安装施工标合同编号: NSBD-NSH—YT-03 致:中水恒信公司杨官屯河闸工程项目监理部我方今提交南水北调东线第一期工程南四湖水资源控制工程杨官屯河闸(NSBD-NSI—YT—03)工程的:土围堰施工方案施工组织设计施工措施计划工程测量施测计划和方案工程放样计划专项试验计划和方案请贵方审批承 包 人:徐州市水利工程建设有限公司杨官屯河闸工程项目经理部项目经理:日 期: 年 月 日监理机构将另行签发审批意见监理机构:中水恒信公司杨官屯河闸工程项目监理部签收人:日 期: 年 月 日说明:本表一式旦份,由承包人填写。监理机构审签后,随同审批意见,承包人 2 份、监理机构1 份、发包人 1 份.南水北调东线第一期工程南四湖水资源控制工程杨官屯河闸工程土围堰施工方案工程概况南四湖水资源控制工程是南水北调东线第一期工程的重要组成部分,南四湖地处江苏和山东两省交界处,入湖河流众多,且多数河流具有泄洪、排涝、引水灌溉和航运等功能。南水北调东线工程实施后,南四湖承担北调水源的调蓄和输送任务,为保证南四湖地区的正常输水和水资源统一管理,在杨官屯河及其它南四湖主要支流修建水资源控制闸是十分必要的.杨官屯河属南四湖上级湖湖西支流,其河控制闸位于河流入湖湖西大堤,工程主要任务是加强对南四湖水资源的控制与管理,并兼有挡洪、泄洪、排涝和通航等功能.杨官屯河闸设计泄洪标准为 20 年一遇,相应泄洪流量为 156m /s,闸上设计水位 36。5m,闸下设计水位 36。3m;排涝标准为 10 年一遇,相应泄洪流量为 104m /s,闸上设计水位 34。1m,闸下设计水位 34.0m;挡洪标准为防备南四湖 1957 年洪水,相应挡洪水位为 37。0m;引水标准为引水流量 30m /s.杨官屯河控制闸为 I 等大(1)型工程,主要建筑物均为 1 级建筑物,次要建筑物为 3 级建筑物,临时建筑物为 4 级建筑物。杨官屯河为 VII- (3)级航道。杨官屯河闸共 2 孔,单孔净宽 12m 与 8m,其中一孔设为 VII 级船闸,上、下闸首距离160。0m。闸室单孔净宽 12。0m,钢筋混凝土框架式结构,底板厚 1.3m,底板顶面高程为29.8m,南侧闸孔兼做船闸的上闸首;中墩厚 1。2m,边墩厚 1。0m,墩顶高程为 40。0m;闸室顺水流方向长度为 17.0m,垂直水流方向宽度为 21.2m.采纳钢筋混凝土灌注桩基础.船闸闸首布置于...

1、当您付费下载文档后,您只拥有了使用权限,并不意味着购买了版权,文档只能用于自身使用,不得用于其他商业用途(如 [转卖]进行直接盈利或[编辑后售卖]进行间接盈利)。
2、本站所有内容均由合作方或网友上传,本站不对文档的完整性、权威性及其观点立场正确性做任何保证或承诺!文档内容仅供研究参考,付费前请自行鉴别。
3、如文档内容存在违规,或者侵犯商业秘密、侵犯著作权等,请点击“违规举报”。

碎片内容

土围堰施工方案3

确认删除?
VIP
微信客服
  • 扫码咨询
会员Q群
  • 会员专属群点击这里加入QQ群
客服邮箱
回到顶部