电脑桌面
添加小米粒文库到电脑桌面
安装后可以在桌面快捷访问

基建岗位作业指导书

基建岗位作业指导书_第1页
1/5
基建岗位作业指导书_第2页
2/5
基建岗位作业指导书_第3页
3/5
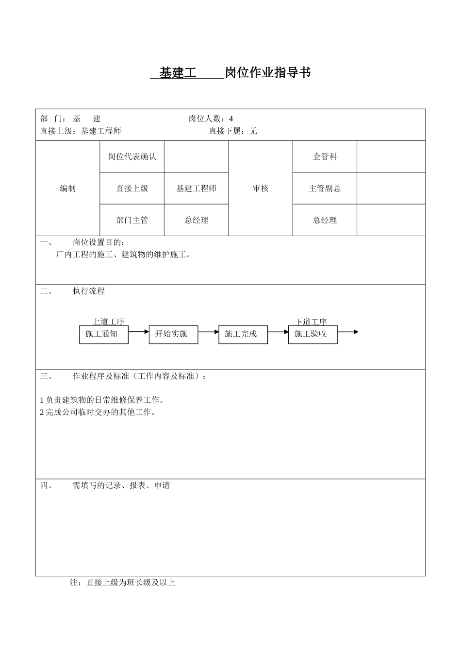
基建工 岗位作业指导书部 门: 基 建 岗位人数:4直接上级:基建工程师 直接下属:无编制岗位代表确认审核企管科直接上级基建工程师主管副总部门主管总经理总经理一、岗位设置目的:厂内工程的施工、建筑物的维护施工。二、执行流程三、作业程序及标准(工作内容及标准):1 负责建筑物的日常维修保养工作。2 完成公司临时交办的其他工作。四、需填写的记录、报表、申请注:直接上级为班长级及以上施工通知开始实施施工完成施工验收上道工序下道工序部门主管:经理级为主管副总员工级为经理级 基建工程师 岗位作业指导书部 门: 基 建 岗位人数:1直接上级:总经理 直接下属:基建工编制岗位代表确认审核企管科直接上级总经理主管副总部门主管总经理总经理岗位设置目的:全面公司基础设施的建设执行流程作业程序及标准(工作内容及标准):1 实施项目扩初图、施工图设计;2.工程预决算的编制及审核3.签订施工合同,办理施工执照和项目开工的有关工作;4.负责工程的进度、质量、安全的监督和现场管理,组织有关进行质量的检验和评定,竣工验收及交付使用;5.组织召集项目有关会审、评审、验收等各类会议,并协调与规划设计等部门的关系;6.施工图、设计变更、竣工图等有关资料,并做好资料存档工作;7.拟定工程基建用料计划,并组织验收、核对保管工作8.负责建筑物的日常维修保养工作,并编制维修计划;9.负责对人员检查、监督、考核、评比;10.完成公司临时交办的其他工作。需填写的记录、报表、申请施工记录、采购单、预算、修缮申请施工通知开始施工施工验收工程款支付上道工序下道工序注:直接上级为班长级及以上部门主管:经理级为主管副总员工级为经理级机械司机 岗位作业指导书 部 门: 基 建 岗位人数:1直接上级:基建工程师 直接下属:编制岗位代表确认审核企管科直接上级基建工程师主管副总部门主管总经理总经理岗位设置目的:操作铲车,上煤保证车间生产,场内施工。执行流程作业程序及标准(工作内容及标准):1、负责 50 铲的操作。2、负责 50 铲的日常维修和保养工作。需填写的记录、报表、申请保养、维修单、机械的大型维修申请。上道工序下道工序注:直接上级为班长级及以上部门主管:经理级为主管副总员工级为经理级 2025 年读书节活动方案一、 活动目的:书是人类的朋友,书是人类进步的阶梯!为了拓宽学生的知识面,通过开展“和书交朋友,遨游知识大海洋”系列读书活动,激发学生读书...

1、当您付费下载文档后,您只拥有了使用权限,并不意味着购买了版权,文档只能用于自身使用,不得用于其他商业用途(如 [转卖]进行直接盈利或[编辑后售卖]进行间接盈利)。
2、本站所有内容均由合作方或网友上传,本站不对文档的完整性、权威性及其观点立场正确性做任何保证或承诺!文档内容仅供研究参考,付费前请自行鉴别。
3、如文档内容存在违规,或者侵犯商业秘密、侵犯著作权等,请点击“违规举报”。

碎片内容

基建岗位作业指导书

您可能关注的文档

确认删除?
VIP
微信客服
  • 扫码咨询
会员Q群
  • 会员专属群点击这里加入QQ群
客服邮箱
回到顶部