电脑桌面
添加小米粒文库到电脑桌面
安装后可以在桌面快捷访问

塔吊拆除技术交底

塔吊拆除技术交底_第1页
1/8
塔吊拆除技术交底_第2页
2/8
塔吊拆除技术交底_第3页
3/8
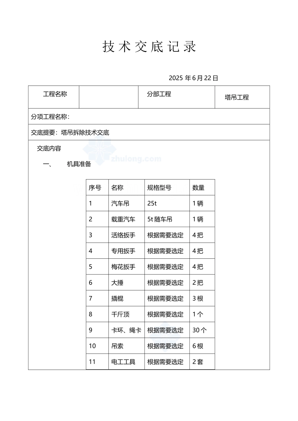
塔吊拆除技术交底(4 页)Good is good, but better carries it.精益求精,善益求善。 技 术 交 底 记 录 2025 年 6 月 22 日工程名称分部工程塔吊工程分项工程名称: 交底提要:塔吊拆除技术交底交底内容一、机具准备序号名称规格型号数量1汽车吊25t1 辆2载重汽车5t 随车吊1 辆3活络扳手根据需要选定4 把4专用扳手根据需要选定4 把5梅花扳手根据需要选定4 把6大捶根据需要选定2 把7撬棍根据需要选定3 根8千斤顶根据需要选定1 个9卡环、绳卡根据需要选定30 个10吊索根据需要选定6 根11电工工具根据需要选定2 套12万用表根据需要选定1 块13安全带10 根14安全帽20 顶二、塔吊安装程序塔吊拆卸是其方法与立塔组装时基本相同,只是程序与安装相反,即先装的后拆,后装的先拆,在拆卸过程中,不能马虎大意,否则会发生人身设备安全事故,必须由专人统一指挥,按程序操作。1、拆卸前的准备工作1)清理施工现场,将各种物品堆放在指定地点,道路畅通。2)准备好各种索具、绳扣、扳手等常用工具。3)拆卸人员必须具备相应的专业知识,持证上岗,统一指挥。4)工作时风速不大于 13m/s。5)检查顶升液压系统使其能正常工作。2、降塔、拆除标准节1)将起重臂回转到标准节的引进方向,同吊呈一节作平衡用的标准节使小车处于平衡位置,将上下转台插上销轴锁定。技术负 责 人交底人接受人1、本表由施工单位填写,交底单位与接受交底单位各保存一份。2、当做分项工程施工技术交底时,应填写“分项工程名称”栏,其他技术交底可不填写。技 术 交 底 记 录 2025 年 6 月 22 日工程名称分部工程塔吊工程分项工程名称: 交底提要:塔吊拆除技术交底交底内容2)启动液压系统,顶压油缸伸出全长的 90%左右,将顶升横梁销轴落在从上往下数第二标准节的下踏步上,(绝对不允许将顶升油缸放置之不理在靠近油缸全缩状态附近的踏步上),并使顶升横梁两销轴在踏步的两端面的露出量基本相等。3)拆除下转台与标准节之间相连的高强螺栓,启到液压没缸,将外套架上升至标准节与下转台之间有 10-20mm 的间隙时停止顶压,检查套架的导轮与塔身主弦杆的间隙,如间隙均匀,则塔机上部处于平衡状态,(顶压时要指定专人注意观察套架上端滚轮不准超出塔身节的主弦杆--不得顶帽)。4)拆除标准节与标准节之间的高强螺栓,将标准节挂在引梁的小钩上。5)略顶升套架,利用引进装置将标准节拉出塔身。6)回缩没缸,使套架下降。当下降...

1、当您付费下载文档后,您只拥有了使用权限,并不意味着购买了版权,文档只能用于自身使用,不得用于其他商业用途(如 [转卖]进行直接盈利或[编辑后售卖]进行间接盈利)。
2、本站所有内容均由合作方或网友上传,本站不对文档的完整性、权威性及其观点立场正确性做任何保证或承诺!文档内容仅供研究参考,付费前请自行鉴别。
3、如文档内容存在违规,或者侵犯商业秘密、侵犯著作权等,请点击“违规举报”。

碎片内容

塔吊拆除技术交底

MY shop+ 关注
实名认证
内容提供者

欢迎挑选适合自己的材料。

确认删除?
VIP
微信客服
  • 扫码咨询
会员Q群
  • 会员专属群点击这里加入QQ群
客服邮箱
回到顶部