电脑桌面
添加小米粒文库到电脑桌面
安装后可以在桌面快捷访问

外墙干挂埃特板施工工法

外墙干挂埃特板施工工法_第1页
1/18
外墙干挂埃特板施工工法_第2页
2/18
外墙干挂埃特板施工工法_第3页
3/18
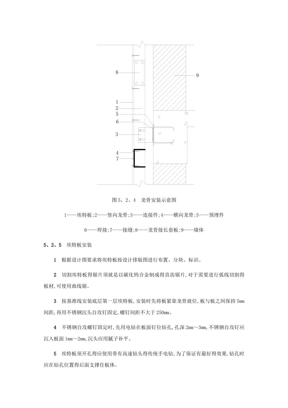
外墙干挂埃特板施工工法 1 前 言埃特板就是一种纤维硅酸盐板,由水泥、天然纤维与精选矿物填充料等多种物质组成,具有多种厚度及密度,有较好得强度。埃特板作为建筑得外墙装饰装修材料,正在被建筑行业广泛采纳。我司通过湖北省体育局训练竞赛基地室内田径馆与体操馆外墙干挂埃特板工艺讨论与施工实践,经过总结形成外墙干挂埃特板施工工法。2 工法特点2、0、1 埃特板质轻、防水、不含石棉及其它有害物质,就是环保建材。2、0、2 埃特板可钻孔、可随意切割、布置灵活。2、0、3 埃特板安装简便、施工快捷。2、0、4 采纳干挂法作业,板面平整性好,可直接进行腻子、涂料施工。3 适用范围适用于抗震设防烈度不大于 7 度、高度不大于 28 米得公共建筑与民用建筑得外墙装饰装修工程施工。4 工艺原理通过连接件将轻型钢龙骨与建筑结构预埋件相连,用不锈钢自攻螺钉将定型埃特板固定在钢龙骨上,埃特板表面采纳涂料装饰,板之间缝隙用密封胶填充,最终形成埃特板装饰面层。5 施工工艺流程及操作要点5、1 施工工艺流程施工准备→测量放线→连接件安装→龙骨安装→埃特板安装→涂料装饰→注密封胶5、2 操作要点5、2、1 施工准备1 编制专项施工方案,对操作人员进行岗前培训与安全技术交底。2 根据建筑设计装饰图进行排版设计,画出排版图。3 对外墙龙骨得预埋件进行复核。预埋件位置超偏差而无法使用时,应根据实际放线位置钻孔,采纳化学锚栓后置埋件,并按规定进行化学锚栓拉拨强度试验,待化学锚栓符合设计要求后再安装连接件。5、2、2 测量放线1 复查基准线与水准点。2 核对建筑物外形尺寸进行偏差测量,确定干挂埃特板得标准线。3 以标准线为基准,根据设计图中埃特板排版图规格尺寸弹出分格线。5、2、3 连接件安装1 根据施工图及分格线,确定竖向龙骨位置,各竖向龙骨得连接件按线与预埋件焊接,使其外伸端面做到垂直平整。电焊所采纳得焊条型号、焊缝得高度及长度,均应符合设计要求。2 检查焊缝质量,去除焊渣,并涂刷二遍防锈漆及二遍银灰色金属漆。5、2、4 龙骨安装1 根据设计排版图确定埃特板横竖向龙骨间距,龙骨均采纳 C 型钢,表面热镀锌处理。2 竖向龙骨安装前应仔细核对龙骨得规格、尺寸、数量、编号就是否与施工图纸相一致。3 根据连接件得位置在竖向钢龙骨上钻孔,将竖向龙骨与连接件通过螺栓连接。4 竖向龙骨接长通过套管用不锈钢螺栓固定,安装由下而上进行。5 竖向龙骨安装就位后应进行调整修正, 并及时固定、拧紧连接螺栓。6...

1、当您付费下载文档后,您只拥有了使用权限,并不意味着购买了版权,文档只能用于自身使用,不得用于其他商业用途(如 [转卖]进行直接盈利或[编辑后售卖]进行间接盈利)。
2、本站所有内容均由合作方或网友上传,本站不对文档的完整性、权威性及其观点立场正确性做任何保证或承诺!文档内容仅供研究参考,付费前请自行鉴别。
3、如文档内容存在违规,或者侵犯商业秘密、侵犯著作权等,请点击“违规举报”。

碎片内容

外墙干挂埃特板施工工法

确认删除?
VIP
微信客服
  • 扫码咨询
会员Q群
  • 会员专属群点击这里加入QQ群
客服邮箱
回到顶部