电脑桌面
添加小米粒文库到电脑桌面
安装后可以在桌面快捷访问

外墙脚手架工程施工方案

外墙脚手架工程施工方案_第1页
1/10
外墙脚手架工程施工方案_第2页
2/10
外墙脚手架工程施工方案_第3页
3/10
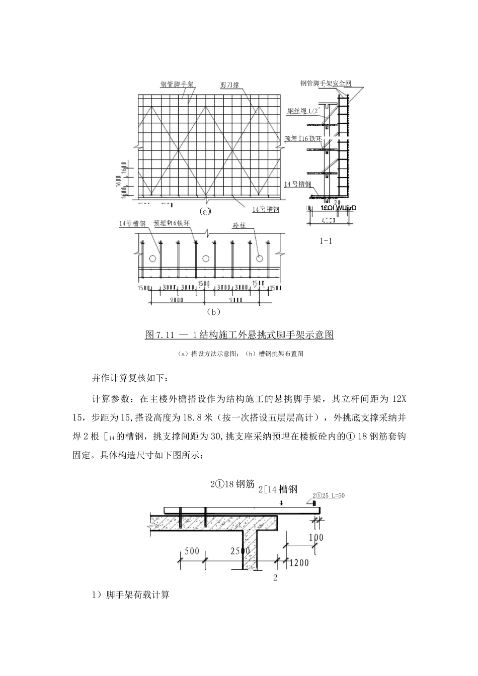
外墙脚手架工程施工方案简介本工程施工外脚手架主要用于主体结构施工阶段的安全防护,普遍搭设高度30m 左右。本工程地上结构 8-10 层,总高度 32.0m,外形比较规整,外檐层高 4.0m,主要施工内容包括主体结构施工、外檐装饰施工、内檐装饰安装施工等。体系选择(1)主 体 结构施工用外脚手架采纳悬挑式扣件钢管双排脚手架,外挂安全网,即在第二、第六层顶板预留*20 钢筋锚环,间距 30,用 2[14 或双排钢管作悬挑杆,伸出墙面 15,其上搭设扣件式钢管脚手架,内外立杆间距 15 ,如下图。图 7.11 — 1 结构施工外悬挑式脚手架示意图 (a)搭设方法示意图;(b)槽钢挑架布置图并作计算复核如下:计算参数:在主楼外檐搭设作为结构施工的悬挑脚手架,其立杆间距为 12X 15,步距为 15,搭设高度为 18.8 米(按一次搭设五层层高计),外挑底支撑采纳并焊 2 根[14的槽钢,挑支撑间距为 30,挑支座采纳预埋在楼板砼内的① 18 钢筋套钩固定。具体构造尺寸如下图所示:1)脚手架荷载计算预埋 116 铁环 钢管脚手架安全网剪刀撑钢丝绳 1/214 号槽钢 14 号槽钢 (a)(b)1£OI WUiirD1-12①25 L=502①18 钢筋 2[14 槽钢12脚手恒荷载标准值计算:Gk=Gk1+Gk2+GK3=Hi ( gk +gk )+n xl xgk131 a 2其中:查表得 gk =0.1014、gk =0.3484、gk=0.0768123Hi=24.9m%表示同时存在的作业层设置数。根据工程施工实际,考虑施工作业层为 2层,la表示立杆纵距 1.5 米。则 Gk=5.48KN脚手架施工荷载标准值计算:Qk= n1 x l x qk其中:qk 表示脚手架结构施工荷设计载标准值 3.0KN/m2时的施工荷载计算基数为 1.8KN/m。则 Qk=5.40KN2)单根立杆的轴心力计算:N=1.2Gk+1.4Qk=14.14KN3)挑架底支撑槽钢抗弯强度验算:fm =M/W其中:M 表示槽钢所受弯矩=11.31KN.m (式中 Ni 表示单根槽钢所受脚手架的的竖向压力=N/2=14.14-2=7.07KN)W 表示槽钢的截面矩为 81.33cm3则 f =11.31:81.33=0.131KN/m2m=131.MPa

1、当您付费下载文档后,您只拥有了使用权限,并不意味着购买了版权,文档只能用于自身使用,不得用于其他商业用途(如 [转卖]进行直接盈利或[编辑后售卖]进行间接盈利)。
2、本站所有内容均由合作方或网友上传,本站不对文档的完整性、权威性及其观点立场正确性做任何保证或承诺!文档内容仅供研究参考,付费前请自行鉴别。
3、如文档内容存在违规,或者侵犯商业秘密、侵犯著作权等,请点击“违规举报”。

碎片内容

外墙脚手架工程施工方案

您可能关注的文档

确认删除?
微信客服
  • 扫码咨询
会员Q群
  • 会员专属群点击这里加入QQ群